2018-09-09 10:44:14 | 人围观 | 评论:
电动车窗是由驾驶员或乘员操纵开关接通车窗升降电动机的电路,电动机产生动力通过一系列的机械传动,使车窗玻璃按要求进行升降。其优点是操作简便,有利于行车安全。
电动车窗的组成与功能
1.功能
电动车窗装置主要由升降控制开关、电动机、升降器、继电器等组成,其中电动机一般采用双向永磁电动机,通过控制电流方向,使其正反向转动,达到车窗升降功能。电动车窗控制电路通常设有如下功能:
(1)设有多个开关,方便控制。开关用来控制门窗玻璃升降。一般电动门窗系统都装有两套控制开关。一套总开关安装在仪表板或驾驶员侧车门扶手上(便于驾驶员操纵),它由驾驶员控制每个车窗的升降。另一套为分开关分别安装在每一个乘员的车门上,可由乘员操纵。一般在总开关上还装有窗锁开关。如果将其断开,则分开关就不起作用。
有的车上还专门装有一个延迟开关,在点火开关断开后约10min内,或在打开车门以前,仍有电源提供,使驾驶员和乘员能有时间关闭车窗。
(2)装有热敏开关,起保护作用。电路或电动机内装有一个或多个热敏开关,用以控制电流,防止电动机过载。当车窗完全关闭或由于结冰等原因使车窗玻璃不能自如运动时,即使操纵开关没有断开,热敏开关也会自动断路。
(3)后车门窗设有安全装置。一些汽车的后车门窗玻璃一般仅能下降至2/3或3/4,不能全部下到底,以防止后座位上的小孩将头、手伸出窗外而发生事故。
2.组成
电动车窗主要由车窗、车窗升降器、电动机、继电器、开关等组成。奥迪轿车电动车窗的结构如图1所示。

1-车窗升降器 2-垫 3-电机插座 4-开关总成插座 5-主开关 6-主开关的断路开关 7-插座架 8-线束 9-固定螺栓 10-车窗密封条 11-前左车窗玻璃 12-车窗附件支架 13-固定螺栓 14-垫 15-车窗锁止夹子 16-固定螺钉 17-电动机
车窗升降器有三种形式:钢丝滚筒式升降器(又称蜗轮蜗杆式升降器)、齿扇式升降器及齿条式升降器。

(1)钢丝滚筒式电动车窗升降器。
1-支架安装位置 2-电动机安装位置 3-固定架 4-联轴缓冲器 5-电动机 6-卷丝筒 7-盖板 8-调整弹簧 9-绳索结构 10-玻璃安装位置 11-滑动支架 12-弹簧套筒 13-安装缓冲器 14-铭牌位置 15-均压孔 16-支架结构。

(2)齿扇式电动车窗升降器。用齿扇来实现换向作用如图1-3所示。齿扇上有螺旋弹簧,当车窗上升时,弹簧展开,放出能量,以减轻电动机负荷当车窗下降时,弹簧压缩,吸收能量,从而使车窗无论上升还是下降,电动机的负荷基本相同。

1-电缆接头 2-电动机 3-齿扇 4-推力杆
(3)齿条式电动车窗升降器。使用柔性齿条和小齿轮,车窗连在齿条的一端,电动机带动轴端小齿轮转动,使齿条移动,以带动车窗升降,其结构如图1-4所示。
1-齿条 2-电缆接头 3-电动机 4-小齿轮 5-定位架
电动车窗的工作原理
电动车窗使用的电动机是双向的,有永磁型和双绕组串激型2种。每个车窗都装有一个电动机,通过开关控制它的旋转方向,使车窗玻璃上升或下降。
1.永磁型直流电动机电动车窗
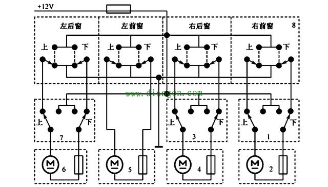
永磁型直流电动机电动车窗电路又称电动机不搭铁的控制电路,电动机不直接搭铁,其搭铁受开关控制,通过改变电枢的电流方向来改变电动机的旋转方向,使车窗玻璃上升或下降。其控制电路如图1-5。

电动机不搭铁的电动车窗控制电路
1-右前车窗开关 2-右前车窗电动机 3-右后车窗开关 4-右后车窗电动机 5-左前车窗电动机 6-左后车窗电动机 7-左后车窗开关 8-驾驶员主控开关组件
(1)驾驶员主控开关控制左后车窗上升时电流方向。合上主控开关8的左后车窗上升开关,则控制电路闭合,形成回路电流,具体电路路径为:蓄电池正极→熔断器→主控开关8的左后车窗上升开关→左后车窗开关7“上”(原始位置)→左后车窗电动机→左后车窗开关7“下”(原始位置)→主控开关8的左后车窗“下”(原始位置)→搭铁→电源负极。电流方向如图1-6所示箭头所指。

主控开关控制左后车窗上升
1-右前车窗开关 2-右前车窗电动机 3-右后车窗开关 4-右后车窗电动机 5-左前车窗电动机 6-左后车窗电动机 7-左后车窗开关 8-驾驶员主控开关组件
(2)独立操作分开关控制左后车窗下降。合上左后车窗开关7的下降开关,则控制电路闭合,形成回路电流,具体电路路径为:蓄电池正极→熔断器→左后车窗开关7“下”→左后车窗电动机→左后车窗开关7“上”(原始位置)→主控开关8的左后车窗“上”(原始位置)→主控开关8的左后车窗“下”(原始位置)→搭铁→电源负极。电流方向如图1-7所示箭头所指。
从左后车窗上升、下降的电路路径分析可知,两种情况下,流经电动机的电流方向相反,电动机反转。
永磁型直流电动机电动车窗,因为开关既控制电动机的电源线,又控制电动机的搭铁线,所以开关结构和控制线路复杂一些。但是电动机结构简单,在实际当中应用较广泛。
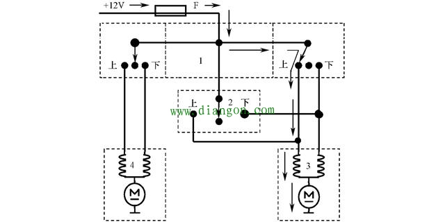
2.双绕组串激型直流电动机电动车窗
双绕组串激型直流电动机有两个绕向相反的磁场绕组,一个称为“上升”绕组,一个称为“下降”绕组。在给不同绕组通电时,会产生相反方向的磁场,电动机的旋转方向也就不同,从而实现车窗的上升与下降。其控制电路见图1-8。
独立操作开关控制左后车窗下降
1-右前车窗开关 2-右前车窗电动机 3-右后车窗开关 4-右后车窗电动机 5-左前车窗电动机 6-左后车窗电动机 7-左后车窗开关 8-驾驶员主控开关组件
电动机搭铁的电动车窗控制电路
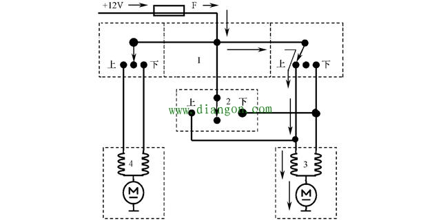
1-驾驶员主控开关组件 2-右前车窗开关 3-右前车窗电动机 4-左前车窗电动机
(1)驾驶员主控开关控制右前车窗上升。电流方向如图所示箭头所指。
(2)独立操作开关控制右前车窗下降。电流方向如图所示箭头所指。

驾驶员主控开关控制右前车窗上升时电流方向
1-驾驶员主控开关组件 2-右前车窗开关 3-右前车窗电动机 4-左前车窗电动机

独立操作开关控制右前车窗下降时电流方向
1-驾驶员主控开关组件 2-右前车窗开关 3-右前车窗电动机 4-左前车窗电动机
全站搜索