2016-10-23 11:13:17 | 人围观 | 评论:
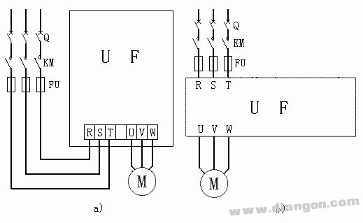
一、主要电器须选好/如图所示<?xml:namespace prefix = o ns = "urn:schemas-microsoft-com:office:office" />
Q──断路器;
KM──接触器;
FU──快速熔断器;
UF──变频器;
M──电动机

1、断路器
主要作用如下图所示:
用于电源电路的开闭,且在出现过流或短路事故时自动断开电源。
主要是隔离作用 保护作用
选择原则
IQN≥(1.3~1.4)IN

2、输入接触器如图所示:
主要作用
ü 可通过按钮开关方便地控制变频器的通电与断电;
ü 变频器或制动单元发生故障时,可自动切断电源。
选择原则 IKN≥IN

3、输出接触器如图所示:
作用:
(1)用于电动机电源在工频电网和变频器之间的切换;
(2)保证变频器的输出端不会接到工频电网上去。
输出接触器的选择:IKN≥1.1IMN

二、主电路线径的选择
1、电源与变频器之间的导线
和同容量普通电动机的电线选择方法相同。
要求:ΔU≤(2~3)%UN
2、变频器与电动机之间的导线,如下图所示:

3、变频器的功率因数
功率因数的定义 PF=P/S=DF•Kd
式中, PF──功率因数;
P──有功功率,kW;
S──视在功率,kVA;
DF──位移因数,即cosφ;
Kd──电流的畸变因数,等于电流基波分量的有效值与总有效值之比. 如下图所示:

功率因数的改善:
为了改善功率因数或安装场所距大容量电源很近时,必须加直流电抗器和交流电抗器。除改善功率因数外,还有以下作用:
(1) 抑制输入中的浪涌电流;
(2) 削弱电源电压不平衡所带来的影响;
(3)可以将功率因数提高至(0.75~0.85)外;
(4)功率因数可提高0.9左右。
电抗的选用如下图所示:
(1) 电抗器电压降不大于额定电压的3%。
(2) 当变压器容量大于500KVA或变压器容量超过变频器容量10倍以上时,应配电抗器。
交流电抗器

交-直流电抗器
4、变频器的抗干扰
变频器的电压、电流波形如下图所示:

1、外界对变频器的干扰
主要来源于电源进线。当电源系统投入其它设备(如电容器)或由于其它设备的运行(如晶闸管等换相设备)时,容易造成电源的畸变,而损坏变频器的开关管。在变频器的输入电路中串入交流电抗器可有效抑制来源于进线的干扰。
2、变频器对外界的干扰
(1)干扰信号的传播方式
电路耦合方式
即通过电源网络传播,这是变频器输入电流干扰信号的主要传播方式,如下图。

感应耦合方式
(1)电磁感应方式:这是电流干扰信号的主要传播方式如下图。
(2)静电感应方式:这是电压干扰信号的主要传播方式如下图。

空中幅射方式:即以电磁波的方式向空中幅射,如下图。

(2)抗干扰措施
★ 变频器侧
a、感应方式传播的干扰信号,通过正确的布线和采用屏蔽线来消弱;
b、线路传播的干扰信号,可以在线路中串入小电感来消弱;
c、辐射传播的干扰信号,通过吸收方法来消弱(无线电抗干扰滤波器);
d、在变频器输出侧和电机间串入滤波电抗器,可以不仅起到抗干扰作用,还可以消弱由于高次谐波引起的附加转矩,改善电动机的运行特性;
e、在变频器的输出侧,绝对不允许用电容器来吸收谐波电流。
★ 仪器仪表侧
电源隔离法:仪器电源侧接入隔离变压器
信号隔离法:信号侧用光电耦合器隔离
五、制动电阻请勿乱用
1、制动过程中影响泵升电压的因素
(1)拖动系统的飞轮力矩GD2
(2)降速时间tB
2、制动电阻的选择
(1)能耗电路的工作特点 如图所示:

制动电阻的粗略算法
制动电阻值
RB=UD/IB (IB=IMN→TB≈TMN)
制动电阻的消耗功率
PB0=UD2/RB
制动电阻的容量选择
PB=αB •PB0
αB──制动电阻容量的修正系数。在一般情况下:
αB=0.3~0.5
电动机容量小时取小值,大时取大值。
3、制动单元的构成与设计
(1)制动单元的功能与构成如图所示:

(2)用交流接触器代替功率管的要点如图所示:

全站搜索