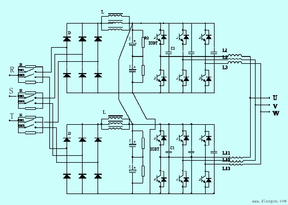
不同系列交-直-交变频器内部的主体电路基本相同,变频调速过程中出现的许多现象,都可通过主体电路来进行分析。因此,熟悉主体电路的结构,透彻了解各部分的原理,具有十分重要的意义。 一、 交直变换 交-直变换电路就是整流和滤波电路,其任务是把电源的三相(或单相)交流电变换成平稳的直流电。由于整流后的直流电压较高,且不允许再降低,因此,在电路结构上具有特殊性。 1、波整流电路 在SPWM变频器中,大多采用桥式全波整流电路。在中、小容量的变频器中,整流器件采用不可控的整流二极管或二极管模块,如图中的VD1~VD6所示。 当三相线电压为380V时,整流后的峰值电压为537V,平均电压为515V。 2、滤波及限流电路 (1)滤波电路,即图中的CF1和CF2。由于受到电解电容的电容量和耐压能力的限制,滤波电路通常由若干个电容器并联成一组,又由两个电容器组CF1和CF2串联而成。因为电解电容器的电容量有较大的离散性,故电容器组CF1和CF2的电容量常不能完全相等。其结果是各电容器组承受的电压UD1和UD2不相等,使承受电压较高一侧的电容器组容易损坏。 为了使UD1和UD2相等,在CF1和CF2旁备并联一个阻值相等的均压电阻RC1和RC2。 (2)限流电路,即图中,串接在整流桥和滤波电容器之间,由限流电阻RL和短路开关SL组成的并联电路。 限流电阻RL的作用是:变频器在接入电源之前,滤波电容CF上的直流电压UD=0。因此,当变频器刚接入电源的瞬间,将有一个很大的冲击电流经整流桥流向滤波电容,使整流桥可能因此而爱到损坏。如果电容器的容量很大,还会使电源电压瞬间下降而形成对电网的干扰。限流电阻RL就是为了削弱该冲击电流而串接在整流桥和滤波电容之间的。 短路开关SL的作用是:限流电阻RL如常期接在电路内,会影响直流电压UD和变频器输出电压的大小。所以,当UD增大到一定程度时,令短路开关SL接通,把RL切出电路。SL大多由晶闸管构成,在容量较小的变频器中,也常由接解器或继电器的触点构成。 3、电源指示 电源指示灯HL除了表示电源是否接通外,还有一个十分重要的功能,即在变频繁器切断电源后,表示滤波电容器CF上的电荷是否已经释放完毕。 由于CF的容量较大,而切断电源又必须在逆变电路停止工作的状态下进行,所以CF没有快速放电的回路,其放电时间往往长达数分钟。又由于CF上的电压较高,如不放完,对人身安全将构成威胁。故在维修变频器时,必须等HL完全熄灭后才能接触变频器内部的导电部分,所以,HL也具有提示保护的作用。 二、 直交变换 1、三相逆变桥电路 逆变桥电路的功能是把直流电转换成三相交流电,其工作原理在绪论中已经说明。 逆变桥电路由图中的开关器件V1~VD6构成。目前中小容量的变频器中,开关器件大部分使用IGBT管。 2、续流电路 由图中的VD7~VD12构成。其功能是: (1) 为电动机绕组的无功电流返回直流电路时提供通路。 (2) 当频率下降从而同步转速下降时,为电动机的再生电能反馈至直流电路提供通路。 (3) 为电路的寄生电感在逆变过程中释放能量提供通路。 3、缓冲电路(R01~R06、C01~C06、VD01~VD06) 逆变管在关断和导通的瞬间,其电压和电流的变化率是很大的,有可能使逆变管受到损害。因此,每个逆变管旁还应接入缓冲电路,以减缓电压和电流的变化率。缓冲电路的结构因逆变管的特性和容量等的不同而有较大差异,图所示是比较典型的一种。各元件的功能如下: (1) 电容C01~C06。逆变管V1~V6每次由导通状态转换成截止状态的过程中,集电极(C极)和发射极(E极)之间的电压UCE将极为迅速地由近乎0V上升至直流电压值UD。在此过程中,电压增长率是很高的,将容易导致逆变管损坏。C01~C06的功能便是减小V1~V6在关断时的电压增长率。 (2) 电阻R01~R06。V1~V6每次由截止状态转换为导通状态时,C01~C06上所充的电压(等于UD)将向V1~V6放电。放电电流的初始值是很大的,并且将迭加到负载电流上,导致V1~V6损坏。电阻R01~R06就是用来限制C01~C06对V1~V6的关断过程中,使R01~R06不起作用。 三、 能耗制动电路 1、耗制动电路的作用 在变频调速系统中,电动机的降速和停机,是通过逐渐减小频率来实现的。在频率刚减小的瞬间,电动机的同步转速随之下降,而由于机械惯性的原因,电动机的转速未变。当同步转速低于转子转速时,转子绕组切割磁力线的方向相反了,转子电流的相位几乎改变了π(180°),使电动机处于发电状态,也称为再生制动状态。 电动机再生的电能经图中的续流二极管(VD7~VD12)全波整流后反馈到直流电路中,由于直流电路的电能无法回输给电网,只能由CF1和CF2吸收,使直流电压升高,称为“泵升电压”。过高的直流电压将使变流器件受到损害。因此,当直流电压超过一定值时,就要求提供一条放电回路,将再生的电能消耗掉。这一条放电回路,就是能耗制动电路。 2、能耗电路的构成 能耗电路由制动电阻RB和制动单元BV构成,如图所示。 制动电阻RB用于消耗掉直流电路中的多余电能,使直流电压保持平稳。 制动单元BV的功能是控制放电回路的工作。具体地说,当真流回路的电压UD超过规定的限值时,VB导通,使直流回路通过RB释放能量,降低直流电压。而当UD在正常范围内时,VB将可靠截止,以避免不必要的能量损失。 四、 主电路 将上述各部分电路汇总后成为主电路,如图所示。  |