你的位置: 首页 > 工业控制 > 变频器软启动器

交-交变频器倍频电路

2017-02-26 17:39:31 | 人围观 | 评论:

  交-交变频器除了可以输出低频交流电源外,还可以有比电网频率更高的交流输出,以应用于感应加热等场合。本文以三倍电网频率的倍频器加以说明。

三倍增频器

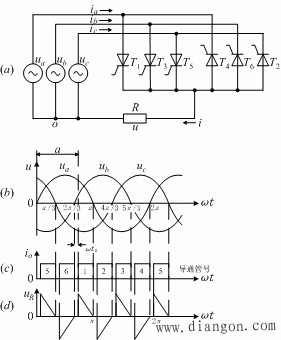
1(a)为三相-单相三倍增频器的原理图,其负载为电阻。正组变流器由T1、T3、T5组成,负组由T2、T4、T6组成。<?XML:NAMESPACE PREFIX = O />





标签:

相关内容推荐:

图1