2017-02-26 17:38:19 | 人围观 | 评论:
一般来说,双闭环调速系统具有比较满意的动态性能。对于调速系统,最重要的动态性能是抗扰性能。主要是抗负载扰动和抗电网电压扰动的性能。
1. 动态跟随性能
在起动、升速时,由于电流环具有很快的动态跟随性能,因此,动态跟随性能双闭环调速系统比单闭环强得多(电流环保证最大电流起动)。
在停车、减速时,由于是不可逆的电力电子变换器,不能产生回馈制动,在制动时,当电流下降到零以后,只好自由停车(靠负载阻力停车),因此动态跟随性能变差。
设计双闭环调速系统,要求电流内环应具有良好的跟随性能。
2. 动态抗扰性能
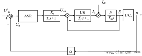
① 抗负载扰动



△U d―电网电压波动在整流电压上的反映
由动态结构图知:电网电压扰动在电流环之内,电压扰动尚未影响到转速前就已经为电流环所抑制。因而双环系统中电网电压扰动引起的动态速降(升)比单环小得多。
因此,电网电压扰动由电流环起调节作用。
全站搜索