你的位置: 首页 > 工业控制 > 变频器软启动器

西门子变频器常见故障现象及维修实例

2017-03-03 15:35:04 | 人围观 | 评论:

 变频器和交流电机组成的交流调速系统具有更宽的允许电压波动范围、更小的体积、更强的通讯能力,更优良的调速性能,在工矿企业中得到了广泛的应用。在变频器的应用中,也会遇到各种各样的故障现象,借助于变频器完善的自诊断保护功能,并通过平时工作中积累的经验来提高处理变频器故障的技术水平,这将明显地缩短对变频器故障处理的时间。我公司粘胶短纤维生产线上共使用西门子6SE70系列变频器260多台,在应用中因受周围环境条件,如:温度、湿度、粉尘、硫化氢腐蚀性气体等因素的影响,出现的各种故障报警现象也很多,在维修过程中我们积累了一些故障处理、维修维护保养的经验,下面对西门子6SE70系列变频器有代表性的故障现象进行分析介绍。此文中电路板图为维修过程中实际测绘下来的(因文中章节多次涉及同一电子器件,电路板图未按照顺序排列,论述问题涉及到的部分电路,请参见相关电路板图),仅代表个人意见,供大家在维修时参考。

  变频器操作手册上的故障对策表中介绍的皆为较常见的故障,在出现未涉及的一些代码时应对变频器作全面检查。变频器的维修方式采用在线电压检测及直流电阻测量两种方法,测量各关键点电压并与正常值进行比较,将故障范围缩小,进行分析判断;测量元器件直流电阻,根据贴片电阻色环进行判断比较,然后将怀疑元器件拆下,再测量元器件直流电阻,采用比较法来确定元器件的好坏。
1、西门子6SE7016-1TA61-Z变频器的操作控制面板PMU液晶显示屏上显示字母“E”报警
  变频器液晶显示屏上出现“E”报警时,变频器不能工作,按P键及重新停、送电均无效,查操作手册又无相关的介绍,在检查外接DC24V电源时,发现电压较低,解决后,变频器工作正常。但是出现“E”报警一般来讲是CUVC板损坏,更换一块新CUVC板就能正常。“E”报警有以下几种情况是由底板及CUVC通讯板故障引起的:
(1)故障现象:操作控制面板PMU液晶显示屏显示“E”报警
  检查处理(参见图1、图2):更换一块新CUVC板送电开机,液晶显示屏仍显示“E”报警,说明故障原因不在CUVC板而在底板。检查底板,用数字万用表测外接DC24V电压正常,检测集成块N3基准电压不正常,集成块N2 20脚输出电压为0.1V,明显偏低,正常值应为15V,查集成块N2的1脚为11.3V,8脚为0.20V,11脚电源输入为27.5V,正常。经分析判断1脚、8脚、20脚电压值都不正常。测集成块N3的1脚电压为0.31V,2脚电压为1.8V,电压值也都偏低。用热风枪拆下N3集成块MC340,测2脚与3脚之间的电阻为84Ω。更换一块新N3集成块MC340后,测各引脚电压,1脚为2.1V,2脚为5.1V,正常。测N2集成块各脚电压也都恢复正常。集成块N3输出电压不正常,引起N2集成块各脚电压也出现偏移。恢复变频器接线,输入参数,启动变频器运行正常。

图1 集成块N2的相关电路 图1 集成块N2的相关电路
图2  集成块N3的相关电路 图2 集成块N3的相关电路
N2集成块L4979各引脚电压数据如表1所示。
N3 集成块MC340各引脚电压数据如表2所示。
(2)故障现象:操作控制面板PMU液晶显示屏显示“E”报警
  检查处理(参见图1、图2):用数字万用表测底板N2、N3集成块各脚电压,N3的1脚N2的8脚电压都偏低,测V28三极管的基极偏置电阻4.7kΩ已变值为150kΩ。更换新贴片电阻,测N2、N3各脚电压正常。因V28基极偏置电阻变值,导致V28三极管截,造成N2、N3集成块不能正常工作。
(3)故障现象:操作控制面板PMU板液晶显示屏显示“E”报警
  检查处理:一台“E”报警的变频器,将变频器原CUVC板上CBT通讯板拆下,装在新CUVC板上,变频器装好CUVC板,启动后。液晶显示屏仍显示“E”报警。拆下CUVC板检查发现CBT通讯板上贴片电阻烧坏。更换新CBT通讯板后,变频器启动工作正常。
(4)故障现象:操作控制面板PMU板液晶显示屏显示“E”报警
  检查处理(参见图1、图2、图4):检查底板电源块N2(L4974A)第1脚的开机电压为11.32V,正常值为26.7V;第20脚输出电压为0.117V,正常值为15.31V;基准电压块N3(MC340)第1脚电压为0.315V,正常值为2.1V;第2脚的电压值在1.5~1.8V之间变化,而正常值为5.1V。检查继电器K4,线圈电路串联两支二极管V16、V15,电阻值分别为3.67Ω和5.5Ω,已经短路,V28(5C)三极管基极电阻由正常值4.7kΩ变为150kΩ,已经烧坏。更换新的电阻和二极管后,运行正常。
2、西门子6SE70系列变频器的操作控制面板PMU液晶显示屏上无显示,“黑屏”
(1)故障现象:西门子6SE7016-1TA61-Z变频器操作控制面板PMU液晶显示屏“黑屏”
  检查处理(参见图3、图1、图2):检查底板V34场效应管K2225,发现栅极保护贴片电阻24Ω变值为500kΩ,已损坏。检测N2集成块的20脚无电压,1脚为11.3V,N3集成块MC340脚为4V,2脚为3.3V。用热风枪将N3集成块MC340拆下测量1脚与3脚之间的阻值变为9kΩ,正常应为500kΩ。更换新的N3集成块MC340和24Ω贴片电阻。上电测试N2、N3集成块各引脚电压,正常。恢复接线,运行正常。
图3  总电源部分电路 图3 总电源部分电路
  操作控制面板PMU液晶显示屏“黑屏”故障,大部分与底板V34电源管控制极24Ω保护贴片电阻变值有直接关系,变值后的电阻值一般为500kΩ~1MΩ之间,有的电阻值变为无穷大。
(2)故障现象:操作控制面板PMU液晶显示屏“黑屏”
  检查处理(参见图4、图3、图2):检查底板,测量K4继电器线圈并联续流二极管V20,与K4线圈串接二极管V16击穿短路,测N7电源块L7824损坏,N4集成块UC3844AN 1脚对地电阻500Ω,正常值应为15kΩ。更换同型号二极管2支、N4集成块UC3844AN、N7电源块L7824后,测试各点电压正常。
图4  X9端子与继电器K4的相关电路 图4 X9端子与继电器K4的相关电路
N4集成块UC3844AN各引脚电压数据如表3所示。
N7 集成块L7824各引脚电压数据如表4所示。
(3)故障现象:操作控制面板PMU液晶显示屏“黑屏”
  检查处理(参见图3):检查底板,测量N4集成块UC3844AN 4-8脚之间的7.5KΩ电阻烧坏,V34场效应管K2225栅极限流电阻R133变值为720kΩ,用热风枪将贴片电阻拆下,更换新贴片电阻。上电测试各点电压,正常。恢复接线,送电运行正常。
(4)故障现象:操作控制面板PMU液晶显示屏“黑屏”
  检查处理(参见图3、图5):检查底板,测量V34场效应管K2225,发现栅极保护贴片电阻24Ω变值为430kΩ,电源变压器T6二次绕组之间,经V58串联连接的5只相并联的100Ω电阻值为33Ω,拆下测100Ω电阻其中一只已变值为10MΩ,另一只电阻变值为1MΩ。更换24Ω、100Ω电阻。
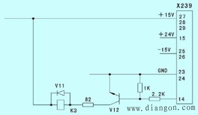
图5  X239端子与集成块N5的相关电路 图5 X239端子与集成块N5的相关电路
(5)故障现象:操作控制面板PMU液晶显示屏“黑屏”
  检查处理:检查底板,25A正负熔断器F1、F2全部熔断(见图6),测量IGBT模块输出端U相与V相之间,电阻值为11Ω,已经短路,(正常阻值应该为210kΩ),IGBT模块触发部分触发板A12、A32、A22的3脚与4脚和7脚、5脚、8脚的电阻值变为1.9Ω,已经短路。更换同型号六单元IGBT模块(型号为BSM15G120DN12)与触发电路板A12、A32、A22后,恢复接线,变频器上电,测量各个电源输出电压正常,IGBT模块6个触发电路脚电压为-5.1V,正常,显示正常。
图6  6SE701G变频器主电路图 图6 6SE701G变频器主电路图
(6)故障现象:操作控制面板PMU液晶显示屏“黑屏”
  检查处理(参见图3):检查底板电源部分,查N4(UC3844)PWM脉宽调制集成块,测量外接4脚振荡电阻原为7.5Ω,现在变为420kΩ,运行正常。
(7)故障现象:操作控制面板PMU液晶显示屏“黑屏”
  检查处理(参见图3):检查底板:主开关电源开关管V34(K2225)栅极限流电阻R133(100Ω和24Ω)电阻烧坏,测量N4(3844)PWM集成块,3脚过流保护外接电阻由正常时的100Ω变为400kΩ,更换后,运行正常。
(8)故障现象:操作控制面板PMU液晶显示屏“黑屏”
  检查处理(参见图3、图7、图10):检查底板开关电源,脉宽调制集成块N4,测量第4脚与第8脚振荡电阻由正常时的7.5kΩ变为420kΩ,第6脚输出电阻R133由正常时的100Ω变为300Ω,电压检测部分N1(TL084)第14脚输出外接电阻R203由正常时的47Ω变为544kΩ,触发板输出电阻IGBT第11脚接电阻R226由正常时的9Ω(两支18Ω电阻并联)变为144Ω,第4脚R214由正常时的18.5Ω变为21Ω,第3脚接电阻R126由正常时的9Ω变为18.3Ω,第1脚接电阻R116由正常时的9Ω变为12.6Ω,将上面的电阻重新更换后,运行正常。
图7  电流电压检出板电路 图7 电流电压检出板电路
(9)故障现象:操作控制面板PMU液晶显示屏“黑屏”
  检查处理(参见图3、图2):检查底板开关电源,开关管V34(K2255)场效应管栅极2000Ω限流电阻烧坏,V28(5C)三极管10kΩ和1.2kΩ基极电阻均烧坏,N3基准电压块MC340的第一脚接1000Ω电阻烧坏,更换新电阻后,运行正常。
(10)故障现象:操作控制面板PMU液晶显示屏“黑屏”
  检查处理(参见图3):检查底板开关电源,开关管V34(K2255)和漏极电阻R400(10Ω)烧坏,其他正常,更换后,插好CUVC板,变频器上电,显示“008”开机封锁,重新初始化,输入参数后,运行正常。
(11)故障现象:操作控制面板PMU液晶显示屏“黑屏”
  检查处理(参见图1、图7):检查底板,上电,听到开关电源“咝咝”声音很大,测量各输出点电压,集成块N2的20脚输出电压稍微偏低为14.95V,正常值为15.30V,其他各点输出电压正常。停电,测量电流检测板A1,发现4脚与7脚之间电阻值为2.84Ω,正常值约为3.1kΩ,更换一块电流检测板A1后,变频器上电显示“F029”,测量A1板的1脚与4脚之间的电阻值为无穷大,正常值为25Ω,拆下U相电流变送器T4,测量T4与电流检测板A1的1脚、4脚并接的线圈电阻,阻值为无限大,线圈断路(线圈的正常阻值为25Ω)。更换新的电流变送器T4后,变频器上电,运行正常。
(12)故障现象:操作控制面板PMU液晶显示屏“黑屏”
  检查处理(参见图8、图7):检查,上电,自检完成后,内部继电器K3吸一下就跳,连接X9的7点与9点闭合一下马上断开(K3的常开点外接主电路接触器线圈)测量各点输出电压正常,断电测量电流检测板A1的第4脚与第6脚之间的电阻值为2140Ω,正常电阻值为3200Ω,更换电流检测板后,运行正常。
图8  X239端子和继电器K3的相关电路 图8 X239端子和继电器K3的相关电路
(13)故障现象:操作控制面板PMU液晶显示屏“黑屏”
  检查处理(参见图9):检查底板、二次电源,逆变开关管V2(IRF520)场效应管,栅极限流电阻由原正常阻值10Ω变为590kΩ,拆下测量为11MΩ,更换后,运行正常。
图9  触发电源板电路 图9 触发电源板电路
 
 
 
 
 
 
 
 
3、西门子变频器的操作控制面板PMU液晶显示屏上显示“008”,开机封锁
  变频器起动自检完毕,出现开机封锁“008”报警,008是启动封锁,一般,故障复位以后,要将“使能”、“ON/OFF1”置0,如果仍然在008状态,要检查系统的“OFF2”是不是置0了;或者硬件的“紧急停车”端子开路了;或者功率定义错了(例如功率定义应为43,结果定义成36);最后检查比较状态字1,位6的状态字有没有问题,如果状态字正常,应检查变频器电路板。
(1)故障现象:操作控制面板PMU液晶显示屏显示“008”
  检查处理(参见图10):检查触发板A21集成块,9脚外接7.5kΩ电阻,变值为298kΩ。更换新电阻后,运行正常。
(2)故障现象:操作控制面板PMU液晶显示屏显示“008”开机封锁不能复位。
  检查处理(参见图8、图5):将变频器重新初始化,输入参数,显示“009”开机准备状态。变频器带负载上电,加入给定频率,输出正常。5min后,K3继电器带外接主接触器出现断续的掉电声,停电检查变频器,更换一块新CUVC板,开机后变频器故障依旧,停电检查变频器主板,检测到N5(MC33167T)集成块时,电源发出“咝咝”声,断电,用万用表电阻挡检查,发现接1脚100kΩ电阻烧坏。底板控制K3继电器三极管V12基极电阻变值为4kΩ,正常值应为2.2kΩ。更换损坏的贴片电阻后,运行正常。

(3)西门子6SE7023-4TC61-E变频器操作控制面板PMU显示屏显示“OO8”故障维修
  检查处理(参见图2、图1、图5):检查底板电源N3正常,N2第20脚输出电压14.50V,稍微偏低,正常值为15.30V,N5第二脚电压为5.6V,测量使电源发出“咝咝”响声,查为第1脚处外接100kΩ电阻、CUVC板连接器X239A第20脚接3.3kΩ电阻烧坏,更换后,变频器上电,显示“009”,启动后,正常。
4、西门子6SE7021-OTA61-Z变频器的操作控制面板PMU液晶显示屏上显示“F008”报警
(1)故障现象:操作控制面板PMU液晶显示屏显示“F008”,复位后显示“009”开机准备,变频器起动,加入给定频率20s后,显示“F008”报警
  检查处理(参见图7):检查变频器电压、电流检测集成块N1(TL084)接3脚的电阻R209由4.7Ω变值为888kΩ,接14脚电阻R203由4.7Ω变值为185kΩ。更换新电阻后,正常。
(2)故障现象:上电自检完后,变频器操作控制面板PMU显示屏显示“FOO8”,复位后显示“OO9”,但不能启动。
  检查处理(参见图10):检查触发电路检测部分三极管V17(5C)集电极电阻R152,阻值为1.69kΩ,正常时的电阻值应为1.275kΩ(4只5.1kΩ贴片电阻并联),其中一只电阻烧坏,更换一只新电阻后,正常。

图10  触发板电路图 图10 触发板电路图
(3)故障现象:上电自检完后,变频器操作控制面板PMU显示屏显示“FOO8”,复位后显示“OO9”,启动后给定频率,20s后跳闸,显示“FOO8”。
  检查处理(参见图7):检查电流电压的检测部分运算放大器N1(TL084)集成块第7脚的输出外接电阻R209,电阻值由正常时的47Ω变为888kΩ,第14脚输出外接电阻R203,电阻值由正常值47Ω变为185kΩ,更换新电阻后,正常。
(4)故障现象:操作控制面板PMU显示屏显示“F008”报警,变频器上电自检,显示“009”开机准备状态,但是随后显示“F008”不能启动。
  检查处理(参见图7):检查底板电压、电流检测部分,发现R56在线测量阻值为4.3kΩ,正常值为900Ω,用热风枪拆下测量阻值为1MΩ,已经烧坏。更换新电阻值后,运行正常。
5、西门子6SE70系列变频器的操作控制面板PMU液晶显示屏上显示“F011”报警
(1)故障现象:操作控制面板PMU液晶显示屏显示“F011”报警,不能复位
  检查处理(参见图7):电压检测块N1(TL084)7脚外接47Ω电阻变为15Ω,V2(IRF520)G极保护电阻由正常阻值10Ω变为340kΩ,更换后,运行正常。
(2)故障现象:操作控制面板PMU液晶显示屏显示“F011”报警,且变频器有焦糊味。
  检查处理(参见图1、图5、图10):测量N2第20脚输出电压只有5.1V,1脚输出电压为16.5V,检查发现N2第9脚接1kΩ电阻烧坏,N5第1脚接100kΩ电阻变为20MΩ,3脚外接10Ω电阻变为2MΩ,触发板A22第3脚与第4脚接4.7kΩ电阻烧坏,更换上述电阻后,运行正常。
2.6 6SE7022-6TA61-E 变频器上电初始运行正常,10s后就跳闸,显示“F006”
  检查处理(参见图10):检查变频器底板,测量各点电压正常,未发现问题,后来将IGBT模块、触发电路板A21、三极管V17(5C)、各个管脚重新焊接后,运行正常。

   在西门子6SE70变频器的常见维修中,由于其电路板上选用的大都是贴片电阻、电容、贴片二极管、三极管、IC芯片,因受电路板体积所限,所选用元器件体积及功率都很小,因受周围环境温度的影响导致电路板散热不太好,引起的故障所占比例较大。
  再加上化纤行业粘胶短纤维生产现场含硫化氢腐蚀性气体,电气控制室为了减少腐蚀性气体的侵入采用封闭式的,因通风效果不好,导致电气控制室内温度升高,这也是6SE70变频器电路板小功率器件损坏的一个因素。
  为了解决以上问题,我公司专门上了一套空调系统,用正压新鲜风来改善环境条件。为了减少硫化氢腐蚀性气体对电路板上元器件的腐蚀,我们还采用电子线路板用喷涂胶,对变频器电路板表面作防腐涂层处理,有效地降低了变频器的故障率,提高了使用效率。
  在日常维护时,一方面应注意检查电网电压,改善变频器、电机及线路的周边环境,定期清除变频器内部灰尘,通过加强设备管理最大限度地降低变频器的故障率。另一方面应注意在维修过程中尽量减少静电的危害,较高的静电电压可能对电子元件造成损坏,在更换电路板及元器件时,应该佩戴防静电接地环和防静电腕带,没有条件时可以将防静电接地线缠绕于腕上。
  变频器的维修工作是一项理论知识、实践经验与操作水平的结合,它的技术水平代表着变频器的维修质量。所以我们要经常阅读一些有关的书报杂志,不断了解这些电子元器件所具备的功能和特点,开拓我们的思路,给我们维修工作以启迪,并将这些学到的知识应用于实际工作中,解决一些维修过程中无法解决的问题,使我们的技术水平不断提高。





标签: