2016-10-28 15:57:46 | 人围观 | 评论:
使用上篇文章基本逻辑指令已能编制很多实用程序,如顺序、联锁、计时和计数等顺序逻辑控制电路。
1、输入继电器触点的处理
由于plc是由继电器逻辑控制系统发展而来的,因此将一个继电器控制线路转化成PLC的梯形图是很容易实现的。在输入端子接入动合触点时,梯形图中对应的触点仍然是动合触点。如果在输入端子接入的是动断触点,则在梯形中对应的触点是动合触点还是动断触点,需要根据具体情况而定。
如图1所示的三相异步电动机的启停控制线路有两个动断触点,一个是停止按钮的动断触点SB1,另一个是热继电器的动断触点FR。在将此控制线路图转化为图2(b)所示的梯形图时,首先要考虑输入设备的接线,然后再考虑在梯形图程序中的通断状态。

图1 电动机的启停控制线路
图2(a)中,在未按启动按钮SB2时,输入继电器0002是OFF状态,而0003、 0004均为ON状态。按下启动按钮SB2,0002也为ON状态,输出继电器0500线圈接通并自保持。需要停车时,按下停止按钮SB1,0003为OFF,断开了输出继电器0500,从而使电动机停车。注意:在图2(a)中,停止按钮SB1接的是动断触点,而在梯形图中,对应于停止按钮的输入继电器0003所使用的触点却是动合触点。如果SB1用的是动合触点,0003则应用动断触点。

图2 I/O接线图及梯形图
通常输入设备(尤其是控制按钮和行程开关)在I/O接线图中是按照接入动合触点来考虑的,这样停止按钮在梯形图程序中就应以动断触点的形式出现。对于某些只能使用动断触点的设备,例如用热继电器的动断触点作过载保护,在I/O接线图中只能使用其动断触点,这样在梯形图中应根据编程时所使用的输出器件(是一般输出继电器还是锁存器)来决定其触点的开、闭状态。
2、输出线圈的使用问题
PLC的梯形图程序中涉及到大量的各式继电器,在梯形图中应合理安排和使用继电器的线圈。
(1)不允许两个线圈串联使用。和继电器控制线路一样,梯形图中也不允许串联使用继电器的线圈。
(2)一般不允许重复使用同一个继电器的线圈号。在梯形图中,除非某继电器可不同时工作在两种状态完全相反的控制逻辑中(如执行跳转指令),继电器的线圈号一般不允许重复使用。
(3)并联输出。在梯形图中,两个以上的继电器线圈可并联使用。如图3所示就是三个线圈并联使用。

图3 并联输出
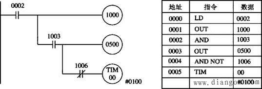
连续输出。图4中的三个继电器线圈1000、 0500和TIM00不属于并联连接,在PLC的梯形图中,把这种结构称为连续输出。请注意在第2条语句OUT 1000之后,虽然在梯形图中的该梯级输出处又出现一个新的逻辑母线,并经1003的动断触点,输出到线圈0500,然而在这个新出现的逻辑母线后,并不是用LD 1003而是用AND 1003指令来执行连续输出的功能。第5条语句中的1006与此相同。

图4 连续输出
(5)分支输出。分支输出在梯形图中是大量可见的,其结构形式是在分支点引出新的逻辑母线,从这条逻辑母线上引出的每个支路到线圈之间至少有一个或一个以上的触点,每个支路中两个以上的触点组合可以是串联或并联的关系。如图1所示即是分支输出。处理具有分支输出的程序的方法,可以用暂存继电器TR,也可以用功能指令IL和ILC指令。
3、基本逻辑指令应用实例
例1 点动和长动。图5(a)中,0002闭合,0500得电;0002断开,0500失电。图5(b)中,0002闭合后即使立即断开,0500也会得电自锁,0500的失电由0003来控制。自锁控制也可用功能指令KEEP来实现。

图5 点动和长动
例2 联锁控制。图6(a)中,0002闭合后0500得电并自锁,0501在0500得电后0004闭合,0003和0005分别控制0500和0501的失电。

图6 联锁控制
图6(b)中,0500和0501不能同时得电。
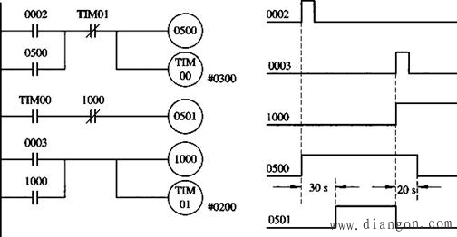
例3 延时、顺序控制。图7中,0002闭合后,0500得电并自锁,同时定时器TIM00开始计时,30s后TIM00动合触点闭合使0501得电。0003闭合后,1000得电并自锁,1000的动断触点断开使0501立即失电,同时定时器TIM01开始计时,20s后TIM01动作,其动断触点断开使0500失电。

图7 延时、顺序控制
全站搜索