2016-12-19 16:25:09 | 人围观 | 评论:
三菱FX系列plc有基本逻辑指令20或27条、步进指令2条、功能指令100多条(不同系列有所不同)。本节以FX2N为例,介绍其基本逻辑指令和步进指令及其应用。
一、三菱FX系列PLC的基本逻辑指令
三菱FX2N的共有27条基本逻辑指令,其中包含了有些子系列PLC的20条基本逻辑指令。
1.取指令与输出指令(LD/LDI/LDP/LDF/OUT)
(1)LD(取指令) 一个常开触点与左母线连接的指令,每一个以常开触点开始的逻辑行都用此指令。
(2)LDI(取反指令) 一个常闭触点与左母线连接指令,每一个以常闭触点开始的逻辑行都用此指令。
(3)LDP(取上升沿指令) 与左母线连接的常开触点的上升沿检测指令,仅在指定位元件的上升沿(由OFF→ON)时接通一个扫描周期。
(4)LDF(取下降沿指令) 与左母线连接的常闭触点的下降沿检测指令。
(5)OUT(输出指令) 对线圈进行驱动的指令,也称为输出指令。
取指令与输出指令的使用如图1所示。

图1 取指令与输出指令的使用
取指令与输出指令的使用说明:
1)LD、LDI指令既可用于输入左母线相连的触点,也可与ANB、ORB指令配合实现块逻辑运算;
2)LDP、LDF指令仅在对应元件有效时维持一个扫描周期的接通。图3-15中,当M1有一个下降沿时,则Y3只有一个扫描周期为ON。
3)LD、LDI、LDP、LDF指令的目标元件为X 、Y 、M 、T、C、S;
4)OUT指令可以连续使用若干次(相当于线圈并联),对于定时器和计数器,在OUT指令之后应设置常数K或数据寄存器。
5)OUT指令目标元件为Y、M、T、C和S,但不能用于X。
2.触点串联指令(AND/ANI/ANDP/ANDF)
(1)AND(与指令) 一个常开触点串联连接指令,完成逻辑“与”运算。
(2)ANI(与反指令) 一个常闭触点串联连接指令,完成逻辑“与非”运算。
(3)ANDP 上升沿检测串联连接指令。
(4)ANDF 下降沿检测串联连接指令。
触点串联指令的使用如图2所示。

图2 触点串联指令的使用
触点串联指令的使用的使用说明:
1)AND、ANI、ANDP、ANDF都指是单个触点串联连接的指令,串联次数没有限制,可反复使用。
2)AND、ANI、ANDP、ANDF的目标元元件为X、Y、M、T、C和S。
3)图3-16中OUT M101指令之后通过T1的触点去驱动Y4称为连续输出。
3.触点并联指令(OR/ORI/ORP/ORF)
(1)OR(或指令) 用于单个常开触点的并联,实现逻辑“或”运算。
(2)ORI(或非指令) 用于单个常闭触点的并联,实现逻辑“或非”运算。
(3)ORP 上升沿检测并联连接指令。
(4)ORF 下降沿检测并联连接指令。
触点并联指令的使用如图3所示。

图3 触点并联指令的使用
触点并联指令的使用说明:
1)OR、ORI、ORP、ORF指令都是指单个触点的并联,并联触点的左端接到LD、LDI、LDP或LPF处(例图4-4的左母线),右端与前一条指令对应触点的右端相连。触点并联指令连续使用的次数不限;
2)OR、ORI、ORP、ORF指令的目标元件为X、Y、M、T、C、S。
4.块操作指令(ORB / ANB)
(1)ORB(块或指令) 用于两个或两个以上的触点串联连接的电路之间的并联。ORB指令的使用如图4所示。

图4 ORB指令的使用
ORB指令的使用说明:
1)几个串联电路块并联连接时,每个串联电路块开始时应该用LD或LDI指令;
2)有多个电路块并联回路,如对每个电路块使用ORB指令,则并联的电路块数量没有限制;
3)ORB指令也可以连续使用,但这种程序写法不推荐使用,LD或LDI指令的使用次数不得超过8次,也就是ORB只能连续使用8次以下。
(2)ANB(块与指令) 用于两个或两个以上触点并联连接的电路之间的串联。ANB指令的使用说明如图5所示。

图5 ANB指令的使用
ANB指令的使用说明:
1)并联电路块串联连接时,并联电路块的开始均用LD或LDI指令;
2)多个并联回路块连接按顺序和前面的回路串联时,ANB指令的使用次数没有限制。也可连续使用ANB,但与ORB一样,使用次数在8次以下
5.置位与复位指令(SET/RST)
(1)SET(置位指令) 它的作用是使被操作的目标元件置位并保持。
(2)RST(复位指令) 使被操作的目标元件复位并保持清零状态。
SET、RST指令的使用如图6所示。当X0常开接通时,Y0变为ON状态并一直保持该状态,即使X0断开Y0的ON状态仍维持不变;只有当X1的常开闭合时,Y0才变为OFF状态并保持,即使X1常开断开,Y0也仍为OFF状态。

图6 置位与复位指令的使用
SET 、RST指令的使用说明:
1)SET指令的目标元件为Y、M、S,RST指令的目标元件为Y、M、S、T、C、D、V 、Z。RST指令常被用来对D、Z、V的内容清零,还用来复位积算定时器和计数器。
2)对于同一目标元件,SET、RST可多次使用,顺序也可随意,但最后执行者有效。
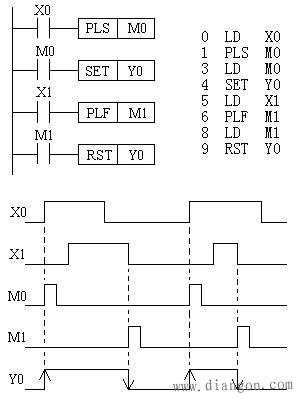
6.微分指令(PLS/PLF)
(1)PLS(上升沿微分指令) 在输入信号上升沿产生一个扫描周期的脉冲输出。
(2)PLF(下降沿微分指令) 在输入信号下降沿产生一个扫描周期的脉冲输出。
微分指令的使用如图7所示,利用微分指令检测到信号的边沿,通过置位和复位命令控制Y0的状态。

图7 微分指令的使用
PLS、PLF指令的使用说明:
1)PLS、PLF指令的目标元件为Y和M;
2)使用PLS时,仅在驱动输入为ON后的一个扫描周期内目标元件ON,如图7所示,M0仅在X0的常开触点由断到通时的一个扫描周期内为ON;使用PLF指令时只是利用输入信号的下降沿驱动,其它与PLS相同。
7.主控指令(MC/MCR)
(1)MC(主控指令) 用于公共串联触点的连接。执行MC后,左母线移到MC触点的后面。
(2)MCR(主控复位指令) 它是MC指令的复位指令,即利用MCR指令恢复原左母线的位置。
在编程时常会出现这样的情况,多个线圈同时受一个或一组触点控制,如果在每个线圈的控制电路中都串入同样的触点,将占用很多存储单元,使用主控指令就可以解决这一问题。MC、MCR指令的使用如图8所示,利用MC N0 M100实现左母线右移,使Y0、Y1都在X0的控制之下,其中N0表示嵌套等级,在无嵌套结构中N0的使用次数无限制;利用MCR N0恢复到原左母线状态。如果X0断开则会跳过MC、MCR之间的指令向下执行。

图8 主控指令的使用
MC、MCR指令的使用说明:
1)MC、MCR指令的目标元件为Y和M,但不能用特殊辅助继电器。MC占3个程序步,MCR占2个程序步;
2)主控触点在梯形图中与一般触点垂直(如图8中的M100)。主控触点是与左母线相连的常开触点,是控制一组电路的总开关。与主控触点相连的触点必须用LD或LDI指令。
3)MC指令的输入触点断开时,在MC和MCR之内的积算定时器、计数器、用复位/置位指令驱动的元件保持其之前的状态不变。非积算定时器和计数器,用OUT指令驱动的元件将复位,如图3-22中当X0断开,Y0和Y1即变为OFF。
4)在一个MC指令区内若再使用MC指令称为嵌套。嵌套级数最多为8级,编号按N0→N1→N2→N3→N4→N5→N6→N7顺序增大,每级的返回用对应的MCR指令,从编号大的嵌套级开始复位。
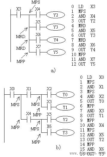
8.堆栈指令(MPS/MRD/MPP)
堆栈指令是FX系列中新增的基本指令,用于多重输出电路,为编程带来便利。在FX系列PLC中有11个存储单元,它们专门用来存储程序运算的中间结果,被称为栈存储器。
(1)MPS(进栈指令) 将运算结果送入栈存储器的第一段,同时将先前送入的数据依次移到栈的下一段。
(2)MRD(读栈指令) 将栈存储器的第一段数据(最后进栈的数据)读出且该数据继续保存在栈存储器的第一段,栈内的数据不发生移动。
(3)MPP(出栈指令) 将栈存储器的第一段数据(最后进栈的数据)读出且该数据从栈中消失,同时将栈中其它数据依次上移。
堆栈指令的使用如图9所示,其中图9a为一层栈,进栈后的信息可无限使用,最后一次使用MPP指令弹出信号;图9b为二层栈,它用了二个栈单元。

图9 堆栈指令的使用
a) 一层栈 b) 二层栈
堆栈指令的使用说明:
1)堆栈指令没有目标元件;
2)MPS和MPP必须配对使用;
3)由于栈存储单元只有11个,所以栈的层次最多11层。
9.逻辑反、空操作与结束指令(INV/NOP/END)
(1)INV(反指令) 执行该指令后将原来的运算结果取反。反指令的使用如图10所示,如果X0断开,则Y0为ON,否则Y0为OFF。使用时应注意INV不能象指令表的LD、LDI、LDP、LDF那样与母线连接,也不能象指令表中的OR、ORI、ORP、ORF指令那样单独使用。

图10 反指令的使用
(2)NOP(空操作指令) 不执行操作,但占一个程序步。执行NOP时并不做任何事,有时可用NOP指令短接某些触点或用NOP指令将不要的指令覆盖。当PLC执行了清除用户存储器操作后,用户存储器的内容全部变为空操作指令。
(3)END(结束指令) 表示程序结束。若程序的最后不写END指令,则PLC不管实际用户程序多长,都从用户程序存储器的第一步执行到最后一步;若有END指令,当扫描到END时,则结束执行程序,这样可以缩短扫描周期。在程序调试时,可在程序中插入若干END指令,将程序划分若干段,在确定前面程序段无误后,依次删除END指令,直至调试结束。
二、三菱FX系列PLC的步进指令
1.步进指令(STL/RET)
步进指令是专为顺序控制而设计的指令。在工业控制领域许多的控制过程都可用顺序控制的方式来实现,使用步进指令实现顺序控制既方便实现又便于阅读修改。
FX2N中有两条步进指令:STL(步进触点指令)和RET(步进返回指令)。
STL和RET指令只有与状态器S配合才能具有步进功能。如STL S200表示状态常开触点,称为STL触点,它在梯形图中的符号为
,它没有常闭触点。我们用每个状态器S记录一个工步,例STL S200有效(为ON),则进入S200表示的一步(类似于本步的总开关),开始执行本阶段该做的工作,并判断进入下一步的条件是否满足。一旦结束本步信号为ON,则关断S200进入下一步,如S201步。RET指令是用来复位STL指令的。执行RET后将重回母线,退出步进状态。
2.状态转移图
一个顺序控制过程可分为若干个阶段,也称为步或状态,每个状态都有不同的动作。当相邻两状态之间的转换条件得到满足时,就将实现转换,即由上一个状态转换到下一个状态执行。我们常用状态转移图(功能表图)描述这种顺序控制过程。如图3-25所示,用状态器S记录每个状态,X为转换条件。如当X1为ON时,则系统由S20状态转为S21状态。

图11 状态转移图与步进指令
状态转移图中的每一步包含三个内容:本步驱动的内容,转移条件及指令的转换目标。如图11中S20步驱动Y0,当X1有效为ON时,则系统由S20状态转为S21状态,X1即为转换条件,转换的目标为S21步。
3.步进指令的使用说明
1)STL触点是与左侧母线相连的常开触点,某STL触点接通,则对应的状态为活动步;
2)与STL触点相连的触点应用LD或LDI指令,只有执行完RET后才返回左侧母线;
3)STL触点可直接驱动或通过别的触点驱动Y、M、S、T等元件的线圈;
4)由于PLC只执行活动步对应的电路块,所以使用STL指令时允许双线圈输出(顺控程序在不同的步可多次驱动同一线圈);
5) STL触点驱动的电路块中不能使用MC和MCR指令,但可以用CJ指令;
6)在中断程序和子程序内,不能使用STL指令。
全站搜索