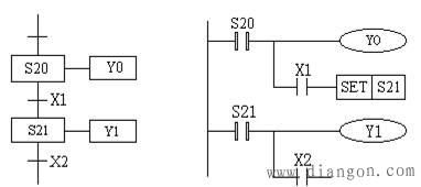
1.步进指令(STL/RET) 步进指令是专为顺序控制而设计的指令。在工业控制领域许多的控制过程都可用顺序控制的方式来实现,使用步进指令实现顺序控制既方便实现又便于阅读修改。 FX2N中有两条步进指令:STL(步进触点指令)和RET(步进返回指令)。 STL和RET指令只有与状态器S配合才能具有步进功能。如STL S200表示状态常开触点,称为STL触点,它在梯形图中的符号为 ,它没有常闭触点。我们用每个状态器S记录一个工步,例STL S200有效(为ON),则进入S200表示的一步(类似于本步的总开关),开始执行本阶段该做的工作,并判断进入下一步的条件是否满足。一旦结束本步信号为ON,则关断S200进入下一步,如S201步。RET指令是用来复位STL指令的。执行RET后将重回母线,退出步进状态。 2.状态转移图 一个顺序控制过程可分为若干个阶段,也称为步或状态,每个状态都有不同的动作。当相邻两状态之间的转换条件得到满足时,就将实现转换,即由上一个状态转换到下一个状态执行。我们常用状态转移图(功能表图)描述这种顺序控制过程。如图1所示,用状态器S记录每个状态,X为转换条件。如当X1为ON时,则系统由S20状态转为S21状态。
 图1 状态转移图与步进指令 状态转移图中的每一步包含三个内容:本步驱动的内容,转移条件及指令的转换目标。如图3-25中S20步驱动Y0,当X1有效为ON时,则系统由S20状态转为S21状态,X1即为转换条件,转换的目标为S21步。状态转移图与梯形图的对称关系也显示在图4-14中。 3.步进指令的使用说明 1)STL触点是与左侧母线相连的常开触点,某STL触点接通,则对应的状态为活动步; 2)与STL触点相连的触点应用LD或LDI指令,只有执行完RET后才返回左侧母线; 3)STL触点可直接驱动或通过别的触点驱动Y、M、S、T等元件的线圈; 4)由于plc只执行活动步对应的电路块,所以使用STL指令时允许双线圈输出(顺控程序在不同的步可多次驱动同一线圈); 5) STL触点驱动的电路块中不能使用MC和MCR指令,但可以用CJ指令; 6)在中断程序和子程序内,不能使用STL指令。 |