2018-09-08 09:45:46 | 人围观 | 评论:

表 I/O分配表
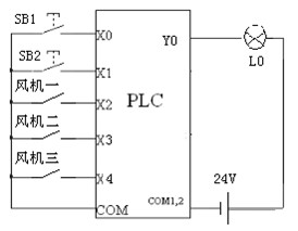
2、绘制plc硬件接线图及硬件连接
根据I/O分配,绘制PLC硬件接线图,如图1所示。

图1 电动机运行监视系统PLC接线图
3、系统的软件设计
系统的PLC程序参照图2电动机运行监视系统梯形图。

图2 电动机运行监视系统梯形图
4、系统调试运行
1.按照图1连接好PLC的输入和输出;
2.输入图2的梯形图,并将程序下载到PLC。
3.将PLC运行开关打到RUN,运行程序。
5.操作控制按钮,观察运行结果:按下SB2,监控系统开始运行。如果两台以上风机同时工作,Y0持续接通;如果仅有一台风机工作,则信号灯以0.5Hz闪烁;如果三台风机都不工作,则信号灯以1Hz频率。按下停止按钮SB1,系统停止运行,信号灯停止。
6.分析程序运行结果,编写相关技术文件。
全站搜索