首页
电工知识
机械维修
仪器仪表
工业控制
试题总结
安全用电
电力配电
电工配件
导航
本站搜索
电工知识
机械维修
仪器仪表
工业控制
试题总结
安全用电
电力配电
电工配件
家电弱电
业界资讯
通信技术
你的位置:
首页
>
工业控制
>
三菱plc
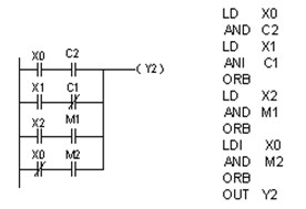
plc串联电路块并联指令ORB
2018-09-08 09:45:50 | 人围观 |
评论:
由2个及以上的接点进行串联的电路称为串联电路块,将串联电路块进行并联时,使用指令ORB。分支的开始用LD、LDI指令,分支结束用ORB指令。ORB指令与ANB指令均为无目标元件指令,步长为1步。ORB指令的使用说明如图所示。
(a)梯形图 (b)语句表(一)
图 ORB指令的应用
< 上一篇
三菱FX2N系列PLC型号名称命名
下一篇 >
三菱FX2N系列PLC硬件分类
标签:
[db:tags]
相关内容推荐:
2021-04-13
单相异步电动机正反转原理
2021-04-13
鼠笼型和绕线式三相异步电动机的区别
2021-04-13
三十年老电工**不成 反被实力打脸
2021-04-13
万用表这些功能键的作用 很多干一辈子老电工都不一定清楚
2021-04-13
多种原因所致漏电保护器跳闸动作故障一例
2021-04-13
星三角启动:星型启动正常,转三角型启动后电机异响不转的原因
2021-04-13
电气工程专业必学软件简要介绍
2021-04-13
这五大难点 让多少电工人倒在了学习电子知识的道路上
2021-03-26
电机常见的4种轴伸型式
2021-03-26
伤不起!非电击因素所致电工从业者伤害事故五例
2021-03-26
电工维修三十六计之偷梁换柱
2021-03-26
变频驱动新电机转无力的原因竟在故障之外
推荐阅读
什么都不会可以学习电工吗?电工难学吗?电工应该怎么样入门?电工应该怎么样学精通?
安防门禁系统常见故障及维修方法
智能门锁用什么电池好?智能门锁电池用碳性好还是碱性好?常见5号AA电池选购指南
装修时零线火线接反了怎么办?老电工教您一招三分钟搞定
小型断路器上标数字都表示什么?小型断路器参数解析
电工经验分享:几个小窍门让你工作起来得心应手
万用表判断单相电机好坏方法图解
家装配电箱接线是否每个回路的零线都要接在零线排上?
电工入门到底该怎么样学习?电工入门应该五步走
电热水壶内部电路原理图及故障维修方法
最热文章
安装监控需要多少钱?人工费怎么算?安装监控收费标准
电容的公式
电热水壶内部电路原理图及故障维修方法
2020年电工职业资格证取消了?电工职业资格证退出国家目录
7812引脚图及参数,7812稳压电路图
雅迪电动车控制器接线图解读
plc编程工资多少一个月
汽车电动车窗的组成和电路图工作原理图解
新版电工证是不是只有电子版?电工证二维码能造假吗?新二维码电工证照图片
漏电保护器图形符号和文字符号
全站搜索