2017-02-26 16:25:54 | 人围观 | 评论:

步进电动机不能直接接到工频交流或直流电源上工作,而必须使用专用的步进电动机驱动器,如图2所示,它由脉冲发生控制单元、功率驱动单元、保护单元等组成。图中点划线所包围的二个单元可以用微机控制来实现。驱动单元与步进电动机直接耦合,也可理解成步进电动机微机控制器的功率接口,这里予以简单介绍。

图2 步进电动机驱动控制器
1. 单电压功率驱动接口
实用电路如图3所示。在电机绕组回路中串有电阻Rs,使电机回路时间常数减小,高频时电机能产生较大的电磁转矩,还能缓解电机的低频共振现象,但它引起附加的损耗。一般情况下,简单单电压驱动线路中,Rs是不可缺少的。Rs对步进电动机单步响应的改善如图3(b)。{{分页}}

图3 单电压功率驱动接口及单步响应曲线

图4 双电压功率驱动接口
2.双电压功率驱动接口
双电压驱动的功率接口如图4所示。双电压驱动的基本思路是在较低(低频段)用较低的电压UL驱动,而在高速(高频段)时用较高的电压UH驱动。这种功率接口需要两个控制信号,Uh为高压有效控制信号,U为脉冲调宽驱动控制信号。图中,功率管TH和二极管DL构成电源转换电路。当Uh低电平,TH关断,DL正偏置,低电压UL对绕组供电。反之Uh高电平,TH导通,DL反偏,高电压UH对绕组供电。这种电路可使电机在高频段也有较大出力,而静止锁定时功耗减小。
3.高低压功率驱动接口

图5 高低压功率驱动接口
高低压功率驱动接口如图5所示。高低压驱动的设计思想是,不论电机工作频率如何,均利用高电压UH供电来提高导通相绕组的电流前沿,而在前沿过后,用低电压UL来维持绕组的电流。这一作用同样改善了驱动器的高频性能,而且不必再串联电阻Rs,消除了附加损耗。高低压驱动功率接口也有两个输入控制信号Uh和Ul,它们应保持同步,且前沿在同一时刻跳变,如图5所示。图中,高压管VTH的导通时间tl不能太大,也不能太小,太大时,电机电流过载;太小时,动态性能改善不明显。一般可取1~3ms。(当这个数值与电机的电气时间常数相当时比较合适)。{{分页}}
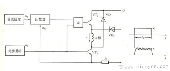
4.斩波恒流功率驱动接口
恒流驱动的设计思想是,设法使导通相绕组的电流不论在锁定、低频、高频工作时均保持固定数值。使电机具有恒转矩输出特性。这是目前使用较多、效果较好的一种功率接口。图6是斩波恒流功率接口原理图。图中R是一个用于电流采样的小阻值电阻,称为采样电阻。当电流不大时,VT1和VT2同时受控于走步脉冲,当电流超过恒流给定的数值,VT2被封锁,电源U被切除。由于电机绕组具有较大电感,此时靠二极管VD续流,维持绕组电流,电机靠消耗电感中的磁场能量产生出力。此时电流将按指数曲线衰减,同样电流采样值将减小。当电流小于恒流给定的数值,VT2导通,电源再次接通。如此反复,电机绕组电流就稳定在由给定电平所决定的数值上,形成小小的锯齿波,如图6所示。

图6 斩波恒流功率驱动接口
斩波恒流功率驱动接口也有两个输入控制信号,其中u1是数字脉冲,u2是模拟信号。这种功率接口的特点是:高频响应大大提高,接近恒转矩输出特性,共振现象消除,但线路较复杂。目前已有相应的集成功率模块可供采用。
5.升频升压功率驱动接口
为了进一步提高驱动系统的高频响应,可采用升频升压功率驱动接口。这种接口对绕组提供的电压与电机的运行频率成线性关系。它的主回路实际上是一个开关稳压电源,利用频率-电压变换器,将驱动脉冲的频率转换成直流电平,并用此电平去控制开关稳压电源的输入,这就构成了具有频率反馈的功率驱动接口。
6.集成功率驱动接口
目前已有多种用于小功率步进电动机的集成功率驱动接口电路可供选用。
L298芯片是一种H桥式驱动器,它设计成接受标准TTL逻辑电平信号,可用来驱动电感性负载。H桥可承受46V电压,相电流高达2.5A。L298(或XQ298,SGS298)的逻辑电路使用5V电源,功放级使用5~46V电压,下桥发射极均单独引出,以便接入电流取样电阻。L298(等)采用15脚双列直插小瓦数式封装,工业品等级。它的内部结构如图7所示。H桥驱动的主要特点是能够对电机绕组进行正、反两个方向通电。L298特别适用于对二相或四相步进电动机的驱动。{{分页}}

图7 L298原理框图
与L298类似的电路还有TER公司的3717,它是单H桥电路。SGS公司的SG3635则是单桥臂电路,IR公司的IR2130则是三相桥电路,Allegro公司则有A2916、A3953等小功率驱动模块。
图8是使用L297(环形分配器专用芯片)和L298构成的具有恒流斩波功能的步进电动机驱动系统。

全站搜索