2016-10-28 15:42:17 | 人围观 | 评论:

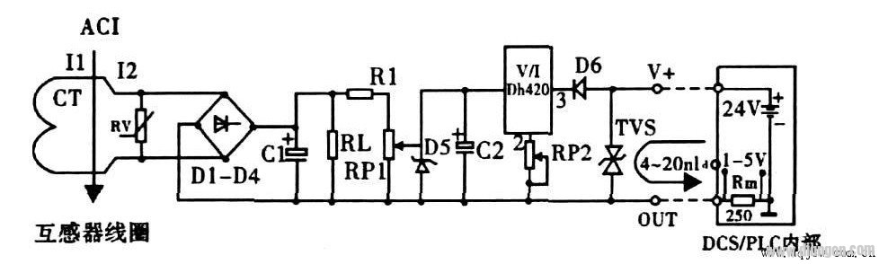
图1 交流电流变送器原理图。
如图1所示, 系统一次电流I1 经电流互感器变换为标准二次电流I2 ( 5A、1A )。I2 经变送器输入端进入变送器, 首先流经二极管D1 - D4 组成的桥式整流电路, 实现AC /DC转换, 其中压敏电阻RV对输入信号起过压保护作用。整流后的直流信号经电容C1 一级滤波后再经采样电阻RL生成0 - 5V 直流电压信号, 然后经电容C2 二级滤波后由DH420变送模块变换为4- 20mA 直流电流信号, 由变送器输出端输出, 进入dcs /plc系统, 从而实现对系统一次电流I1 的测量。其中, 多圈可调电位器RP1、RP2 分别实现对满度20mA 和零位4mA 的整定功能; 二极管D6 实现对输出信号的极性保护功能; 瞬态保护管TVS对输出信号端起瞬态感应雷与浪涌电流的过压抑制保护作用。
值得说明的是TVS二极管是一种专门用来抑制过电压的二极管。它是在普通稳压二极管的基础上发展起来的。与普通稳压二极管相比, TVS二极管具有较大截面积的硅PN结, 该PN 结工作在雪崩状态时, 脉冲吸收能力较普通二极管强。
TVS二极管有单极性和双极性两种。单极性TVS二极管只对一个方向的冲击电压起保护作用, 相当于一个稳压二极管, 靠它的伏安特性起箝位作用。双极性TVS二极管的工作原理相当于两只稳压二极管反向串联, 对正、负极性的冲击电压均能起到保护作用。TVS二极管的箝位电压低(可低达12V ) 响应时间快(可达10- 12 s), 极间电容小, 可用于信号和数据线的保护。但由于其通流能力较小(为101 ~ 102A ), 一般不宜用于电源等的初级和次级保护。
全站搜索