首页
电工知识
机械维修
仪器仪表
工业控制
试题总结
安全用电
电力配电
电工配件
导航
本站搜索
电工知识
机械维修
仪器仪表
工业控制
试题总结
安全用电
电力配电
电工配件
家电弱电
业界资讯
通信技术
你的位置:
首页
>
电工配件
>
传感器
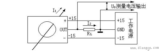
霍尔电流传感器接线图
2016-11-30 11:35:13 | 人围观 |
评论:
霍尔电流传感器一般都是双电源12-15V供电,接线分别是:电源+,电源―,输出+,输出―,一般都是这样的,也有三线制的,就是电源和输出的―是供地的。
< 上一篇
霍尔电流传感器选型
下一篇 >
传感器选择的便捷办法
标签:
相关内容推荐:
2021-01-02
霍尔电流传感器原理图解
2018-09-06
霍尔电流传感器原理图解
2017-02-03
霍尔电流传感器磁饱和原理
2017-01-06
霍尔电流传感器的应用注意事项
2016-12-19
闭环式霍尔电流传感器与开环式霍尔电流传感器的主要区别
2016-12-19
霍尔电流传感器磁饱和问题
2016-12-17
霍尔电流传感器在变频器中的应用
2016-11-30
霍尔电流传感器接线图
2016-11-30
霍尔电流传感器选型
2016-11-30
开环式霍尔电流传感器和闭环式霍尔电流传感器的区别
2016-11-02
霍尔电流传感器的合理选择基本原则
2016-11-02
霍尔电流传感器的工作原理
推荐阅读
什么都不会可以学习电工吗?电工难学吗?电工应该怎么样入门?电工应该怎么样学精通?
安防门禁系统常见故障及维修方法
智能门锁用什么电池好?智能门锁电池用碳性好还是碱性好?常见5号AA电池选购指南
装修时零线火线接反了怎么办?老电工教您一招三分钟搞定
小型断路器上标数字都表示什么?小型断路器参数解析
电工经验分享:几个小窍门让你工作起来得心应手
万用表判断单相电机好坏方法图解
家装配电箱接线是否每个回路的零线都要接在零线排上?
电工入门到底该怎么样学习?电工入门应该五步走
电热水壶内部电路原理图及故障维修方法
最热文章
安装监控需要多少钱?人工费怎么算?安装监控收费标准
电容的公式
电热水壶内部电路原理图及故障维修方法
2020年电工职业资格证取消了?电工职业资格证退出国家目录
7812引脚图及参数,7812稳压电路图
雅迪电动车控制器接线图解读
plc编程工资多少一个月
汽车电动车窗的组成和电路图工作原理图解
新版电工证是不是只有电子版?电工证二维码能造假吗?新二维码电工证照图片
漏电保护器图形符号和文字符号
全站搜索