传感器所感知、检测、转换和传递的信息表现形式为不同的电信号。传感器输出电信号的参量形式可分为电压输出、电流输出和频率输出。其中以电压输出型为最多,在电流输出和频率输出传感器当中,除了少数直接利用其电流或频率输出信号外,大多数是分别配以电流一电压变换器或频率一电压变换器,从而将它们转换成电压输出型传感器。
测量放大器
在许多检测技术应用场合,传感器输出的信号往往较弱,而且其中还包含工频、静电和电磁耦合等共模干扰,对这种信号的放大就需要放大电路具有很高的共模抑制比以及高增益、低噪声和高输入阻抗。习惯上将具有这种特点的放大器称为测量放大器或仪表放大器。
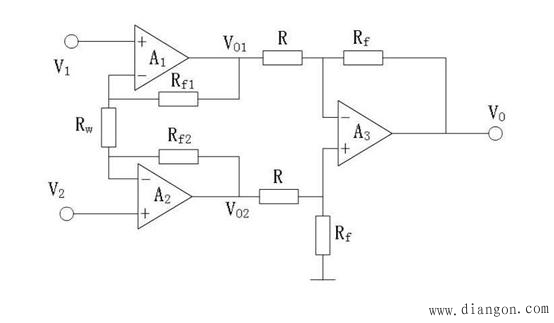
图1为三个运放组成的测量放大器,差动输入端V1和V2分别是两个运算放大器(A1、A2)的同相输入端,因此输入阻抗很高。采用对称电路结构,而且被测信号直接加入到输入端上,从而保证了较强的抑制共模信号的能力。A3实际上是一差动跟随器,其增益近似为1。图2为AD522典型接法。
图1 测量放大器原理图

图2 AD522外围电路
当模拟式传感器将非电物理量转换成电量,并经放大、滤波等一系列处理后,需经模/数变换将模拟量变成数字量,才能送入计算机系统。模/数转换过程包括信号的采样/保持、多路转换(多传感器输入时)、A/D处理等过程。
传感器信号的采样/保持
在对模拟信号进行模数变换时,从启动变换到变换结束的数字量输出,需要一定的时间,即A/D转换器的孔径时间。当输入信号频率提高时,由于孔径时间的存在,会造成较大的转换误差;要防止这种误差的产生,必须在A/D转换开始时将信号电平保持住,而在A/D转换结束后又能跟踪输入信号的变化,即对输入信号处于采样状态。能完成这种功能的器件叫采样/保持器,从上面分析也可知,采样/保持器在保持阶段相当于一个“模拟信号存储器”。
在模拟量输出通道,为使输出得到一个平滑的模拟信号,或对多通道进行分时控制时,也常使用采样/保持器。
全站搜索