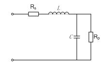
Rp:代表极板间的泄漏电阻和涡流损耗。
Rs:代表引线电阻、电容器支架和极板电阻的损耗。
L:电感由电容器本身的电感和外部引线电感组成。
电容的实际相对变化量:
与传感器的固有电感L的角频率ω有关
优点:
①温度稳定性好
②结构简单、适应性强
③动态响应好
④可以实现非接触测量,具有平均效应点
缺点:
①输出阻抗高,负载能力差
②寄生电容影响大
③输出特性非线性
2016-12-19 14:18:33 | 人围观 | 评论:
Rp:代表极板间的泄漏电阻和涡流损耗。
Rs:代表引线电阻、电容器支架和极板电阻的损耗。
L:电感由电容器本身的电感和外部引线电感组成。
电容的实际相对变化量:
与传感器的固有电感L的角频率ω有关
优点:
①温度稳定性好
②结构简单、适应性强
③动态响应好
④可以实现非接触测量,具有平均效应点
缺点:
①输出阻抗高,负载能力差
②寄生电容影响大
③输出特性非线性
全站搜索