你的位置: 首页 > 电工配件 > 传感器

传感器怎么驱动继电器

2017-01-18 11:45:42 | 人围观 | 评论:

传感器很多种,有开关量和模拟量的,开关量又分很多种,到底不知道你用的是那种,所以没法给你电路图,很多开关量的可以直接驱动继电器,再用继电器控制接触器。比如:常用的光电开关和接近开关等都是可以直接控制继电器的。如果是高速数字开关量和模拟量的话就要用到转换器,如果是需要运算才能输出结果的话,就要用到单片机或plc之内的逻辑运算控制器了。
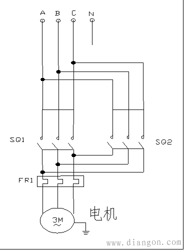
用传感器控制继电器,再由继电器控制电机正反转的电路图:


简单点的如下:

图中所示是电工学中二次回路中最常见,最简单的。你说的这种改进想法在实际操作中没有问题,是可行的。具体怎么配置要知道你的这个东西具体有什么用,你的逻辑门电路是什么样的,把控制部分改成你意想中的电路跟电机和电容没有关系。传感器在不知道你逻辑门电路的情况下没法给你具体答复,中间继电器也要根据你逻辑电路选型。





标签:

相关内容推荐: