1、为什么要讲单片机最小系统

图1 (51芯片+晶振+复位)=最小系统
因为单片机的应用领域极为广泛,以单片机为核心的电路千奇百怪,而
单片机最小系统是最基本的、也是小的不能再省略掉任何部分的系统了。尽管这样小了,但只要掌握它,就能设计出丰富多彩的电路来。
2、什么是单片机最小系统
很简单,单片机最小系统就是一块单片机芯片+晶振电路+复位电路,如图1所示:(注:早期的单片机最小系统由于单片机芯片内部没有ROM,需外扩程序存储器,故还有地址锁存器74HC373和存储器62256,以及地址译码器74HC138等)。
3、实际的单片机最小系统电路
以上单片机电路当然可以工作了,只是用起来不太方便,缺乏输出指示电路和简单输入电路,所以,一般的单片机最小系统都再配置一些附属电路,如将单片机I/O引脚引出的插排(以备以后电路扩展之需)、发光二极管、数码管、按键等电路,这样,该最小系统就“五脏具全”了,在它上面,可做不少的基本实验,以迅速提高编程能力,同时,它也是一个“工作母机”,为以后的电路扩展、开发等创造了条件。
4、单片机最小系统各电路简介

图2 51单片机I/O引脚引出插排和上拉电阻排
图2的J1为单片机P1口和P3口的引出插排,J2为单片机P0口和P2口的引出插排(J1和J2是以后用单片机控制其它电路时的必经之路,尤其是电子大赛时更离不开它);RP0~RP3分别为4个口的上拉电阻排;JMP4为跳线插排,默认是1、2脚短接,程序从芯片内部的ROM里读取,若以后外扩ROM及想从外部的ROM执行程序的话,就将短路帽短路2、3脚即可。P1和P3口接的16只发光二极管,除配合RP1和RP3起上拉作用外,还可做发光管实验(如流水灯实验)。
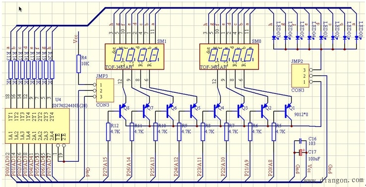
图3为最小系统的输出指示电路,主要由两部份组成:数码管显示电路和发光管显示电路,以后绝大部分实验的结果都将会由它们显示出来,供你判断正确与否。

图3 输出指示电路(数码管和发光二极管显示电路)
由图3可看出,该电路用到了单片机的P0口和P2口,P0口经芯片U4(74LS244)驱动后送发光管的阳极和数码管的段选口,JMP3跳线插排的默认位置是2、3脚短接,U4使能;若将1、2脚短接,则U4不使能;P2口通过8只PNP型三极管与数码管的位选口相连,加大拉电流的能力(数码管是共阴极的,型号是TOF-3461AH);跳线JMP2可选择接地,1、2脚短接则将8只三极管的集电极接地,可做数码管实验,2、3脚短接则将发光管的阴极接地,可做发光管的实验。当然,若U4不使能,发光管和数码管都不会显示。
图4为按键输入电路,占用单片机的8根I/O线(P1.0~P1.3、P3.0~P3.3),组成一个4×4的按键矩阵,为以后向单片机输入数据或命令提供了方便。大家也可看出,图3的输出指示电路和图4的按键输入电路都较为简单,这正是单片机的特点,和微型机丰富的输入输出器件形成对照。
大家在以后的学习中会体会到,通过对各位按键的不同定义、以及采用灵活的编程技术,可以向单片机输入多种多样的信息,实现人机对话。

图4 按键电路
为了以后学习简单按键输入技术以及外部中断扩展技术的方便,在本最小系统里另外设计了4个按键,如图5所示,若短路JMP1的1、2脚,可扩展外部中断;若断开1、2脚,可做简单按键输入的实验。

图5 简单按键输入及外部中断扩展
下边说一说本最小系统的电源电路,还是别具一格的,如图6所示。大家可看出,跳线排插JMP0是输入电源选择的必经之地,为方便大家做实验,当坐在计算机跟前时,可用USB连接线直接从电脑取5V直流电,这时只需将短路帽短路2、3脚,这也是以后大家做实验时主要的取电方法;也可另外用大于5V、小于12V的交、直流电源从电源插座JZ1输入电源,当然短路帽此时需短路1、2脚。

图6 电源电路
以上就是单片机实际的最小系统了,在这个最小系统上,单片机的学习可以起步,大家可以积累起丰富的编程经验,当你不满足这个最小系统时,恭喜你,你已经可以算初级工程师啦,当然,单片机这门课的考试,你已经不在话下了。剩下的事情就是用这套最小系统,开始考虑怎样开发各种各样的实用电路的问题。
也许同学们已经注意到,我们给大家提供的这套最小系统电路板里,还有一些电路没给大家介绍,如由集成电路芯片U3(MAX3232)构成的通讯电路,由芯片U4(PCF8563T)和U5(24LC00)构成的I2C串行通信电路等(如图7和图8所示),这些严格说已不属于最小系统了,只是想尽可能多的把一些非常实用的电路放进来,方便大家的学习和实验。很遗憾,我们仍无法、也不允许把另外的许多电路容纳进来,如存储器电路、D/A、A/D转换电路、LCD液晶显示电路、LED矩阵显示电路、直流电机电路、步进电机电路、看门狗电路等,好在我们实验室有专门的实验箱,等大家入门后,这些专门的实验可在实验箱里做。补充说一句,U3构成的通讯电路,除可以做单片机和PC机的通讯实验外,也是我们以后做实验下载程序到单片机的重要通道(除用烧片机下载程序外)。

图7 单片机串口通讯电路

图8 I2C及蜂鸣器电路
全站搜索