2016-11-30 10:46:58 | 人围观 | 评论:
在我们设计单片机电路的时候,单片机的IO口数量是有限的,有时并满足不了我们的设计需求,比如我们的STC89C52RC一共是32个IO口,但是我们为了控制更多的器件,就要使用一些外围的数字芯片,这种数字芯片由简单的输入逻辑来控制输出逻辑,比如74HC138这个三八译码器,图1是74HC138在我们原理图上的一个应用。

图1 74HC138应用原理图
从这个名字来分析,三八译码器,就是把3种输入状态翻译成8种输出状态。从图1所看出来的,74HC138一共有1~6一共是6个输入引脚,但是其中4、5、6这三个引脚是使能引脚。使能引脚和我们前边讲74HC245的OE引脚是一样的,这三个引脚如果不符合规定的输入要求,Y0到Y7不管你输入的1、2、3引脚是什么电平状态,总是高电平。所以我们要想这个74HC138正常工作,ENLED那个输入位置必须输入低电平,ADDR3位置必须输入高电平,这两个位置都是使能控制端口。不知道大家是否记得我们第二课的程序有这么两句ENLED = 0;ADDR3 = 1;就是控制使这个74HC138使能的。
这类逻辑芯片,大多都是有使能引脚的,使能符合要求了,那下面就要研究逻辑控制了。对于数字器件的引脚,如果一个引脚输入的时候,有0和1两种状态;对于两个引脚输入的时候,就会有00,01,10,11这四种状态了,那么对于3个输入的时候,就会出现8种状态了,大家可以看下边的这个真值表――图,其中输入是A2,A1,A0的顺序,输出是从Y0,Y1....Y7的顺序。

图2 74HC148真值表
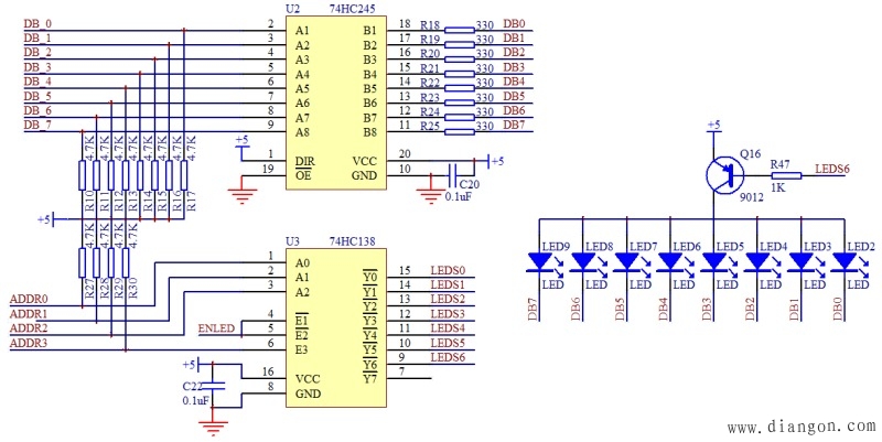
从图2可以看出,任一输入状态下,只有一个输出引脚是低电平,其他的引脚都是高电平。我们清楚的知道,8个LED小灯的总开关三极管Q16基极的控制端是LEDS6,也就是Y6输出一个低电平的时候,可以开通三极管Q16,从右侧的希望输出的结果,我们可以推导出我们的A2,A1,A0的输入状态应该是110,那我们再来看下原理图3。

图3 点亮LED小灯整体示意图
那么我们在整体捋一遍点亮LED小灯的过程,首先看74HC138,我们要让LEDS6为低电平才能导通三极管Q16,所以ENLED = 0;ADDR3 = 1;保证74HC138使能。然后ADDR2 = 1; ADDR1 = 1; ADDR0 = 0;这样保证了三极管Q16这个开关开通,5V电源加到LED上。
而74HC245左侧是通过P0口控制,我们让P0.0引脚等于0,就是DB_0等于0,而右侧DB0等于DB_0的状态,也是0,那么这样在这一排共8个LED小灯当中,只有最右侧的小灯和5V之间有压差,有压差就会有电流通过,有电流通过我们的LED2就会发光。
74HC245左侧我们可以看出来,是直接接到P0口上的,而74HC138的ADDR0 ~ ADDR3接在何处呢?

图4 跳线帽接口部分
跳线帽是大家以后要常用的一个器件,他的作用就是起到导线的作用,我们可以通过跳线帽来实现连接线的切换。

图5 跳线实物图
大家看,跳线帽本身可以占2个针的位置,现在是把右侧和中间的针插到了一起,这样实现的就是图4中的P1.0和ADDR0连接到一起,P1.1和ADDR1接一起,P1.2和ADDR2接一起,P1.3和ADDR3接一起。
全站搜索