2016-12-14 14:47:27 | 人围观 | 评论:


DAC0832 外部引脚分布图
单极性输出电压电路

双极性输出电压电路

2.DAC0832 与 MCS - 51 的接口及应用
(1) 单缓冲方式

DAC0832 单缓冲方式接口电路
执行下面的几条指令就能完成一次 D/A 转换 :
MOV DPTR, # 7FFFH ; 指向 DAC0832
MOV A, # DATA ; 数字量装入 A
MOVX @DPTR, A ; 完成一次 D/A 输入与转换
(2) 双缓冲方式
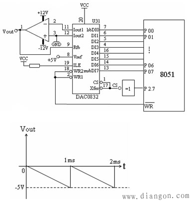
(3) DAC0832 的简单应用实例
要求:编程实现从 Vout 端输出一个幅值为 5V ,频率 f=1KHZ 的反向锯齿波电压

START: MOV A,#00H
MOV DPTR,#8000H ;0832 的地址送 DPTR
LOOP: MOVX @DPTR, A ; 送数据至 0832
CALL DELAY ; 1ms 延时
INC A
SJMP L00P
DELAY: MOV R2,#250
HERE: DJNZ R2,HERE
全站搜索