2016-12-21 17:37:41 | 人围观 | 评论:
简单的I/O口扩展通常是采用TTL或CMOS电路锁存器、三态门等作为扩展芯片,通过P0口来实现扩展的一种方案。它具有电路简单、成本低、配置灵活的特点。
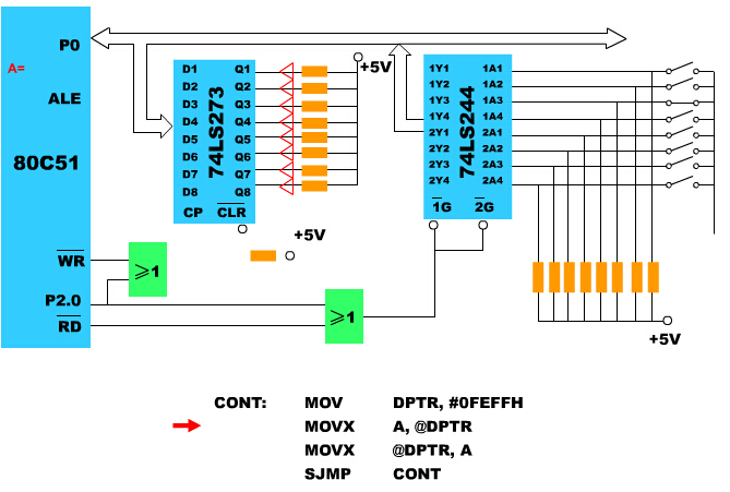
1.扩展实例<?XML:NAMESPACE PREFIX = O />
图为采用 74LS244作为扩展输入、74LS273作为扩展输出的简单I/O口扩展。

2.芯片及连接说明
电路中采用的芯片为TTL电路74LS244、74LS273。其中74LS244为8缓冲线驱动器(三态输出),<?XML:NAMESPACE PREFIX = V />
、
为低电平有效的使能端。当二者之一为高电平时,输出为三态、74LS273为8D触发器,
为低电平有效的清除端。当
=0时,输出全为0且与其它输入端无关;CP端是时钟信号,当CP由低电平向高电平跳变时刻,D端输入数据传送到Q输出端。
因为74LS244和74LS273都是在P2.0为0时被选通的,所以二者的口地址都为FEFFH(这个地址不是唯一的,只要保证P2.0=0,其它地址位无关)。但是由于分别由而
和
控制,因而两个信号不可能同时为0(执行输入指令,如MOVX A@,DPTR或MOVX A,@Ri时,
有效;执行输出指令,如MOVX @DPTR,A或MOVX @Ri,A时,
有效),所以逻辑上二者不会发生冲突。
全站搜索