单片机在启动时都需要复位,以使CPU及系统各部件处于确定的初始状态,并从初态开始工作。89系列单片机的复位信号是从RST引脚输入到芯片内的施密特触发器中的。当系统处于正常工作状态时,且振荡器稳定后,如果RST引脚上有一个高电平并维持2个机器周期(24个振荡周期)以上,则CPU就可以响应并将系统复位。单片机系统的复位方式有:手动按钮复位和上电复位
1、手动按钮复位
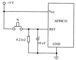
手动按钮复位需要人为在复位输入端RST上加入高电平(图1)。一般采用的办法是在RST端和正电源Vcc之间接一个按钮。当人为按下按钮时,则Vcc的+5V电平就会直接加到RST端。手动按钮复位的电路如所示。由于人的动作再快也会使按钮保持接通达数十毫秒,所以,完全能够满足复位的时间要求。

2、上电复位
AT89C51的上电复位电路如图2所示,只要在RST复位输入引脚上接一电容至Vcc端,下接一个电阻到地即可。对于CMOS型单片机,由于在RST端内部有一个下拉电阻,故可将外部电阻去掉,而将外接电容减至1µF。上电复位的工作过程是在加电时,复位电路通过电 容加给RST端一个短暂的高电平信号,此高电平信号随着Vcc对电容的充电过程而逐渐回落,即RST端的高电平持续时间取决于电容的充电时间。为了保证系统能够可靠地复位,RST端的高电平信号必须维持足够长的时间。上电时,Vcc的上升时间约为10ms,而振荡器的起振时间取决于振荡频率,如晶振频率为10MHz,起振时间为1ms;晶振频率为1MHz,起振时间则为10ms。在图2的复位电路中,当Vcc掉电时,必然会使RST端电压迅速下降到0V以下,但是,由于内部电路的限制作用,这个负电压将不会对器件产生损害。另外,在复位期间,端口引脚处于随机状态,复位后,系统将端口置为全“l”态。如果系统在上电时得不到有效的复位,则程序计数器PC将得不到一个合适的初值,因此,CPU可能会从一个未被定义的位置开始执行程序。

3、积分型上电复位
常用的上电或开关复位电路如图3所示。上电后,由于电容C3的充电和反相门的作用,使RST持续一段时间的高电平。当单片机已在运行当中时,按下复位键K后松开,也能使RST为一段时间的高电平,从而实现上电或开关复位的操作。
根据实际操作的经验,下面给出这种复位电路的电容、电阻参考值。
图3中:C:=1uF,Rl=lk,R2=10k

专用芯片复位电路:
上电复位电路 在控制系统中的作用是启动单片机开始工作。但在电源上电以及在正常工作时电压异常或干扰时,电源会有一些不稳定的因素,为单片机工作的稳定性可能带来严重的影响。因此,在电源上电时延时输出给芯片输出一复位信号。上复位电路另一个作用是,*正常工作时电源电压。若电源有异常则会进行强制复位。复位输出脚输出低电平需要持续三个(12/fc s)或者更多的指令周期,复位程序开始初始化芯片内部的初始状态。等待接受输入信号(若如遥控器的信号等)。

上电复位电路原理分析
5V电源通过MC34064的2脚输入,1脚便可输出一个上升沿,触发芯片的复位脚。电解电容C13是调节复位延时时间的。当电源关断时,电解电容C13上的残留电荷通过D13和MC34064内部电路构成回路,释放掉电荷。以备下次复位启用。
全站搜索