2017-01-11 10:45:09 | 人围观 | 评论:

现在我们算一算要充满0.47F电容到5.5V,即使用5.5A恒流对0.47F电容冲电,也需要0.47秒才能冲到5.5V,因此我们可以知道:
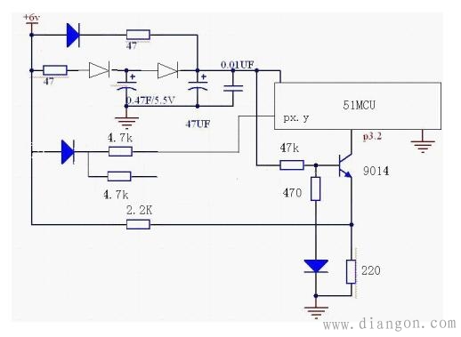
1.如果没有47欧姆电阻限流,上电瞬间三端稳压器必然因强大过电流而进入自保.
2.长达0.47秒(如果真有5.5A恒流充电的话)缓慢上电,如此缓慢的上电速率,将使得以微分(RC电路)为复位电路的51单片机因为上电太慢无法实现上电复位.(其实要充满0.47UF电容常常需要几分种).
3.正因为上电时间太慢,将无法和今天大多数主流的以在线写入(ISP)类单片机与写片上位计算机软件上预留的等待应答时间严重不匹配(一般都不大于500MS),从而造成应答失步,故总是提示"通信失败".
知道这个道理你就不难理解这个电路最上面的二极管和电阻串联起来就是必须要有上电加速电路.这里还用了一只(内部空心不带蓝色的)肖特基二极管(1N5819)从法拉电容向单片机VCC放电,还同时阻断法拉电容对上电加速电路的旁路作用,用肖特基二极管是基于其在小电流下导通电压只有0.2V左右考虑的,目的是尽量减少法拉电容在单片机掉电时的电压损失.多留掉点维持时间。
三极管9014和钳制位二极管分压电阻垫位电阻(470欧姆)等构成基极上发射极双端输入比较器,实现单片机掉电检测和发出最高优先级的掉电中断,单片机掉电保存程执行。这部分电路相当于半只比较器LM393,但电路更简单耗电更省(掉电时耗电小于0.15MA).
47K电阻和470欧姆二极管1N4148一道构成嵌位电路,保证基极电位大约在0.65V左右 (可这样计算0.6(二极管导通电压)+5*0.47/47),这样如果9014发射极电压为0(此时就是外部掉电),三极管9014正好导通,而且因为51单片机P3.2高电平为弱上拉(大约50UA),此时9014一定是导通且弱电流饱和的,这样就向单片机内部发出最高硬件优先级的INX0掉电检测中断.
而在平时正常供电时,因发射极上也大约有6*0.22/2.2=0.6V电压上顶,不难发现三极管9014一定处于截止状态,而使P3.2维持高电平的,单片机掉电保存中断程序不被触发。
最后还有两个重要软件和硬件note:
软件上:首先INX0在硬件上(设计)是处于最高优先级的,这里还必须要在软件保证最高级别的优先.从而确保单片机掉电时外部中断0能打断其他任何进程,最高优先地被检测和执行.其次在INX0的掉电保存写入子程序模块入口,还要用:
MOV P1,#00H
MOV P2,#00H
MOV P3,#00H
MOV P0,#00H
SJMP 掉电保存
来阻断法拉电容的电荷通过单片机口线外泄和随后跳转掉电保存写入子程序模块.(见硬件要点)
硬件上:凡是驱动单片机外部口线等的以输出高电平驱动外部设备,其电源不能和电片机的供电电压VCC去争抢(例如上拉电阻供电不取自单片机VCC).而应直接接在电源前方,图中4.7K电阻和口线PX.Y就是一个典型示例,接其它口线PX.Y'和负载也雷同.这里与上拉4.7K电阻相串联二极管也有两个作用:1、钳去0.6V电压以便与单片机工作电压相匹配,防止口线向单片机内部反推电.造成单片机口线功能紊乱.2、利用二极管单向供电特性,防止掉电后单片机通过口线向电源和外部设备反供电.
上面的单片机掉电检测电路,在与掉电保存写入子程序模块结合起来就可以保证在单片机掉电期间,不会因法拉电容上的积累电荷为已经掉电的外部电路无谓供电和向电源反供电造成电容能量泄放缩短掉电维持时间.
有了这些基础,我们来计算0.47UF的电容从5.5V跌落到4.5V(甚至可以下到3.6V)所能维持的单片机掉电工作时间.这里假设设单片机工作电流为20MA(外设驱动电流已经被屏蔽)不难算出:
T=1V*0.47*1000(1000是因为工作电流为豪安)/20=23.5秒!
全站搜索