2016-10-28 15:31:53 | 人围观 | 评论:
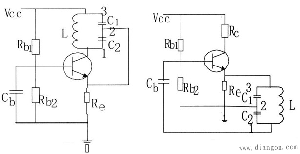
如下图所示为两个电容三点式的振荡电路图。左边图中的晶体管的发射极接的是三点式选频网络的2端,集电极接的是1端,基极在交流通路中接地,所以基极相当于接的是3端。发射极与基极问接的单个选频器件是电容C2,发射极与集电极之间接的是电容Cl,发射极与其他两个电极之间接的是电抗性质相同的电容,所以射同已经满足;基极与发射极接的电容C2,基极与集电极之间接的单个选频器件是电感L,电感与电容是两个电抗性质相反的器件,所以基反也是满足的,图2电路支流通路正常,又满足射同基反的条件,所以是可以振荡的。
再看右图中,放大器的组态固然与图2不同,按射同基反分析仍然满足射同基反,直流通路正常,该电路也可以振荡。假如用相位条件判别也是满足的。

全站搜索