2016-10-21 15:45:06 | 人围观 | 评论:

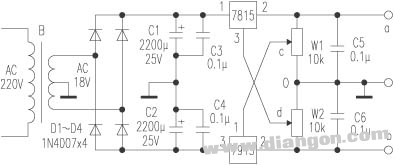
电路如附图所示,由变压器输出的交流双18V电压经D1~D4整流,C1、C2滤波得到一直流电压,其中变压器双电源的中心抽头作为公共接地端,然后分别把该直流电压正负极接入7815的①脚和7915的③脚。7815的③脚接到电位器W2的滑动触片“d”上,7915的①脚接到电位器W1的滑动触片“C”上。当将触片“C”滑到“0”端接地时,调节W2,即可从“a”端得到“+6~+15V”的正向可变电压;若将触片“d”滑到“0”端接地,调节W1,在“b”端就可得到“-6~-15V”的负向可变电压,将W1、W2换成同轴电位器,将获得正负对称的可调电源,输出电压值在±6V~±15V之间连续可调,可达到同步调节的目的。
本电路的7815、7915三端稳压块上应加装散热片.
全站搜索