你的位置: 首页 > 家电弱电 > 电源

电源EMI滤波器基本原理和正确应用方法

2016-10-21 15:44:58 | 人围观 | 评论:

1引言

随着现代科学技术的飞速发展,电子、电力电子、电气设备应用越来越广泛,它们在运行中产生的高密度、宽频谱的电磁信号充满整个空间,形成复杂的电磁环境。复杂的电磁环境要求电子设备及电源具有更高的电磁兼容性。于是抑制电磁干扰的技术也越来越受到重视。接地、屏蔽和滤波是抑制电磁干扰的三大措施,下面主要介绍在电源中使用的EMI滤波器及其基本原理和正确应用方法。

2电源设备中噪声滤波器的作用

电子设备的供电电源,如220V/50Hz交流电网或115V/400Hz交流发电机,都存在各式各样的EMI噪声,其中人为的EMI干扰源,如各种雷达、导航、通信等设备的无线电发射信号,会在电源线上和电子设备的连接电缆上感应出电磁干扰信号,电动旋转机械和点火系统,会在感性负载电路内产生瞬态过程和辐射噪声干扰;还有自然干扰源,比如雷电放电现象和宇宙中天电干扰噪声,前者的持续时间短但能量很大,后者的频率范围很宽。另外电子电路元器件本身工作时也会产生热噪声等。

这些电磁干扰噪声,通过辐射和传导耦合的方式,会影响在此环境中运行的各种电子设备的正常工作。

另一方面,电子设备在工作时也会产生各种各样的电磁干扰噪声。比如数字电路是采用脉冲信号(方波)来表示逻辑关系的,对其脉冲波形进行付里叶分析可知,其谐波频谱范围很宽。另外在数字电路中还有多种重复频率的脉冲串,这些脉冲串包含的谐波更丰富,频谱更宽,产生的电磁干扰噪声也更复杂。

各类稳压电源本身也是一种电磁干扰源。在线性稳压电源中,因整流而形成的单向脉动电流也会引起电磁干扰;开关电源具有体积小,效率高的优点,在现代电子设备中应用越来越广泛,但是因为它在功率变换时处于开关状态,本身就是很强的EMI噪声源,其产生的EMI噪声既有很宽的频率范围,又有很高的强度。这些电磁干扰噪声也同样通过辐射和传导的方式污染电磁环境,从而影响其它电子设备的正常工作。

对电子设备来说,当EMI噪声影响到模拟电路时,会使信号传输的信噪比变坏,严重时会使要传输的信号被EMI噪声所淹没,而无法进行处理。当EMI噪声影响到数字电路时,会引起逻辑关系出错,导致错误的结果。

对于电源设备来说,其内部除了功率变换电路以外,还有驱动电路、控制电路、保护电路、输入输出电平检测电路等,电路相当复杂。这些电路主要由通用或专用集成电路构成,当受电磁干扰而发生误动作时,会使电源停止工作,导致电子设备无法正常工作。采用电网噪声滤波器可有效地防止电源因外来电磁噪声干扰而产生误动作。

图1电磁干扰信号示意图

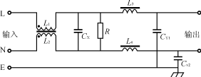
图2电源滤波器的基本电路图

另外,从电源输入端进入的EMI噪声,其一部分可出现在电源的输出端,它在电源的负载电路中会产生感应电压,成为电路产生误动作或干扰电路中传输信号的原因。这些问题同样也可用噪声滤波器来加以防止。

在电源设备中采用噪声滤波器的作用如下:

(1)防止外来电磁噪声干扰电源设备本身控制电

路的工作;

(2)防止外来电磁噪声干扰电源的负载的工作;

(3)抑制电源设备本身产生的EMI;

(4)抑制由其它设备产生而经过电源传播的EMI。

开关电源本身在工作时以及电子设备处于开关工作状态时,都会在电源设备的输入端出现终端噪声,产生辐射及传导干扰,也会进入交流电网干扰其它的电子设备,所以必须采取有效措施加以抑制。在抑制EMI噪声的辐射干扰方面,电磁屏蔽是最好的方式。而在抑制EMI噪声的传导干扰方面,采用EMI滤波器是很有效的手段,当然应配合良好的接地措施。

在国际上各个国家都实行了严格的电磁噪声限制规则,如美国有FCC,德国有FTZ,VDE等标准。如电子设备不满足噪声限制规则,则产品就不能出售和使用。

由于上述种种原因,在电源设备中必须要设计使用满足要求的电网噪声滤波器。

3EMI噪声和滤波器的类型

在电源设备输入引线上存在二种EMI噪声:共模噪声和差模噪声,如图1所示。把在交流输入引线与地之间存在的EMI噪声叫作其共模噪声,它可看作为在交流输入线上传输的电位相等、相位相同的干扰信号,即图1的电压V1和V2。而把交流输入引线之间存在的EMI噪声叫作差模噪声,它可看作为在交流输入线传输的相位差180°的干扰信号,即图1中的电压V3。共模噪声是从交流输入线流入大地的干扰电流,差模噪声是在交流输入线之间流动的干扰电流。对任何电源输入线上的传导EMI噪声,都可以用共模和差模噪声来表示,并且可把这二种EMI噪声看作独立的EMI源来分别抑制。

在对电磁干扰噪声采取抑制措施时,主要应考虑抑制共模噪声,因为共模噪声在全频域特别在高频域占主要部分,而在低频域差模噪声占比例较大,所以应根据EMI噪声的这个特点来选择适当的EMI滤波器。

电源用噪声滤波器按形状可分为一体化式和分立式。一体化式是将电感线圈、电容器等封装在金属或塑料外壳中;分立式是在印制板上安装电感线圈、电容器等,构成抑制噪声滤波器。到底采用哪种形式要根据成本、特性、安装空间等来确定。一体化式成本高,特性较好,安装灵活;分立式成本较低,但屏蔽不好,可自由分配在印制板上。

4噪声滤波器的基本结构

电源EMI噪声滤波器是一种无源低通滤波器,它无衰减地将交流电传输到电源,而大大衰减随交流电传入的EMI噪声;同时又能有效地抑制电源设备产生的EMI噪声,阻止它们进入交流电网干扰其它电子设备。

单相交流电网噪声滤波器的基本结构如图2所示。它是由集中参数元件组成的四端无源网络,主要使用的元件是共模电感线圈L1、L2,差模电感L3、L4,以及共模电容CY1、CY2和差模电容器CX。若将此滤波器网络放在电源的输入端,则L1与CY1及L2与CY2分别构成交流进线上两对独立端口之间的低通滤波器,可衰减交流进线上存在的共模干扰噪声,阻止它们进入电源设备。共模电感线圈用来衰减交流进线上的共模噪声,其中L1和L2一般是在闭合磁路的铁氧体磁芯上同向卷绕相同匝数,接入电路后在L1、L2两个线圈内交流电流产生的磁通相互抵消,不致使磁芯引起磁通饱和,又使这两个线圈的电感值在共模状态下较大,且保持不变。

差模电感线圈L3、L4与差模电容器CX构成交流进线独立端口间的一个低通滤波器,用来抑制交流进线上的差模干扰噪声,防止电源设备受其干扰。

图2所示的电源噪声滤波器是无源网络,它具有双向抑制性能。将它插入在交流电网与电源之间,相当于这二者的EMI噪声之间加上一个阻断屏障,这样一个简单的无源滤波器起到了双向抑制噪声的作用,从而在各种电子设备中获得了广泛应用。

5噪声滤波器的主要设计原则

共模电感线圈使用的磁芯有环形、E形和U形等,材料一般采用铁氧体,环形磁芯适用于大电流小电感量,它的磁路比E形和U形长,没有间隙,用较少的圈数可获得较大的电感量,由于这些特点它具有较佳的频率特性。而E形磁芯的线圈泄漏磁通小,故当电感漏磁有可能影响其它电路或其它电路与共模电感有磁耦合,而不能获得所需要的噪声衰减效果时应考虑采用E形磁芯作成共模电感。

差模电感线圈一般采用金属粉压磁芯,由于粉压磁芯适用频率范围较低,在几十kHz~几MHz,其直流重叠特性好,在大电流应用时电感量也不会大幅下降,最适合作为差模电感。

图2中,电源噪声滤波器使用二种电容器,CX、CY1和CY2,它们在滤波器中的作用不同,还有不同的安全等级要求,因此其性能参数直接与滤波器的安全性能有关。

差模电容CX接在交流电进线两端,它上面除加有额定交流电压以外,还会叠加交流进线之间存在的各种EMI峰值电压。所以该电容器的耐压及耐瞬态峰值电压的性能要求较高,同时要求该电容器失效后,不能危及后面电路及人身安全。CX电容器的安全等级又分为X1和X2两类,X1类适用于一般场合,X2类适用于会出现高的噪声峰值电压的应用场合。

共模电容CY接在交流电进线与机壳地之间,要求它们在电气和机械性能上,应有足够大的安全余量,万一它们发生击穿短路,将使设备机壳带上危险的交流电,如设备的绝缘或接地保护失效,可能使操作人员遭受电击,甚至危及人身安全。因此对CY电容器的容量要进行限制,使其在额定频率的电压下漏电流小于安全规范值。另外还要求其应有足够的耐压及耐瞬态高峰值电压的余量,并且万一发生电压击穿它应处于开路状态,而不会使设备机壳带电。

综上所述,在设计和选择电网噪声滤波器时,因为它们工作在高电压、大电流、恶劣的电磁干扰环境中,首先必须考虑所用电感器和电容器的安全性能。对于电感线圈,其磁芯、绕线的材料,绝缘材料和绝缘距离、线圈温升等都应予重视。对于电容器,其电容种类、耐压、安全等级、容量、漏电流等都应优先考虑,特别要求选择经过国际安全机构安全认证的产品。

6滤波器的安全性能参数

6.1滤波器与漏电流

电网滤波器漏电流定义为:在额定交流电压下,滤波器外壳到交流进线任一端的电流。如果滤波器的所有端口与外壳之间是完全绝缘的,则漏电流的值,主要取决于共模电容CY的漏电流,即主要取决于CY的容量。由于滤波器漏电流的大小,涉及到人身安全,国际上各国对此都有严格的标准规定。对于220V/50Hz交流电网供电,一般要求噪声滤波器的漏电流小于1mA。

6.2滤波器与试验电压

对于交流电网噪声滤波器,试验电压分为两种:一种是加在交流进线两端,即线―线试验电压。若电感线圈及引线是绝缘良好的,它主要取决于电容器CX的耐压;另一种是加在交流进线任一端与机壳地之间,即线―地试验电压。它主要取决于CY的耐压。

漏电流和试验电压都是噪声滤波器的安全性能参数,是滤波器中电感线圈、绝缘和电容器CX、CY安全性能的具体表现,并且与设备及人身安全紧密相关。因此在电网噪声滤波器的设计、生产和使用中,都要特别加以重视,把这些技术参数的认证和检验放在首位。

7滤波器的技术参数及正确使用

(1)插入损耗是噪声滤波器的重要技术参数之一,在设计和选用时应予主要考虑。在滤波器的安全、常规电气性能、环境及机械等条件都满足要求时,应尽量选择插入损耗值大些。

插入损耗的定义如图3所示,当没接滤波器时,信号源输出电压为V1,当滤波器接入后,在滤波器输出端测得信号源的电压为V2。若信号源输出阻抗与接收机输入阻抗相等,都是50Ω,则滤波器的插入损耗为:

IL=20log(V1/V2)(1)

 

图3插入损耗的定义

图4滤波器网络结构的选择

图5公共阻抗耦合的等效电路

因为电源噪声滤波器能衰减共模和差模噪声,所以它即有共模插入损耗,又有差模插入损耗。

但在实际选用滤波器时,应注意产品手册给出的插入损耗曲线,都是按照标准规定,在其输入和输出阻抗都为50Ω条件下测得的。因为实际的滤波器两端阻抗不一定在全频率范围内是50Ω,所以它对EMI信号的衰减,并不等于产品手册中给出的插入损耗值。特别当使用安装不当时,还会远远小于标准给定的插入损耗。

(2)电源噪声滤波器是一种具有互易性的无源网络。在实际应用中为使它有效地抑制噪声应合理配接。按图4所示组合来选择滤波器的网络结构和参数,才能得到较好的EMI抑制效果。

当滤波器的输出阻抗与负载阻抗不相等时,在此端口上会产生反射,两个阻抗相差越大,端口产生的反射也越大。当滤波器两端阻抗都与外部阻抗不相等时,则EMI信号将在其输入和输出端都产生反射。这时电源滤波器对电磁干扰噪声的衰减,就与滤波器固有的插入损耗和反射损耗有关,可利用这点更有效地抑制电磁干扰噪声。在实际设计和选择使用EMI滤波器时,要注意滤波器阻抗的正确连接,以造成尽可能大的反射,使滤波器在很宽的频率范围内造成较大的阻抗失配,从而得到更好的电磁干扰抑制性能。

(3)在电源滤波器的实际应用中,要求其外壳与系统地之间有良好的电气连接,且应使接地线尽量短,因为过长的接地线会加大接地电阻和电感,而严重削减滤波器的共模抑制能力,同时也会产生公共接地阻抗耦合的问题。如图5所示,接地线过长,则滤波器输入和输出之间的公共耦合阻抗Zg也过大,负载上电压为:

V0=VZ+Vg=VZ+(Ii-IO)Zg(2)

式中:Ii为滤波器交流输入电路的噪声电流;

IO为滤波器输出电路的噪声电流。

由式(2)可知,电磁干扰信号经过滤波器衰减后,在输出端的噪声电流大大小于输入端的噪声电流,即公共接地阻抗引起的压降(Ii-IO)Zg将很大,在Zg上将产生一个很高的电磁干扰电压,经过公共接地回路耦合到滤波器的输出端,从而大大减弱噪声滤波器对EMI噪声的抑制能力。

减小公共阻抗耦合的最好方法,就是借助设备的电磁屏蔽,把噪声滤波器的输入端与输出端隔离开,同时滤波器的接地线要尽量短,这样既把滤波器输入与输出端间存在的电磁耦合降到最低程度,又不破坏设备的屏蔽结构对于电磁干扰噪声的抑制作用。

理想的电源噪声滤波器安装方式如图6所示。

(4)综上所述,电源噪声滤波器的使用应注意如下几点:

①滤波器应尽量靠近设备交流电入口处安装,应使未经过滤波器的交流进线在设备内尽量短;

②滤波器中的电容器引线应尽可能短,以免引线感抗和容抗在较低频率上产生谐振;

③滤波器接地线上有大的电流流过,会产生电磁辐射,应对滤波器进行良好的屏蔽和接地;

④滤波器的输入线和输出线不能捆扎在一起,布线时尽量增大其间距离,以减小它们之间的耦合,可加隔板或屏蔽层。

图6滤波器的正确安装方法

8结语

电磁干扰滤波器的设计和选用,主要依据噪声干扰特性和系统电磁兼容性的要求,在了解电磁干扰的频率范围,估计干扰的大致量级的基础上进行。首先要了解滤波器的使用环境(使用电压、负载电流、环境温湿度、振动冲击、安装方式和位置等),要重点考虑其安全性能参数,因为关系到设备及人身安全。还要使滤波器对EMI噪声产生最佳的抑制效果。应根据接入电路的要求,以产生最大阻抗不匹配的原则来选择滤波器的网络结构和参数。为了获得最佳的电磁噪声衰减特性,滤波器应该正确地安装在电子设备上。





标签: