2016-10-23 10:44:32 | 人围观 | 评论:
开关电源就是用通过电路控制开关管进行高速的道通与截止。
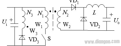
将直流电转化为高频率的交流电提供给变压器进行变压,从而产生所需要的一组或多组电压!转华为高频交流电的原因是高频交流在变压器变压电路中的效率要比50HZ高很多.所以开关变压器可以做的很小,而且工作时不是很热!!成本很低.如果不将50HZ变为高频那开关电源就没有意1、正激电路 
电路的工作过程:
a> 开关S开通后,变压器绕组N1两端的电压为上正下负,与其耦合的N2绕组两端的电压也是上正下负.因此VD1处于通态,VD2为断态,电感L的电流逐渐增长;
b> S关断后,电感L通过VD2续流,VD1关断.S关断后变压器的激磁电流经N3绕组和VD3流回电源,所以S关断后承受的电压为 .
c> 变压器的磁心复位:开关S开通后,变压器的激磁电流由零开始,随着时间的增加而线性的增长,直到S关断.为防止变压器的激磁电感饱和,必须设法使激磁电流在S关断后到下一次再开通的一段时间内降回零,这一过程称为变压器的磁心复位.
正激电路的理想化波形:
变压器的磁心复位时间为:
Tist=N3*Ton/N1
输出电压:输出滤波电感电流连续的情况下:
Uo/Ui=N2*Ton/N1*T
磁心复位过程:
2、反激电路
反激电路原理图
反激电路中的变压器起着储能元件的作用,可以看作是一对相互耦合的电感.
工作过程:
S开通后,VD处于断态,N1绕组的电流线性增长,电感储能增加;
S关断后,N1绕组的电流被切断,变压器中的磁场能量通过N2绕组和VD向输出端释放.S关断后的电压为:us=Ui+N1*Uo/N2
反激电路的工作模式:
电流连续模式:当S开通时,N2绕组中的电流尚未下降到零.
输出电压关系:Uo/Ui=N2*ton/N1*toff
电流断续模式:S开通前,N2绕组中的电流已经下降到零.
输出电压高于上式的计算值,并随负载减小而升高,在负载为零的极限情况下, ,因此反激电路不应工作于负载开路状态.
反激电路的理想化波形
全站搜索