你的位置: 首页 > 家电弱电 > 电源

双向可控硅组成的交流稳压器电路

2016-10-30 15:09:27 | 人围观 | 评论:

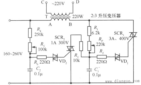
  今天为大家介绍的是一个由双向可控硅组成的交流稳压器电路。与单向可控硅稳压器相比较,其线路简单,性能可靠。

  如下图所示,当电网电压小于220V时,双向可控硅SCR2控制极上的电压也随电网电压减小而降低,致使VD2导通角小,C1端电压上升,从而使双向可控硅SCRl控制极电压升高,使输出电压上升。反之,输出电压下降,达到稳压。

  





标签: