2016-10-30 15:09:23 | 人围观 | 评论:
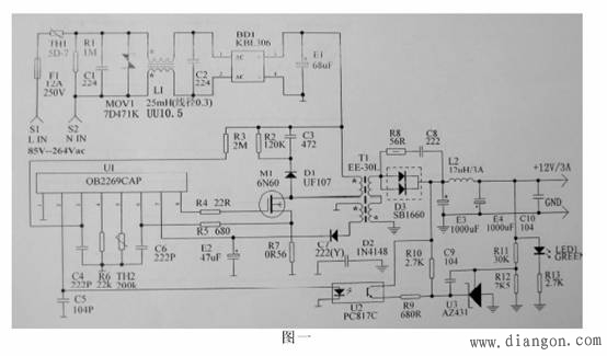
绿色开关电源的主要内容是效率高,待机功耗小。36W的效率要求大于83%,待机功耗要小于0.5W。现在的电源芯片供应商提供的一般都是绿色电源芯片,待机功耗一般都会很小。但是,效率高除了与芯片有关外,还与其它器件有流+反向漏电流 Idss×反压,用6N60加散热器可满足要求。
二次整流管工作在高频脉冲状态下,在12V3A输出时,要求工作耐压大于输出电压的4 倍,工作电流大于输出电流的3倍,用耐压60V,工作电流为16A的SB1660肖特基二极管可满足要求,但一定要加散热器。
电源芯片的功耗越小越好,因为它除了影响整机效率和待机功耗外,还涉及整机的工作稳定性,其功耗越大,温升越高,工作越不稳定。如昂宝公司的绿色开关电源芯片 0B2269AP,其正常工作功耗小于30mW,工作稳定。
开关变压器的损耗是整机损耗的大头,它包括铜损和磁损。简单复制人家的优质开关变压器很难做成损耗小的开关变压器的,因为开关变压器的损耗是一个复杂的关系,与磁芯的品质、设计、绕制工艺等有关。拿设计反激式开关变压器而言,它与工作频率、导通时间、绕制方法、磁隙(磨磁芯)等有关。开关变压器的设计是设计开关电源的核心,要有高深的理论知识和多年的经验沉淀,优秀的开关电源设计工程师在选择高品质的磁芯、结合先进的绕制工艺,能设计出效率高于97%的开关变压器。图一中的开关变压器的磁芯选用浙江天通的EE-30L,开关工作频率为65KHz,导通时间是0.42T(T是周期),初级78圈,次级8圈,芯片供电绕组9圈,初级电感量 1.2mH,漏感小于35uH,变压器的效率可达96%,工作时温升低于60℃。阻尼吸收网络由R2、C3、D1组成,D1用UF4007,C3用 1000V4700PF的高压瓷片电容器,R2为120K2W的电阻,R2与C3配合得好,脉冲吸收效果明显,R2与C3失配太多,不但损耗加大,还会辐射电磁波而使EMC过不了关。经测试,该网络的损耗小于0.4W。要注意,该网络的设计是与电源芯片、工作频率、变压器的设计有关的,不能应用于所有开关电源的电路。
由于二次整流管在工作时会产生尖脉冲,在输出中会叠加杂波,并且还会辐射电磁波而使EMC难过关,故要在二极管两端并联尖脉冲吸收网络R8与C8,图一中C8为22000PF100V的瓷片电容、R8为56欧姆0.5W的碳膜电阻,此吸收网络也是有一定功耗的,C8越大R8 越小,损耗越大。

图一尖脉冲吸收网络的功率损耗小于0.25W。同样要注意,吸收网络的设计也与电源芯片、开关频率、肖特基二极管的特性、变压器的设计有关的。
阻波电感L2能使输出纹波减小,一般是用漆包线在6毫米粗的磁棒上绕8到16圈。要注意,由于要通过大电流,故漆包线要粗,圈数不要太多,以免产生过大的压降而增大损耗。图一中的 L2的电感量为12uH,用粗0.8毫米的漆包线绕制,至于绕多少圈,要视磁棒的磁材料参数而定。
L2的设计与电源的工作频率、输出电流有关。特别提醒大家注意的是,DC输出线(图中未画)一定要达到或超过3A,否则,由于通过的电流大,可能在DC输出线上产生的功率损耗是最大的冤大头。
DC输出线在电源适配器中的价格比重较大,不少生产商会降低其载流量而减少成本,结果会使效率得不到保证。
本人按照图一电路参数设计的反激式开关电源,在国内标准输入电压(220V50Hz正弦交流电)下,在输出功率的25%测试时,输出纹波为45mVpp,效率是83.4%;在输出功率的50%测试时,输出纹波为48mVpp,效率是83.8%;在输出功率的7 5%测试时,输出纹波为53mVpp,效率是84.5%;在满载输出功率测试时,输出纹波为58mVpp,效率是84.8%。待机功耗小于0.4W。符合 CEC(美国加州)“能源之星”法案Table U-2(2008年1月执行)绿色开关的要求。
开关电源设计工程师要有深厚的理论功底和丰富的设计经验以及注意设计细节等才能达到美国加州能源之星法案Ⅳ等级的设计要求。然而,符合“能源之星”的绿色开关电源不一定是优质电源,还要求其它参数符合,绿色开关电源只是在原来的开关电源参数上提高了有关能效的参数标准而已。
随着人们低碳生活的需求,开关电源的能效要求会越来越高,开关电源的设计难度也会越来越大,这就要求开关电源设计工程师不断更新知识,熟悉新材料,学习新技术,掌握新工艺,对技术精益求精,这样才能设计出高品质的绿色开关电源。
全站搜索