2016-11-02 12:16:37 | 人围观 | 评论:
现代电子设备对电源的工作效率和体积以及安全要求越来越高,在开关电源中决定工作效率和体积以及安全要求的诸多因素,基本上都与开关变压器有关,而与开关变压器技术性能相关最大的要算是变压器的铁芯材料。变压器的铁芯材料的磁滞损耗和涡流损耗大小是决定变压器的铁芯材料技术性能好坏的最重要因素。因此,对变压器的铁芯材料进行磁滞回线测量是必要的。
变压器的铁芯一般都选用铁磁材料,铁磁材料除了具有高的磁导率外,另一重要的磁性特点就是铁磁材料在磁化过程中,磁通密度B与磁场强度H相差一个相位,这个特性称为磁滞现象。因此,当变压器的铁芯被交变磁场磁化时,变压器的铁芯的磁化曲线也称磁滞回线。磁滞回线是介质内部磁场强度H和磁通密度B的关系曲线,通过测试变压器铁芯的磁滞回线,很容易就可以看出变压器的铁芯材料的主要电气性能。
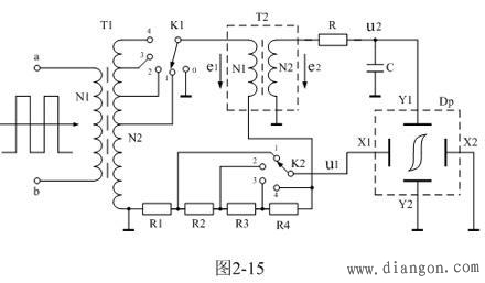
要对铁磁材料的磁滞回线的参数进行严格测试是比较麻烦的,不过用示波器显示磁滞回线则比较简便。图2-15是用示波器测量变压器铁芯磁滞回线的原理图。在图2-15中,变压器T1为信号源,通过K1选择变压器T1次级线圈的抽头就可以改变信号源的电压输出;T2为待测变压器样品,Dp为示波器;R1、R2、R3、R4为显示磁场强度H的取样电阻,取样电压u1作为示波器X轴偏转显示输入电压,通过K2可以选择取样电压输出,从而可以改变示波器X轴偏转显示的宽度;电阻R和电容C为积分电路,积分电压u2由电容C两端输出,作为示波器Y轴偏转显示输入电压,以显示磁通密度B。

下面我们来详细分析图2-15的工作原理。根据安培环路定律:磁场强度矢量沿任意闭合路径一周的线积分,等于穿过闭合路径所包围面积的电流代数和。以及磁路的克希霍夫定律:在磁场回路中,任一绕行方向上磁通势NI(N为线圈匝数,I为电流强度)的代数和恒等于磁压降 Hili( Hi为磁场强度, li为磁路中磁场强度为Hi 的平均长度)的代数和。设流过变压器T2初级线圈的励磁电流为i1,则可求得样品变压器铁芯中的磁化场强为:
H = N1i1/l (2-32)
式中: l为变压器样品铁芯的平均磁路长度。设R1的端电压为u1,则可得:
i1 = u1/R1 (2-33)
H = N1*u1/R1*l (2-34)
(2-34)式表明:在图2-15中,任一时刻取样电压u1均与磁场强度H成正比,因此,电压u1可以作为示波器X轴输入电压,用示波器的水平方向来显示磁场强度H。
我们再来看怎样对磁通密度B进行显示。根据法拉第电磁感应定律,在交变磁场的作用下,变压器T2次级线圈中感应产生的电动势e2大小为:
e2 =N2dΦ/dt =N2SdB/dt (2-35)
(2-35)式中,e2为变压器T2次级线圈产生的感应电动势,N2为变压器T2次级线圈的匝数, Φ为变压器铁芯中的磁通,S为变压器铁芯的有效导磁截面积。
磁通密度B可以通过对(2-35)式进行积分求得:

由(2-35)和(2-36)式可以看出,感应电动势是磁通密度对时间的微分,那么磁通密度就应该是感应电动势对时间的积分。因此,对磁通密度B进行显示必须由一个积分电路组成。在图2-15中,RC电路正好有这种积分特性。
从原理上来说,只有RC积分电路输出电压的特性与磁场强度取样电路输出电压的特性(速率)基本一致的时候,磁滞回线的显示失真才会最小。那么u1电压的变化特性与u2电压的变化特性是否基本一致呢?为了简单和便于分析,这里我们把输入电压看成是交流脉冲方波,但对于正弦波电压还是同样有效。
如果忽略取样电阻R1两端的电压降u1,则加到变压器两端的电压e1为:
e1 ≈L1di1/dt (2-37)
由此可以求得流过变压器初级线圈的励磁电流为:
i1 = = +i1(0) ――输入电压为方波 (2-38)
(2-38)式中,e1为加到变压器T2初级线圈两端的电压(这里为方波),或T1变压器次级线圈输出的电压(方波);L1为变压器T2初级线圈的电感,i1(0)为时间等于零时变压器T2初级线圈中的励磁电流。实际上,这里的i1(0)要与积分电路中电容器C,在同样时刻对应的充电电压u2(0),所对应的磁通密度B(0),互相对应才有意义,因为它们之间存在相位差。
由(2-38)式可以看出,如果忽略取样电阻R1两端的电压降u1,流过变压器T2初级线圈的励磁电流是一个线性电流,即:取样电阻R1的输出电压u1为锯齿波,正好与示波器X轴的扫描电压相对应。
我们再来分析RC积分电路的输出电压。如果忽略电路损耗,则e2负载回路方程为:
e2 =N2SdB/dt = i2R+u2 (2-39)
(2-39)式中,i2为流过电阻R的电流,或电容器的充电电流,u2为电容C两端电压。与分析变压器初级线圈中的励磁电流一样,如果把积分电路的时间常数取得足够大,电阻的阻值也取得足够大,则在一个周期内电容两端的充电电压u2相对电阻的电压降是可以忽略的。则(2-39)式可以改写为:
e2 ≈ i2R (2-40)
在任一时刻,电容C的充电电流为:
i2 = dq/dt=Cdu2/dt (2-41)
(2-41)式中,q为电容器充电积累的电荷。因此,(2-40)又可以表示为:
e2 ≈ i2R =RCdu2/dt (2-42)
把(2-42)结果代入(2-36)可以求得:
B =R*C*u2/N2*S +B(0) (2-43)
(2-43)式中,B(0)为时间等于零时T2变压器铁芯中的磁通密度。同样,B(0)要与同一时间(即时间等于零时)变压器T2初级线圈中的励磁电流i1(0)互相对应才有意义。实际上i1(0)与B(0)的值不可能同时为0,如果i1(0)和B(0)同时为0,示波器所显示的图形将是一条斜线(即理想磁化曲线)。
由(2-43)式可以看出,磁通密度B的确是与积分电容C两端的电压u2成正比;也就是说,磁滞回线可以用u1和u2分别代表磁场强度H和磁通密度B通过示波器来进行显示。
另外,由(2-40)、(2-42)式可以看出,如果忽略积分电容C两端的电压降u2,则对电容C充电的电流基本上可以看成是恒流,即:积分电容C两端的电压u2为锯齿波,正好与磁场强度取样电路输出电压u1的特性(速率)基本一致。如果在分析过程中,取样电阻R1两端的电压降u1和积分电容C两端的电压降u2都不能忽略;那么,取样电阻R1两端的电压降u1和积分电容C两端的电压u2也可以通过解一元二次微分方程来求得。
实际上用微分方程求解电感、电容的充放电过程,在第一章的内容中已经有过很详细的分析,这里不准备再重复。实际上,电压通过电阻对电感进行充电的过程,与电流通过电阻对电容充电的过程,是非常相似的,两者都是按指数方式上升,只不过前者变化的参量是电流,后者变化的参量是电压。只要两者的时间常数基本一致,它们的变化曲率也将基本一致。因此,用u1和u2分别代表磁场强度H和磁通密度B在示波器上进行磁滞回线显示失真是很小的。电压通过电阻对电感进行充电的时间常数τ=RL,电流通过电阻对电容进行充电的时间常数τ=RC。
在图2-15中,开关K1是用来选择输入电压幅度的,当K1选择“1”的位置时,输入电压的幅度比较小,被测试样品的磁滞回线面积也比较小;当K1选择“4”的位置时,输入电压的幅度比较大,被测试样品的磁滞回线面积也比较大。
图2-16是测试样品在输入不同幅度的电压时,对应不同磁滞回线的显示图。图2-16中,最外一条磁滞回线是对应开关K1选择“4”的位置时,所显示的磁滞回线图形;而最内一条磁滞回线是对应开关K1选择“1”的位置时,所显示的磁滞回线图形。开关K2是用来选择显示图形水平宽度用的,变压器铁芯中的磁场强度以及磁通密度的大小,与开关K2选择的位置无关。当K2选择“1”的位置时,显示图形的水平宽度最窄;当K2选择“4”的位置时,显示图形的水平宽度最宽。另外,图2-16中的o-a初始磁化曲线,在实际测量中是很难看得到的,因为它只能出现一次,不会重复出现。
从图2-16可以看出,当变压器铁芯中不存在磁化场时,H和B均为零,即图2-16中B~H曲线的坐标原点0。随着磁场强度H的增加,磁通密度B也随之增加,但两者之间不是线性关系。当H增加到一定值时,B不再增加(或增加十分缓慢),这说明该变压器铁芯的磁化已接近饱和状态。一般人们都把Hm和Bm分别称为最大磁场强度和最大磁通密度(对应于图中a点);而把Hs和Bs分别称为饱和磁场强度和磁通密度。

如果再使H逐渐退到零,则与此同时B也逐渐减少。然而H和B对应的曲线轨迹并不沿原曲线轨迹a-0返回,而是沿另一曲线下降到Br,这说明当H下降为零时,铁磁物质中仍保留一定的磁性,这种现象称为磁滞,Br称为剩磁。将磁场反向,再逐渐增加其强度,直到H=-Hc,磁通密度消失,这说明要消除剩磁,必须施加反向磁场Hc。Hc称为矫顽力。它的大小反映铁磁材料保持剩磁状态的能力。图2-16表明,当磁场按Hm→0→-Hc→-Hm→0→Hc→Hm次序变化时,B所经历的相应变化为Bm→Br→0→-Bm→-Br→0→Bm。于是得到一条闭合的B~H曲线,称为磁滞回线。所以,当铁磁材料处于交变磁场中时(如变压器中的铁芯),它将沿磁滞回线反复被磁化→去磁→反向磁化→反向去磁。在此过程中要消耗额外的能量,并以热的形式从铁磁材料中释放,这种损耗称为磁滞损耗。前面已经证明,磁滞损耗与磁滞回线所围面积成正比。
不同的磁场强度对应的最大磁通密度Bm和剩磁Br,以及磁矫顽力Hc的大小都是不一样的,因此,不通过测试比较,很难定义某种铁磁材料各种参数的好坏。
图2-15电路还可以用来对变压器铁芯或铁磁材料进行退磁。方法是先把开关K1打到“4”的位置上,让变压器铁芯先充磁,然后,把开关K1由“4”位置逐个打到“3、2、1、0”的位置,最后磁场强度将为0,剩余磁通密度Br也基本为0。由于输入电压是交流电压,因此退磁起点的相位是随机的。图2-17变压器铁芯或铁磁材料退磁时的路线图,在图2-17中是假设磁通密度和磁场强度都是从最大值(即a点)开始的。
顺便指出,用于测试磁滞回线的变压器铁芯样品最好是磁环,因为,普通的E型变压器铁芯多少会存在气隙;一般气隙的磁阻是铁磁材料磁阻的上万倍,因此,哪怕气隙的长度只有总磁路长度的万分之一,其对测试结果的影响也是非常大的。
另外,图2-15所示的测试电路不能用于对单激式变压器铁芯的磁化曲线进行测试,因为,输入电压为双极脉冲电压。如要对单激式变压器铁芯的磁化曲线进行测试,可在K1的电压输出端接一个整流二极管。

对单激式变压器铁芯的磁化曲线进行测试,在应用上是没有多大意义的,因为磁化曲线的面积相对双激式变压器铁芯的磁化曲线的面积非常小,因此,对单激式变压器铁芯的磁化曲线进行测试,倒不如用对双激式变压器铁芯的磁化曲线进行测试来代替。
全站搜索