2016-11-10 10:08:37 | 人围观 | 评论:

1. 取样环节:R1 、R2 分压提取取样电压uF(反馈电压)
2. 基准电压环节:提供稳压的基准电压UREF
3. 放大环节:比较放大器A,放大差值(UREF -uF)
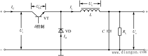
4. 调整环节:调整管T由开关信号控制通断,稳定输出电压UO。
5. LC滤波器及续流二极管D:滤波和续流得到平稳的直流电压。
6. 脉宽调制比较器C:反相端接uT (三角波发生器的输出),同相端接uA (比较放大器输出),输出开关信号uB驱动调整管。
三角波发生器与比较器组成的电路称为脉宽调制电路(PWM)
开关电源的工作原理
1. 分析
当uB为高电平→T饱和、D截止,uE=UI ,经LC滤波到负载RL同时iL↑→ L和C储存能量
当uB为低电平→T截止、D导通, uE=-UD≈0,D续流→ LC泄放能量给RL供电,输出较平稳的直流电压
虽然T处于开关状态,但由于D的续流和L、C的滤波作用,输出电压UO是比较平稳的。
2. 输出平均电压及占空比
调整管通断时uE的波形为矩形波

输出平均电压(忽略滤波电感L的直流压降):

可见,对于一定的UI值,通过调节占空比即可调节输出电压UO。
2. 开关电源电路的基本类型
①串联型。图示的开关电源基本形式即是串联型开关电源,其特点是开关调整管VT与负载RL串联。

②并联型。并联型开关稳压电源基本电路如图7-3-3所示,其工作波形与串联电路基本相同。因开关管VT与负载RL并联而称之为并联型。此外二极管VD通常称之为脉冲整流管,C为滤波电容。

三种基本的非隔离开关电源:

三种基本的隔离开关电源:

全站搜索