2016-11-29 13:50:18 | 人围观 | 评论:
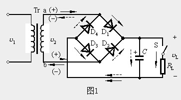
图1为单相桥式整流、电容滤波电路。在分析电容滤波电路时,要特别注意电容器两端电压vC对整流元件导电的影响,整流元件只有受正向电压作用时才导通,否则便截止。

负载RL未接入(开关S断开)时的情况:设电容器两端初始电压为零,接入交流电源后,当v2为正半周时,v2通过D1、D3向电容器C充电;v2为负半周时,经D2、D4向电容器C充电,充电时间常数为
其中Rint包括变压器副绕组的直流电阻和二极管D的正向电阻。由于Rint一般很小,电容器很快就充电到交流电压v2的最大值
,极性如图1所示。由于电容器无放电回路,故输出电压(即电容器C两端的电压vC)保持在
,输出为一个恒定的直流,如图2中wt<0(即纵坐标左边)部分所示。
|