2016-12-14 14:12:32 | 人围观 | 评论:
随着工程师们对数字电源这项技术及其优势的熟知,各式各样的数字电源的发展势头日益强劲。电源系统和电源设计人员已经意识到,部署数字电源并不是对现有技术进行革命性转变的全新设计。由于目前市场上数字电源器件种类繁多,设计人员可以立即利用其巨大优势,应用到任一设计项目。可以于此获得极有价值并且相当丰富的收益。
数字电源尺寸和成本概述
数字电源利用混合信号处理开发的发展演进。混合信号处理同时满足了数字电路与模拟电路的需要。数字电路的范围很广,其中包括微处理器、状态机以及通信外设和简单逻辑电路。存储器也包含在这个部分中。模拟电路可以包括运算放大器和比较器、模数转换器 (ADC)、数模转换器 (DAC) 脉宽调制器 (PWM) 发生器和基准,以及更多其它器件。对这一处理技术的充分利用能让这些器件优化模拟与数字电路的分配,同时又将这些器件集成在一个芯片上。通过减少物料清单 (BOM) 成本和器件数量可以降低系统成本,并且由于系统中所包含的互连组件减少,系统会更加可靠。由于一个控制器有可能服务于很多解决方案,制造商需要跟踪和储备的最小库存单位 (SKU) 更少。
举个例子,集成一个多用途微控制器 (MCU) 既能够执行一定范围的电源相关功能,能够免除了对于其它独立控制芯片的需要。可以为集成型MCU设定许多电源管理特性,诸如过压、欠压、过流条件和其它功能。根据数字MCU处理能力的不同,数字电源器件可被设定为包含多种电源转换特性,诸如简单到复杂拓扑支持、自适应环路补偿、针对峰值电流模式控制的斜坡补偿、均流以及温度补偿。另外一个例子就是提供功率因数校正 (PFC),与此同时执行电子仪表计量功能。通过提供多种数字电源器件,设计人员能够为应用选择最适合的功能,而无需担心其他无用的功能造成的负担。
电源拓扑灵活性
数字技术所固有的灵活性,使得特有集成数字MCU或可配置状态机的数字电源器件可成为一个支持所有主要传统电源拓扑的平台,这个平台也支持任何有可能出现的全新且更加精密的拓扑。所支持拓扑将包括相移全桥、多相交错PFC、无桥PFC、共振LLC、双向DC/DC、双向DC/AC和PFC、三相逆变器、最大功率点跟踪 (MPPT) DC/DC和其它拓扑。由于这一灵活性和集成外设,通过使用高分辨率相位、频率和占空比控制算法,数字电源器件能够提供精确波形控制。
效率
高级控制算法使得数字电源器件能够提高电源和系统的功效,从而减少了电源和主机系统的能耗。这对数据中心、海量存储系统等很多应用的运行成本都有显著的影响。自适应数字控制能够实现快速调节,以改变线路和负载情况,从而优化电源和系统效率。例如,对于更高效的电力传输,可以实时改变功率级的控制方法,或者对电源转换进行调节,以减少其在轻负载或无负载条件下的功耗。
可靠性和安全性
数字电源器件能够轻松实现与系统中其它数字和模拟组件的交互,这意味它们能够通过执行系统级监视和故障响应来有效地提高主机系统的可靠性和安全性。实际上,数字控制器的可编程属性使得它们能够支持多种总线(诸如PMBus、I2C、SCI、SPI、CAN和其它类型的总线)上的多协议通信,这样的话,系统能够轻松地与电源子系统通信。通过监视和记录整个系统中的数据,数字电源技术有助于系统诊断,提供早期故障和错误报警,系统也就能够采取适当的应对操作。
宽带隙 (WBG) 兼容性
与其等到那些能够满足WBG器件新功能的全新模拟控制器被开发出来,还不如现在就使用某些数字电源解决方案。在提供极高分辨率定时控制的同时,兼有数字电源对所有电源拓扑的支持能力,诸如氮化镓 (GaN) 的全新器件可被用于具有较高开关频率、较低开关损耗、更大功率密度和零反向恢复的高级拓扑中。
TI的数字电源创新
德州仪器 (TI) 的数字电源技术产品组合是目前业内最全面的产品库。虽然其他供应商也许能为此行业的一个或数个细分市场提供专业的数字电源解决方案,TI宽泛的数字电源创新组合却可以满足任何可能的设计需求。
总的说来,数字电源技术在许多应用中都适用,从相对简单的功能到最复杂的电源管理任务。数字电源市场通常被细分为4个不同的器件类型,每一类器件均有其自身的优势和解决方案。这些器件为: 数字电源控制器;具有数字接口的模拟电源稳压器;数字电源排序器;数字热插拔控制器。接下来将解释每个产品类别,并谈一谈TI数字电源产品库中的一些器件。
数字电源控制器
数字电源控制器调节不同类型电源的输出,从AC/DC到DC/AC电源、隔离式DC/DC、负载点 (POL) 稳压器、功率调节器和滤波器,以及其它器件。由于它们所具有的集成MCU和电源专用外设,数字电源控制器具有同时执行环路补偿和管理反馈环路所需的计算能力,以保持正确的输出稳压或调节,以及执行其它系统级监视和稳压任务的能力。这些器件配备有针对电源管理应用进行优化的外设。
TI的数字电源控制器有一些行业内独一无二的功能。例如,它们的高频和高分辨率运行使得它们与GaN技术兼容,从而提供高开关速度和低功率损耗。此外,TI所有的数字电源控制器特有出色的瞬态响应和动态性能。这些功能由不同的技术实现。在某些情况下,数字电源控制器针对极快速中断而设计,这就减少了控制环路采样与响应计算之间的延迟。在其它情况下,使用集成有专用ADC和计算引擎的外设来提供针对控制环路的快速响应。通常情况下,这些快速响应能力使得控制器能够减少功率级组件间的差异所带来的影响。
集成在TI数字电源控制器中的MCU可编程性使得它们完全可配置并且能够控制复杂拓扑,以及诸如双向、多相重排序和相位校正、自适应死区时间控制以及其它运行模式。此外,通过配置这些控制器能在包括PMBus在内的多种总线上支持系统级监视、仪表计量和通信。这可实现诸如在线诊断和报告、现场功耗数据采集等精密电源管理过程,以优化设计,并且可以通过数字接口把新参数写入控制器。正因如此,可采用多种拓扑来监视控制环路。实际上,通过使用控制器的数字补偿,可以完全避免执行具有外部组件的控制环路。控制器所执行的监视和数据记录也可形成早期故障报警的基础,这也反过来使系统能够采取措施来减少这些故障的影响。
C2000 TM微控制器
设计灵活性与开发的简便性使得TI C2000 MCU成为广泛应用中众多电源系统设计的核心部件。借助于高级C语言的完全可编程性以及可轻易更改的配置变量,C2000 MCU已经显现出其强大功能,它们可以组成很多平台架构的基础,可以很方便地将这些架构调整为满足特定的设计需要,其中也包括最高级的电源拓扑。高度可配置的PWM和ADC组合使得C2000 MCU能够支持最精密的电源控制功能。C语言中提供的模块化软件库加快了系统级应用的直观开发。TI的C2000实时C28x处理内核具有高达200MHz的处理能力,以支持最精密的电源系统。除了其主要的处理内核,C2000 MCU还特有基于RISC的控制律加速器 (CLA) 实时协处理器,它的速度处理能力也高达200MHz。这两个完全不同的处理资源可实现处理负载的有效划分,CLA能够承担控制环路处理和其它实时任务,减轻主内核处理这些任务的负担,从而主核可以专门进行通信协议处理或额外的控制环路控制的内务处理任务。这样整个电源系统就会更加有效,响应速度更快。利用多达12对高速、高分辨率PWM(分辨率额定值150ps)等众多资源,C2000 MCU能够驱动高开关频率以及大量相位或电源轨,同时又减小了设计尺寸。集成高速ADC的处理速度高达4MSPS,分辨率高达16位。C2000 MCU还支持最常见的实时通信协议,其中包括I2C、SCI、SPI、CAN和PMBus。
通过将精密控制架构所需的全部资源集成到一个轻松可编程、可配置器件内,C2000 MCU在减小尺寸和降低成本的同时,也降低了系统其余部分的硬件复杂度。与多个PWM事件同步的高分辨率ADC和DAC可实现广泛的控制,包括斜坡补偿电路在内的片上功能性支持峰值电流模式和其它精密控制机制。诸如比较器和来自多个来源的触发区输入的数个集成资源可实现对功率级的多种保护功能,其中包括过压、欠压和过流保护。多个片上时钟提供的冗余功能可通过时钟源的备份来提高电源系统的可靠性。实际上,C2000 MCU特有一个3时钟保护系统配置,其中的一个时钟在另一个时钟发生故障时自动切换至备用时钟。
开发工具
开发人员将C2000 MCU应用到数字电源系统的设计之中,从而能够充分利用大量的软件与硬件,简化了开发流程,那些不甚了解数字电源组件的工程师们也能够很快上手。。通过充分利用TI的powerSUITETM图形软件工具(controlSUITETM软件包的一部分),设计人员能够快速升级和完成一个开发项目。借助经完全测试软件模块(针对诸如PFC、AC/DC整流、隔离式DC/DC、DC/DC降压转换器和DC/AC变换器应用)的TI数字电源库,设计人员能够快速采用其中一个powerSUITE应用专用软件模块来满足他们系统的特定需要。不用再从头为全新系统编写代码。powerSUITE软件频率响应分析器 (SFRA) 使设计的频率响应分析自动化,而powerSUITE补偿设计工具可实现不同类型比较器的开发,以优化闭环性能。此外,TI的Code Composer StudioTM集成开发环境 (IDE) 支持任何所需的其它软件开发。
一款应用专用评估模块 (EVM) 主机和开发板也加速了原型机设计和实验过程。这些创新性EVM的一个有趣示例就是数字电源BoosterPack,C2000 PiccoloTM F28069 LaunchPad开发套件的插入式子板。图1中显示的BoosterPack包括一个数字降压转换器和工具,这些工具引入了数字电源控制概念,并且简化了数字电源控制子系统的实际设计。

图1.数字功率BoosterPack,一款针对C2000 Piccolo F28069 LaunchPad开发套件的插入式子板
应用
由C2000 MCU控制的电源系统为很多最复杂的电源应用提供灵活性、处理能力和片上资源。这些应用包括针对太阳能应用的微型逆变器、串式逆变器和集中式逆变器,用于智能电网的电力线通信调制解调器,针对电动和混合动力车辆充电系统的汽车应用,发光二极管 (LED) 照明,功率调节器,有源电力滤波器,UPS,数字发电机以及很多其它器件。
用例分析
服务器系统提供了大量的示例,表明了C2000 MCU的强大功能是如何提高应用的效率和有效性。通过集成在服务器的机架内,基于C2000 MCU的电力系统能够在控制机架内所有服务器电力分配的同时,密切监视和报告这个机架内每个刀片式服务的运行状态。通过使用C2000 MCU,可以改进整个服务器电源接通时间和效率。
UCD3138 数字电源控制器
UCD3138数字电源控制器系列主要用于简化和提高电源设计,并最大限度地增加设计灵活性。UCD3138控制器包含多个硬件外设,这些外设可以与集成型ARM处理器协同工作。传统的基于MCU的解决方案要求快速、复杂的计算来稳定控制环路,但UCD3138处理器从不直接参与控制环路补偿。反之,一旦配置完成,多个硬件外设自主运行来控制电源转换器。这个方法使得UCD3138处理器能够专注于处理其它对时间要求严格的内务和/或通信任务。当需求增加时,ARM处理器完全能够与控制环路进行交互并采取相应的操作。借助于UCD3138控制器,在与MCU保持协调一致的前提下,通过使硬件外设自主运行,可简化总体设计。
UCD3138控制器的内核是数字控制环路外设,也被称为数字电源外设 (DPP)。每个DPP执行一个高速数字控制环路,此环路由一个专用高速2MHz误差模数转换器 (EADC)、一个基于比例-积分-微分 (PID) 的2极/2零数字比较器和具有250ps脉宽分辨率的数字PWM输出组成。在这个经简化的配置中,每个环路均具有一个专用ADC和可配置数字滤波器来计算控制值。然后,这一控制值被转化为高分辨率数字输出,以支持PWM、脉冲频率调制 (PFM) 或相移调制系统配置。提供的3组外设在配置完成后自主运行,并同时控制3个独立的反馈环路。可配置数字滤波器具有多组系数,可针对不同的功率响应需要进行选择。
这个器件系列的架构的简单性还体现在固件开发方面。DPP的配置简单直接,将位值分配给特定预先定义的寄存器即可完成。UCD3138控制器不需要复杂的代码开发来连续计算复杂的数学转换函数。某些数字电源设计需要工程师进行大量繁琐的练习,为不同的任务拆分和分配计算资源,以验证所选择的MCU足以满足应用的需要。UCD3138控制器系列用其精简的处理器开销需求打消了这些顾虑,从而得到一个针对电源应用进行良好优化的器件。

UCD3138器件可通过诸如PMBus或其它的数字通信接口进行设定。这些资源已经针对高性能电源设计进行了优化,并且其中的很多资源是高度可配置的,可以满足广泛的需要,这使得UCD3138系列成为很多行业应用的理想选择,包括网络基础设施、工业和汽车应用等。
由于是一款高度集成的数字电源控制器,UCD3138器件免除了对于电源设计中单个芯片的需要,从而降低了电源成本并减小了电源尺寸。UCD3138控制器系列特有集成电源管理和电力转换能力,能够支持排序、软启动/停止等功能以及其它管理任务。PMBus的所有命令以及定制命令被支持用于有效电源管理功能。峰值电流模式控制由集成斜坡补偿电路完成。UCD3138控制器系列集成了几个模拟功能,以提供实时监视和响应。这一功能划分优化了数字控制器件的速度和功率需求。这些特性提供包括过压、欠压和过流保护等保护功能。一个集成型温度折返特性在功率级温度超过安全水平时,可在无需完全关闭电源的情况下减少电流。MCU还能提供许多其他服务,典型例证就是支持运行中的固件升级。这是指在将电源固件升级和指定到一个更新版本的同时无需中断电源运行 [1]。UCD3138064($5.5012)器件采用一种双组存储器架构,在对其中一组存储器编程的同时,支持另外一组存储器的执行。借助由专用外设管理的关键电源控制和保护功能,MCU能够将其带宽专门用于将新的固件导入至冗余段,验证写入的有效性,然后实现之前固件版本到较新版本的适时切换。
开发工具
TI的融合数字电源设计工具 (Fusion Digital Power Designer) 提供一个具有直观图形化用户界面 (GUI) 的高效开发环境。Fusion GUI能够配置一个UCD器件的普通工作特性并监视其性能。它由一个通用串行总线 (USB) 适配器,通过PMBus连接至电源控制器。此外,提供的经测试以及可重新配置的软件块大大加快了代码开发。用于代码开发的TI Code Composer Studio IDE具有使快速启动更加便捷的现成可用项目模板。针对不同特定类型的电源或功能的多种成本有效EVM,将通过促进直接原型机设计和实验来加快电源开发。图2中显示的是这些模块中的一个示例。

图2. 基于UCD3138数字控制器的1/8砖型隔离式DC/DC电信电源模块
应用
UCD3138数字电源控制器系列是一款混合产品,在具有专门用于电源设计的片上功能性的同时,还有可编程数字处理、可配置模拟与数字外设所特有的灵活性。电源专用和灵活资源的独特混合属性使得UCD3138器件能够支持多种应用,其中包括服务器电源、电信整流器、隔离式DC/DC电源模块、工业用AC/DC转换器以及为高性能PFC供电的汽车电源、AC/DC转换器、隔离式DC/DC电源系统、电信系统电源、整流AC/DC电源和视频通信系统。还有针对普通隔离式电源拓扑的参考解决方案,诸如AC/DC升压PFC、谐振LLC、相移和硬件开关全桥、以及正激有源钳位。
用例分析
由于其低引脚数量、小型封装尺寸和成本有效性,UCD3138电源控制器已经在诸如无线基站基带装置、远程射频器件和微型基站等电信开关和无线通信设备的电源中被广泛采用。这些系统中的电源被称为“砖型”,确保了功率密度,这成为UCD3138数字电源控制器的一大优势。

数字负载点 (POL) 系统控制器
这些器件中具有代表性的是UCD92xx系列数字POL控制器。它们为POL设计人员提供极高程度的可配置性。借助于可轻松获得的极高灵活性,系统设计人员能够快速配置POL的输出和相位,以满足他们的特定设计需要。高级POL能够控制多达4个输出电源轨,和最多8个相位。电源子系统控制环路的数字控制可确保对输入电压和负载电流变化的快速响应。在需要时,UCD92xx系列可被配置为提供非线性响应。电源子系统中的低延迟可以对系统的总体性能产生正面影响,并且有可能通过免除对特定储能电容器等额外单独功率组件的需要来降低成本、减少组件数量。UCD92xx器件的数字电源管理功能可以在具有很多电源轨的复杂高电流多相位应用中集成更多的精密排序过程。设计人员可以为系统中的不同电源轨周密地指定并轻松部署最有效地加电和断电序列。
开发工具
通过一款具有直观Fusion Digital Power Designer的综合电源工具系列、领先用户界面和业内电源工具的实际标准,TI的POL控制器能够提供快速原型机设计和实验。借助Fusion,设计人员能够监视电源性能,并在运行中重新配置参数,以快速找到最有效的实现方式。
应用
UCD92xx控制器特别适合于那些需要进行大量电源轨稳压和多相位调节的系统。高速企业网络互连系统、电信和无线基站开关,以及高数据吞吐量测试以及诸如自动测试设备 (ATE) 的测量系统等会有此类系统。通常情况下,这些类型的系统特有现场可编程门阵列 (FPGA)、特定用途集成电路 (ASIC) 或其它需要大量电源轨的复杂逻辑器件。
用例分析
某些复杂的企业网络互连系统和高数据吞吐量电信开关最多可支持300个电源轨,每个电源轨均需要通过电源控制环路的非线性、低延迟响应来实现严密稳压。UCD92xx控制器监视电源运行并对异常情况作出快速反应,以保持高系统性能。

具有数字接口的模拟电源稳压器
某些电源设计无需高度的可编程性或配置性,所以模拟电源管理器件可以满足电力转换的要求。然而,通常会有利用诸如系统电源管理等数字电源的某些功能的需求。集成PMBus接口可以满足这一需求。这将有助于减少组件数量和降低物料清单 (BOM) 成本。对于此类工程师,具有数字接口的模拟电源稳压器提供了熟悉的解决方案并确保了快速的设计周期。具有数字接口的模拟电源稳压器可以作为数字电源设计的第一步。设计人员可以保留之前采用的模拟电源架构,而同时又充分利用数字电源管理所具有的某些优势。TI的SWIFTTM TPS转换器是业内一款独一无二的产品。支持高达30A的高转换器功能,它们是唯一具有数字PMBus接口和集成模拟金属氧化物半导体场效应晶体管 (MOSFET) 的转换器。通过将数字和模拟电路组合在一起,SWIFT器件能够提供针对外部功率级的大量保护特性。这些产品的不同分类在提供额外可配置电源管理功能的同时,满足了特定的电力转换要求。例如,此类集成可实现过压、欠压和过流保护。此外,还集成了诸如温度软故障的电源管理功能,此功能在温度超过特定限值时,相应地缩小电流值,而不是完全关闭功率级。片上资源使得设计人员能够针对抗扰度和瞬态响应来对他们的拓扑进行微调。
SWIFT转换器上所包含的PMBus接口使得系统能够密切监视关键输出参数,其中包括电压和电流,并对这些参数的变换作出快速响应。此外,可通过PMBus接口来连接可选外部温度感测功能。
开发工具
TI的Fusion Digital Power Designer工具为SWIFT转换器提供直观的编程界面,而WEBENCH? 工具使得开发人员在一个工具内仿真和修改他们的设计工具。EVM和开发板的主机与Fusion和WEBENCH工具协同工作,以加快原型机设计和实验过程,从而极大地减少总体开发时间。
应用

SWIFT器件的高性能模拟电力转换和数字电源管理功能非常适合于通信和网络互连、个人和企业计算、工业自动化和过程控制、以及固态存储系统等广泛应用。
用例分析
由于它们的高集成度和高性能、低Rds(on)、NexFET技术、PowerStackTM单接地垫封装、小封装尺寸、高开关频率、以及扩展温度范围内的严密负载稳压,PMBus SWIFT DC/DC转换器已经被广泛部署在有线和无线通信设备中,诸如基站基带设备、远程射频装置微基站、10Gb/40Gb以太网开关,以及功率密度和热性能为优先设计考虑因素的企业存储系统。还包括一些全新应用,如高端可编程逻辑控制器和软件定义无线电等工业和太空/国防应用。
数字电源排序器
数字电源排序器具有可编程性和高集成度,因此是适用复杂多轨系统的简单、成本有效解决方案。在这些多轨系统中,大量电源轨的排序和监视较难实现。而借助针对PMBus、I2C或SMBus的集成ADC和数字通信接口,数字电源排序器可以简化硬件架构,从而为经优化的电源排序器提供一个行业标准接口,PMBus。因此,减小了系统尺寸也降低了成本。
能够监视和排序最多24条电源轨的TI UCD9xxx数字排序器是业内功能最强大的此类器件。它们包含大量的功率级保护特性,其中包括过压、欠压和过流保护。当内部温度传感器感测到功率级的温度过高时,UCD9xxx排序器能够相应地降低电流值,而不是完全关闭转换器。此外,备用的通道可被设定为控制系统外设,比如说通过PWM进行控制的风扇。

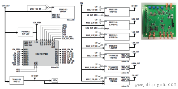
图3. 高性能企业开关PMBus电源解决方案
开发工具
Fusion Digital Power Designer为开发人员提供一个直观配置界面,通过这个界面,可以快速部署UCD9xxx器件的很多资源。此外,图3中显示的EVM和开发板类器件有助于设计人员在项目设计的最初阶段加快原型机设计和实验过程。

应用
数字排序器在需要多个电压轨的应用中找到用武之地。常见应用包括电信和网络互连设备、工业通信和工厂自动化系统、诸如ATE的测试与测量系统、服务器和其它存储系统。
数字热插拔控制器
数字资源已经将智能电源管理功能提升到更高的水平。其中一个示例就是热插拔控制器在高性能系统中所发挥的作用。热插拔控制器已经成为在电源中移除和插入电路时,管理电源的主要模拟电路。与上文中描述的模拟POL器件相似的是,器件中已经添加了数字接口,以准确监视,并且实时报告电压、电流、功率、电能和温度等特定的系统级运行条件。这使得数字热插拔控制器在保护系统不受硬件故障影响方面发挥应有的作用,这些硬件故障包括那些有可能会导致系统损坏的短路或其它情况。通过监视并报告系统电源性能指标,热插拔控制器支持电力的高效使用,以及智能电源管理系统配置。TI数字热插拔控制器针对电流测量进行了微调,通常情况下可实现优于2%的精确额定值。它们包括一个支持PMBus、I2C或其它接口的数字通信接口。基于热插拔控制器提供的电源监视信息,主机系统中的集中式电源管理控制器能够均衡电力负载,减小或增加处理元件的电力供应,以节省电能,更好地管理系统效率,并且预测有可能出现的故障,以实现更高的可靠性。
特定TI数字热插拔控制器与Intel Node Manager兼容,产品编号后缀中的“i”表示具有此项功能的器件。因此,这些热插拔控制器能够将它们的电能监视信息提供给Intel Node Manager,这些信息可被用来优化总体系统运行,以及多个刀片服务器上的能耗和机架级性能。
开发工具
在高功率、高性能系统要求与高功效之间的均衡是那些在设计中执行数字热插拔控制器的设计人员需要面对的一组复杂的设计难题。幸运的是,诸如热插拔设计计算器 (Hot Swap Design Calculator) 的TI工具能够自动计算并比较很多变量,不论是在创建全新设计,还是对性能糟糕的设计进行排错时,都必须将这些变量考虑在内。TI的电源接口 (PI) 指令器工具提供一个直观的GUI界面。通过这一界面,设计人员能够观察TI数字热插拔控制器所采集的能量监视信息。此外,PI指令器能够发现故障,并可以作为热插拔控制器软件的测试平台。
应用
TI数字热插拔控制器的主要应用通常为能效和功耗为主要考虑因素、以及那些需要热插拔管理的应用。数据中心和企业服务器系统;视频通信系统;和电信系统,其中包括无线基站、基带设备、塔式远程射频装置,以及其它数字热插拔控制器被广泛采用的领域。

用例分析
在高端数据中心或企业服务器系统中,数字热插拔控制器是整个设施内能源管理与运行控制间的主要连接器件。如果打算保持设施的能源收支平衡,海量服务器群集中每个刀片服务器的功耗信息必不可少的。此外,为了尽可能地延长正常运行时间,未来对故障识别或潜在故障位置预测的要求会增多。使用这些信息意味着最终结果的不同:让客户感到满意,而免于意外故障导致的整个机架内的服务器瘫痪。
全站搜索