PFC技术目前已经被成功应用到了中小功率开关电源产品的设计过程中,通过对功率因数校正的合理利用,工程师可以有效提升其工作效率。在今天的文章中,我们将会通过一个实际案例,来为各位新人工程师们进行实例解析,看在三相不控整流电路中应当如何有效实现其PFC设计。 三相不控整流电路是一种在中小功率开关电源设计中,比较常见的电路设计类型。但是,这种电路系统也有其本身的缺点,那就是即使负载等效为一个电阻,也不能获得满意的功率因数,需要人工进行PFC设计。出现这一问题的根本原因在于,三相不控整流电路中三相电压通过不控整流桥互相耦合,输入电流是三个相电压的函数,不可能同时兼顾三相输入电流,使任何一相输入电流都不能独立控制为正弦波形,必须对三相输入电压进行解耦。下图中,图1所展示的是就一种大电容滤波的三相不控整流电路结构。
 图1 大电容滤波的三相不控整流电路 结合图1所给出的这种电路结构,下面我们就来对该种大电容滤波的三相不控整流电路进行仿真分析。在仿真模拟过程中,我们所设置的各项参数如下:输入相电压有效值Ui=220V/50Hz,输出滤波电容C=1800μF,负载R=50Ω。任意一相的输入相电压相电流波形如图2所示,图3为输入电流的谐波分析图,仿真测量的功率因数值为0.566。通过仿真结果可以看出,这种电路具有功率因数低,输入电流的总谐波畸变程度大,输入谐波电流含量严重超标的缺点。
 图2 大电容滤波的三相不控整流电路输入电压电流波形
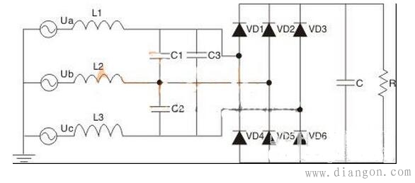
 图3 大电容滤波的三相不控整流电路输入电流谐波分析 在了解了这种大电容滤波的三相不控整流电路的缺点之后,针对其本身所存在的缺陷,我们所采用的PFC改良方法,是选择桥前采用LC滤波器桥后采用电抗器对这一电路系统进行重新设计,以此来达成PFC(功率因数校正)的目的。桥前采用LC滤波器桥后采用电抗器的三相无源PFC电路如图4所示,其特点是分别在原有三相全桥整流电路的交流输入侧加无源滤波器电感和电容,其三相交流输入端每相分别串联滤波电感L,输入滤波电容C采用三角形接法。同时在原有三相不控整流电路的整流桥后负载之前串联一个电抗器。
 图4 桥前采用LC滤波器桥后采用电抗器的三相无源PFC电路 在了解了图4所介绍的这种桥前采用LC滤波器桥后采用电抗器的三相无源PFC电路设计情况后,下面我们就来针对这一三相无源PFC电路进行Matlab软件仿真研究。主要仿真参数的设置情况如下:三相交流输入电压为Ui=220V/50Hz。输入滤波电容参数C1=C2=C3=20μF,输入滤波电感参数L1=L2=L3=10mH,三相整流桥输出滤波电容C=1800μF,电感L=15mH,负载电阻R=50Ω。
 图5(a)桥前采用LC滤波器桥后采用电抗器的三相无源PFC电路输入电压电流波形
 图5(b)桥前采用LC滤波器桥后采用电抗器的三相无源PFC电路输入电流谐波分析 经仿真后,这一进行了PFC设计的电路的输入相电压Ui和相电流ii的仿真波形和输入电流的谐波分析图,分别如图5(a)、(b)所示。通过测量后,求得功率因数值为0.804总的谐波失真率THD=15.3%。通过对图5所给出的仿真结果与图3的对比后发现,在这种三相不控整流电路的交流输入端加LC无源滤波器,能够有效降低输入相电流的THD值,提高了电路的功率因数。整流桥后串联电抗器与未串联电抗器相比,电流波形改善非常明显。 |