2016-12-17 18:00:41 | 人围观 | 评论:

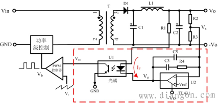
光耦与TL431的组合使用,构成最简单的开关电源控制回路(反馈回路),实现稳压输出,如图所示,Vs为输出电压Vo分压后的提供给TL431误差放大器反相端的采样型号,该采样信号Vs通过光耦二极管、TL431、电阻R1转换为电流信号IF,然后传输到光耦输出端,形成误差信号Vea,与PWM控制器的三角波Vt进行比较,得到矩形脉冲(具有一定占空比的PWM信号Vb),然后调节功率级器件的导通、截止时间,达到稳定输出的目的。
反馈环路的稳定性对开关电源来说是非常重要的,如果没有足够的相位余量和增益余量,电源的动态特性就会变差或直接导致输出振荡,使产品损坏或者缩短使用寿命。
在设计开关电源控制回路时,要充分考虑反馈环路的稳定性,使其具有负反馈特性:为了使产品能工作在最恶劣的情况时,仍保持稳定,理论至少需要45°的相位余量。
图红框的器件要素就构成一个具有2型补偿的反馈环路。TL431是开关电源次级反馈最常用的基准和误差放大器件,其供电方式不同对它的传递函数有很大的影响。在研发设计阶段,工程师一般都会借助环路测试仪器,调试环路的稳定性,缩短产品的开发周期,提高产品的稳定性、可靠性。
光耦在开关电源中的应用主要是提供初级输入与次级输出间的电气隔离、与TL431组合的反馈控制环路,所以在电路设计时,必须遵循下列原则:
1、根据产品输入、输出间的隔离耐压,选择符合国内、国际相关隔离击穿电压标准的光耦;
2、电流传输比(CTR)的理想范围是50%~200%。这是因为当CTR过小时,光耦中的LED需要较大的工作电流,这会增大光耦的功耗;当CTR过大时,在电路启动或者负载突变时,有可能影响正常输出;
3、优先选择线性光耦,因为CTR值在一定的范围内,具有较好的线性调整。
全站搜索