2017-03-28 14:32:52 | 人围观 | 评论:
对于开关电源而言, 安全、可靠性历来被视为重要的性能之一. 开关电源在电气技术指标满足电子设备正常使用要求的条件下, 还要满足外界或自身电路或负载电路出现故障的情况下也能安全可靠地工作. 为此, 须有多种保护措施. 对保护电路的特点分析, 对存在不足期待克服, 希望设计出更安全、更可靠的保护电路。
1 浪涌电流电路剖析
浪涌电流是由于电压突变所引起. 如电子设备在第一次加电压时, 由于大容量电源电容器充电引起的涌入初始电流 开机浪涌电流; 又如直击雷、感应雷沿着电源线进入开关电源的突变电压所产生瞬态电流雷浪涌电流. 浪涌电流上升时间非常快, 持续时间非常短, 破坏作用非常大. 为防止或减轻浪涌电流的破坏, 设置抑制浪涌电流或将浪涌电流转移到地线等方式来保护开关电源避免浪涌电流的损害。
1. 1 启动限流保护
开关电源的初级整流电路有大容量滤波电容,开机瞬间整流管向这些大电容充电, 使整流管瞬时电流超过额定值. 为减小开机启动限流( 浪涌电流) ,开关电源通常都设有抗冲击电路. 如图1 电路, 在开机瞬间, 开关电源变压器的3、4 绕组电压为0V, VD5截止, 晶闸管VD6 的G、K 极间电压为0V, VD6 截止.充电电流路径: AC220V→VD1- 4 正极→大电容C1→地→R2→VD1- 4 负极. 由于R2 有阻碍大电流作用( 一般设为3. 3Ω) , 因此能有效限制开机浪涌电流。
开关电源正常工作后, 开关电源变压器的1、2绕组上产生感应电压, 对C2 充电( 充电时间常数约等于R3×C2) , 使VD6 导通, 整流电流不再经R2, 而是经VD6 的A、K 极返回整流桥VD1- 4 的负极. 也就是说, 在正常工作状态, VD6 将R2 短路, 防止R2产生功耗.R2 仅在开机瞬间起作用。
用晶闸管作启动限流保护安全可靠, 但电路比较复杂些, 从电路成本和电路简捷等角度来说用温控电阻作启动限流保护, 它既经济又简单更安全可靠, 如图3。
1. 2 雷浪涌电流保护
电网输电线受到雷击或感应雷时, 输电线中的感应突变电压会产生浪涌电流. 为防范雷浪涌电压和电流冲击, 常在电源的输入端并联一个或几个压敏电阻来释放雷浪涌电流的冲击. 图2 电路是用压敏电阻来防范雷浪涌电流, 压敏电阻Rv 常状态下呈高阻抗( 近似开路) , 当电网输电线遇到雷击或感应雷, 压敏电阻Rv 两端瞬间超过它的启动电压, 它将立即由高阻抗变为低阻抗( 近似短路) , 使雷浪涌电流释放, 同时交流保险丝F 熔断, 起到防输电线被雷击或感应雷而损坏电子设备的目的。
1. 3 实际电路分析及仿真测试

图3 电路是一个典型的实际开关电源部分电路
防雷单元: 当有雷击, 产生高压经电网导入电源时, 由Rv1、Rv2、Rv3、F1、F2、F3 和FDG 组成的电路进行保护. 当加在压敏电阻两端的电压超过其工作电压时, 其阻值降低, 使高压能量被压敏电阻所消耗, 若电流过大, F1、F2、F3 会烧毁保护后级电路。
防开机浪涌单元: 当电源开启瞬间, 要对C 充电, 由于瞬间电流大, 其能量全消耗在温控电阻Rt上, 由于Rt 的特性是随温度上升电阻呈指数关系减小( Rt 为负温系数元件) , 瞬间温度升高后Rt 阻值减小( 呈低阻抗) , 这时它消耗的能量非常小, 后级电路可正常工作. 温控电阻Rt 由高阻抗变为低阻抗, 有效地防止浪涌电流。
模拟实验: 用雷击浪涌电流发生器模拟保护电路加入前后的实验测试波形如图4 和开机浪涌电流测试波形如图5. 模拟实验表明, 浪涌电流的共同点是作用时间短( 几至几十纳秒) , 冲击电流大( 雷击浪涌电流可达几十至几千安培, 开机浪涌电流超过工作电流的数十倍以上) , 加入保护电路后尖峰被削去。
2 过流保护电路剖析
众所周知, 当电源输出端超过额定负载或短路或控制电路失去控制能力等意外情况时, 会造成电子设备不能正常工作或对电子设备造成损坏等. 过流保护电路有断路法、振荡器调频法。
2. 1 断路法过流保护
防范电路中的电流过流, 最经济简便的方法是用保险丝. 保险丝熔断保护分为交流保险和直流保险二类. 当负载电流发生意外其电流超过保险丝的熔断值( 熔断系数一般在1. 1~ 1. 5 之间) 时, 保险丝熔断, 达到过流保护目的. 但在开机瞬间, 由于大电容的充电, 会产生很大的浪涌电流, 这个浪涌电流一般为正常输入电流的数倍, 容易使保险丝熔断, 而发生错误判断, 这是它的主要缺陷。
2. 2 振荡器调频法过流保护
所谓调频法就是通过检测比较放大电路产生一个控制信号使振荡器的振荡频率发生变化, 使负载电压降低, 从而达到负载电流减小目的. 通常过电流保护设定值为额定电流的110% ~ 130% , 能自动恢复。
在互感器的耦合下, 若输出端有过载或短路情况发生时, 此时初级电流会很快的增加, 检测电阻RS( 锰铜丝) 上的电压VRS 就会增大. 在图6( A) 此电压VRS 超过V2 的B- E 导通电压,V2 导通, 由于V2 集电极接的是振荡电路的控制端, 使振荡电路的振荡减缓或停止振荡. 在图6( B)VRS 经电压比较器后输出一个控制信号到振荡电路, 调节振荡频率, 使输出电压降低, 减小负载电流, 达到保护的目的。
图6( B) 与图6(A) 的过流保护精度要高, 因( B) 电路设计了误差比较和误差放大电路。
如图7 所示为恒流过流保护电路. 电路中R1和R2 对VR 进行分压, 电阻R2 上分得的电压VR2= VR[ R2/ ( R1+ R2) ] 负载电流I0, 测电阻RS 上的电压VS= I0RS, 电压VS 和VR2 进行比较, 如果VS>VR2,A 输出控制信号, 使脉冲信号频率变化, 使输出电压下降, 输出电流I0 减小。
图8 是常见的光电耦合器驱动过流保护电路,其工作原理: 当输出电流过大时, RS 两端电压上升,IC2② 脚电压高于③脚基准电压, IC2 输出高电压,V1 导通, 光电耦合器IC1 发生光电效应, 使振荡电路的振荡频率发生变化, 从而控制开关管的脉冲信号的宽度( 或频率) 发生变化, 使得输出电压降低, 达到输出过载限流的目的。
2. 3 存在不足
检测电阻RS 总是串在电路中, 若检测电阻RS值取得较小, 电路保护反应速度不快, 精度也不太高, 若检测电阻RS 值取得太大, 功耗就会明显增加, 检测电阻RS 存在着无功损耗而降低开关电源的效率. 为减小检测电阻RS 的无功损耗, 将采取检测信号放大等电路, 提高保护电路的反应速度、精度。
3 过压保护电路剖析
开关电源电路过压分为电源外因过压和内因过压, 它们都会使电子设备工作异常或烧毁电子设备的器件. 电源外因过压主要有错接入380 V 的电压;内因过压主要来自开关电源本身电路异常或元器件损坏( 失去稳压控制) 使输出电压过高. 最常见的过压保护电路有断路法和开关管截止法。
3. 1 断路法过压保护
外因过压主要来自工频电网电压过高, 如因错接入380 V 的电压, 如图9 是一个用继电器J 关断电路起保护的电路. 当交流电源正常时, 通过稳压管VS 的电流很小, IRR< VbeQ, 因而三极管V 截止, 继电器J 处于常闭( 导通) 状态. 因某种原因交流电源高于正常状态值时, 通过稳压管VS 的电流很大,IRR> VbeQ, 导致三极管V( 饱和) 导通, 继电器J 动作, 切断输入电路, 从而达到保护开关电源电路及负载电路. 当交流电源恢复正常时, 三极管V 截止, 继电器J 处于常闭( 导通) 状态. 优点是能自动恢复供电, 缺点是稳定性差, 继电器J 的体积较大。
3. 2 开关管截止法过压保护
开关电源本身电路异常或元器件损坏( 失去稳压控制) 使输出电压过高. 如图10 所示是用可控硅驱动的过压保护电路. 在正常的电压输出情况下,T803 第3 绕组中上端正、下端负的电压经R1、R2 分压后不能使VD 击穿导通, 可控硅V2 也截止, 保护电路不动作. 因某原因开关管V1 失去稳压控制, 输出电压异常升高, 高频变压器T 第3 绕组电压经R1、R2 分压后将超过VD 的击穿电压值, 使VD 击穿并引起可控硅V2 触发导通. 可控硅V2 触发后, 使电容C 上端接地, 并使开关管V1 迅速截止. 高频变压器T 第3 绕组电压经整流后, 能使稳压电路输出减弱振荡控制信号, 进一步使开关管V1 加速截止.保护电路动作后, 由于整流滤波后的直流电压经R3给可控硅V2 的A 极供电, 所以V2 将一直导通下去, 直到故障排除后再次开机,V2 才截止。
如图11 所示是用光电耦合器驱动的过压保护电路. 其中, 光电耦合器IC1 在开关电源中起两个作用. 一是实现固态继电器; 另一个作用是对输入与输出进行了隔离。
当输出电压超过正常值时, 在误差比较放大器IC2 的驱动下, 使光电耦合器IC1 内部发光二极管发光, 进而使IC1 光电耦合器的内部光敏三极管饱和导通, 于是开关管V 脉冲电流被光敏三极管短路,所以开关管V 迅速截止. 保护电路动作后, 由于副电源直流电压可控硅的A 极供电, 所以可控硅将一直导通下去, 光敏三极管也一直饱和导通, 直到再次开机。
3. 3 存在不足
由于开关管截止, 没有输出电压. 但当输入接错线而引入380 V 的电压时, 其滤波电容、开关管等元件所加的电压仍然为380 V, 若这些元件的耐压不够而损坏。
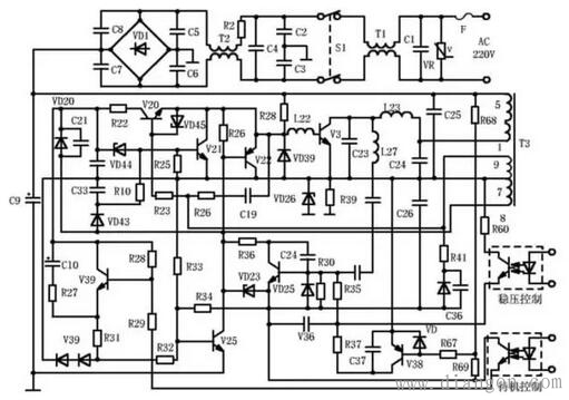
4 实际电路分析
如图12 为一个实际开关电源电路. 220 V 的交流电经整流滤波后得到约300 V 的直流电压, 再经T3 的5、1 端绕组加到V3( 大功率开关管) 集电极.L22、L23 可延续脉冲电流对V3 电极的冲击, C23、C24 可吸收V3 集电极尖峰脉冲, 以防止V3 击穿损坏.T3 的9、7 端绕组为正反馈绕组, 其反馈电势经R26、C19 耦合到V3 基极, 从而使V3 产生自激振荡,振荡频率为30- 60 kHz. VD39 为正反馈耦合电容C19 提供放电回路, 同时又将V3 在截止期的b- e极反向电压限制在0. 7 V, 以防止V3 的b- e 击穿。
V20 为恒流驱动管, T3 的8、7 端绕组电势经VD20 整流和C21 电容滤波后建立约8 V 左右的直流电压, 该电压经R22 给V20 集电极供电. 在开关管V3 饱和期间, T3 的9 端的电势经R23 使V20 导通, 因此V20 是为V3 提供恒流驱动电流, 其大小由R22 阻值决定, 恒流驱动使开关电源交流输入电压范围扩大至90- 270 V。
V21 有两个作用, 第一是过压保护, 当C21 两端的电压由正常值8 V 上升到10 V 时. VD44 击穿导通, 并引起V21 导通,V3 基极激励电流被V21 的ce极所短路, 使开关管V3 处于截止状态而被保护.第二个作用是对V3 导通进行延时控制. 在V3 截止期间,T3 的8 端正电势、7 端的负电势经VD43 给C33 充电, 当V3 由截止状态向饱和状态翻转时, C33所充电压将维持V21 再导通一段时间, 在此期间内,V21 对V3 基极的激励电流进行分流, 也就是将V3 的导通延时了一段时间, 此时V3 集电极电压已下降至低点, 以减小V3 由截止向饱和状态翻转瞬间产生的功率损耗。
V38 是欠压保护控制管, 首先是T3 的7 端为正电势、9 端为负电势并经VD24 整流在C26 上建立约- 10 V 直流电压, 此- 10 V 电压经R69、R67 加到V38 的基极. 另外, 300V 电压经R68 也加到V38 基极. 当输入交流电压低于110 V 时, 也就是说整流、滤波后得到的直流电压从300 V 降低至150V 以下,此时V38 基极电位也降低, 于是V38 导通, 然后引起V24、V22 导通,V3 基极激励电流被V22 旁路, 使开关管V3 处于截止状态而起保护。
V25 是过流保护控制管, R39 是开关管V3 的过流检测电阻, R39 上的过流压降经R33 加到V25 基极, 使V25 导通后引起V22 导通, 因而开关管V3 由于过流而被处于截止状态。
全站搜索