电力电子装置可能的过电压――外因过电压和内因过电压 外因过电压:主要来自雷击和系统操作过程等外因 操作过电压:由分闸、合闸等开关操作引起 雷击过电压:由雷击引起 内因过电压:主要来自电力电子装置内部器件的开关过程 换相过电压:晶闸管或与全控型器件反并联的二极管在换相结束后,反向电流急剧减小,会由线路电感在器件两端感应出过电压。 关断过电压:全控型器件关断时,正向电流迅速降低而由线路电感在器件两端感应出的过电压。 过电压保护措施
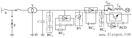
过电压抑制措施及配置位置 F-避雷器 D-变压器静电屏蔽层 C-静电感应过电压抑制电容 RC1-阀侧浪涌过电压抑制用RC电路 RC2-阀侧浪涌过电压抑制用反向阻断式RC电路 RV-压敏电阻过电压抑制器 RC3-阀器件换相过电压抑制用RC电路 RC4-直流侧RC抑制电路 RCD-阀器件关断过电压抑制用RCD电路 电力电子装置可视具体情况只采用其中的几种。 其中RC3和RCD为抑制内因过电压的措施,属于缓冲电路范畴。 过电流――过载和短路两种情况 保护措施 过电流保护措施及配置位置 同时采用几种过电流保护措施,提高可靠性和合理性。 电子电路作为第一保护措施,快熔仅作为短路时的部分 区段的保护,直流快速断路器整定在电子电路动作之后实现保护,过电流继电器整定在过载时动作。 快熔对器件的保护方式:全保护和短路保护两种 全保护:过载、短路均由快熔进行保护,适用于小功率装置或器件裕度较大的场合。 短路保护:快熔只在短路电流较大的区域起保护作用。 对重要的且易发生短路的晶闸管设备,或全控型器件,需采用电子电路进行过电流保护。 常在全控型器件的驱动电路中设置过电流保护环节,响应最快 。 |