你的位置: 首页 > 家电弱电 > 电子技术

互补对称功率放大器的原理

2016-11-09 12:41:04 | 人围观 | 评论:

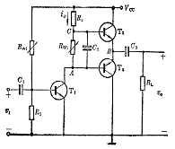
    图1为互补对称功率放大器的原理电路图。当输入电压vi为正半周时,经T1管反相,使T2管截止,T3管导通,从而在负载电阻RL上形成输出电压vo的负半周波形;当输入电压vi 为负半周时,T2管导通,T3管截止,从而在负载电阻上形成输出电压vo 的正半周波形。





标签:
图1互补对称功率放大器的原理电路图
图2互补对称功率放大器实验电路