
图1
(2)次级绕组反向串联降低输出电压。所谓反向串联,是指变压器各绕组同名端相连接。如图2所示,电源变压器T原有两个次级绕组Tb1、Tb2输出电压分别为3V、25V,当将它们反向串联后,即可得到22V的新的输出电压。反向串联两绕组的额定电压应有较大差距。

图2
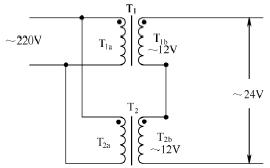
(3)两个电源变压器次级绕组正向串联提高输出电压。如图3所示,电源变压器T1、T2输出电压均为12V,将它们的初级并联接入220V电源,它们的次级正向串联后即可获得24V的输出电压。连接中须注意识别各绕组的同名端,不能接错。

图3
2.提高电源变压器的输出电流
将电源变压器的次级绕组并联使用,可以提高变压器的输出电流。并联的各绕组其额定输出电压必须一致。
(1)同一变压器次级绕组的并联。如图4所示,电源变压器T具有两个输出电压12V、额定电流1A的次级绕组Tb1、Tb2,将它们同名端相接(始端与始端、末端与末端相接)并联后,即可将输出额定电流提高到2A。

图4
(2)不同变压器次级绕组的并联。如图5所示,电源变压器T1和T2分别具有输出电压15V、额定电流1.5A的次级绕组T1b、T2b,将T1与T2的初、次级均同名端相接并联后,即可将输出额定电流提高到3A。

图5
3.增大电源变压器的功率
当一个电源变压器的额定功率不能满足要求时,可以用两个或两个以上相同的电源变压器并联使用,以获得较大输出功率。例如,缺少100W的电源变压器,可以用两个60W、次级绕组均符合要求的变压器并联代用,如图6所示。两个较小功率变压器的效率比一个较大功率变压器的效率要低一些,因此,并联的两个变压器的功率之和,应稍大于需要的功率值。

图6
4.增加电源变压器的次级绕组
当电源变压器的次级绕组数量不足时,可以同时使用两个或更多电源变压器。图7示例中,两个电源变压器T1、T2同时使用,可以等效为一个次级多绕组变压器T。T1、T2所有的次级绕组都是等效变压器T的次级绕组。

图7
5.电源变压器各绕组同名端的识别
电源变压器的串并联使用,首要的是搞清楚各绕组的同名端,可用以下方法识别。
(1)交流电压判断法。首先用万用表交流电压挡测量出电源变压器各个次级绕组的空载电压,然后将两个次级绕组串联起来再测量其电压。如果测得的电压值为该两次级绕组空载电压之和,则其为正向串联,各绕组同名端如图4-141(a)所示。如果测得的电压值为该两次级绕组空载电压之差,则其为反向串联,各绕组同名端如图4-141(b)所示。
(2)直流脉冲判断法。检测电路如图4-142所示,将万用表置于直流电压最小挡,两表笔接于某一次级绕组两端。当快速按一下按钮SB时(相当于给变压器初级输入一直流脉冲),万用表表针应有摆动。当检测各绕组表针摆动方向一致时,说明红(或黑)表笔所接为同名端。
全站搜索