2016-12-17 15:43:08 | 人围观 | 评论:
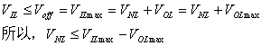
1. 电路结构
典型电路如右图所示,由四只晶体三极管组成。其中多发射管T1为输入级,T2为中间级,T4、T5为输出级。
2. 工作原理
(1)当输入为低电平 “0”(VIL=0 . 3V)时,T1深饱和,T2、T5截止,T4、D导电,输出高电平VO=VOH>>3 . 6左右,TTL关门。
(2)当输入为高电平时“1”(VIH=3 .6V)
T1倒置、T2、T5饱和,T4、D截止状态,输出为低电平VO=VOL>>0.3V,TTL开门。
二、TTL门电路的主要特性
1 .电压传输特性
1)当输入电压≤0 . 6V,在①段,T1在深饱和,T2、T5截止,T4、D导电,输出高电平
,电路关门状态。

2)输入电压在0.7-1.3V,在曲线②段,T1为二只二极管导电,T2放大,T5截止,T4、D导电,输出线性下降。
3)输入电压在1.4V左右,在曲线③段,T1趋向倒置,T4、D趋向截止, T2、T5导电,输出降至低电平约0.3V,趋向开门状态。
4)输入电压大于1.4V,在曲线④段,T1倒置,T2、T5饱和导电,T4、D截止,输出低电平稳定在0.3V左右,门处于稳定开门状态。
2. TTL门的输出特性
讨论TTL门接负载时的情况,即输出电压和负载电流之间的关系。

下面分二种情况加以讨论。
(1)低电平输出特性―灌电流负载,连接电路如图所示:

此时驱动门输出低电平,T5饱和导电,T4、D截止,负载门输入低电平,负载电流流向驱动门(灌入)。如果负载门数增加,IOL灌入的电流便增加,这促使VOL电压升高,T5将由饱和趋向放大,最终破坏逻辑关系。因此,对负载应有一个限定值,VOL的上升有一个低电平上限值VOLmax规定,使用时不能超过。所以,驱动门数(扇出系数)由
确定,而输出特性如右图所示:
(2)高电平输出特性― 拉电流负载

此时,驱动门T5截止,T4、D导电,输出高电平VOH,负载门输入高电平。负载电流从驱动门流出(拉出)。如果负载门数增加,IOH拉出的电流便增加,这使得输出高电平电压VOH会下降,T4管会趋向饱和,最终破坏逻辑关系。所以,高电平输出时也规定了一个高电平下限值VOhmin,其负载门数为:
。高电平时的输出特性如图,画在第二象限。
三、集成TTL门电路的主要参数
这些参数可从电压传输特性上得出:
1. 输入电平、输出电平:输入低电平VIL(输入低电平上限VILmax―关门电平VOff,输入高电平VIH(输入高电平下限VIHmin―开门电平Von)。
2. 输入信号噪声容限
它表征门电路的抗干扰能力强弱。在TTL驱动TTL集成门电路的情况下,串入两级门电路之间噪声电压大小分低电平输入噪声容限和高电平输入噪声容限两种情况进行讨论。
低电平输入噪声容限VNL:
高电平输入噪声容限VNH:
。

3. 扇出门数(门电路的带负载能力)
一种门能驱动同一类型门的个数称扇出数,由于IOL>>IOH ,虽然IIL>IIH,所以nL<nH,所以扇出数以nL为准。

4. 平均传输延迟时间

四、TTL门电路中的其它技术措施

(1)肖特基三极管―抗饱和,提高电路的开关速度。
(2)有源泄放电路―加快T2、T5由饱和到截止的转换时间,目的还是提高开关速度。
(3)T4用二只三极管复合―提高电路的带负载能力(增大输出电流)。
(4)输入增加了保护二极管(提高可靠性)。
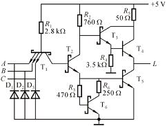
五、TTL其它逻辑门电路
或非门、集电极开路与非门(OC)、 三态输出门(TS)等。
1. TTL或非门

这是一个典型的TTL反相器(非门)电路,再加上两只晶体管后就成一个或非门电路了。基本原理可用两只三极管并联连接理解。

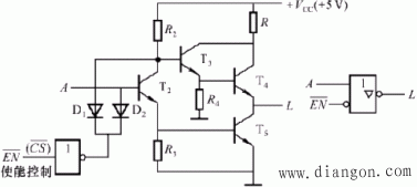
2 . TTL集电极开路与非门(OC门)

3 . TTL三态输出门

=0三态门使能,即D1、D2截止,A和L实现了反相输出, L=
;
=1,在A=0或1这两种情况下,D1始终导电,而T4、T5都截止,输出为高阻态(禁止态)。

注意:三态输出门的电路符号有多种:
三态门的应用:

全站搜索