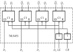
它仅仅用来暂时寄存二进制信息。74LS451型四位数码寄存器的内部逻辑电路图:

四个D触发器组成,有反码和原码两种码输出,D3D2D1D0是待寄存的数据输入端,LE是写入数据控制端,CR为清零端。电路的操作过程如下:
1. CR=1,寄存器清零Q3Q2Q1Q0=0000;
2. 放置好数据,如D3D2D1D0=1011;
3. 给写命令LE高电平,1011就写入触发器中;
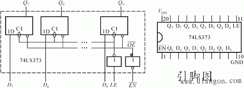
下图是由8个D触发器构成的8位数码寄存器,电路具有三态输出,一个写入控制和读出控制端。

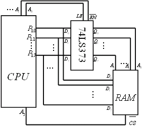
这是一个CPU和RAM之间进行信息读取的硬件电路,CPU的地址低二位A1、A0控制373进行数据存入或读出,373作RAM的地址锁存用。数据读取具体操作如下:
1)CPU地址A1A0=11,CPU的P1口送出一个数据,然后A1A0=00,这时CPU送出的数据被锁存在373中,该数据成为RAM的读写地址了;
2)CPU对该地址中的具体内容进行写入或读出操作,当CPU的A2=0,读出RAM中的信息传输到CPU,当A2=1时,CPU中的信息存入RAM;
二、移位寄存器
移位寄存器除能寄存二进制信息以外,还能对存入的信息在时钟脉冲的作用下进行移位操作。
1. 单向移位寄存器
将寄存器中的数据实现单方向(向左或向右)移位操作。
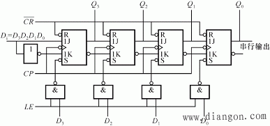
四位右向移位寄存器逻辑电路。

电路的四种操作模式:
⑴ 串行输入/输出(SISO):一位数据一个CP脉冲地依次存入,如存入D3D2D1D0=1011信息。
⑵ 串行输入/并行输出(SIPO):当用四个CP脉冲存入1011信息后,Q3Q2Q1Q0=1011了,然后,可以从Q3Q2Q1Q0端一起输出。
⑶ 并行输入/输出(PIPO):寄存器清零后,信息从并行输入端通过寄存命令LE一次存入,存入后可以从 Q3Q2Q1Q0端一起输出。
⑷ 并行输入/串行输出(PISO):并行存入数据后,依次加入CP脉冲,则数据就从串行输出端依次输出。从数据的高低位讲:是高位数据依次向低位移位;所以,通常右移是指:高位数据依次向低位移位,即每移动一位相当于÷2(×2-1);而左移是指:低位依次向高位移位操作,即每左移一位相当于×2;
2. 双向移位寄存器
在控制信号的控制下,信息可以依次从右向左或从左向右存入并实现移位操作。双向移位寄存器CC40194型的逻辑电路图:

四个D 触发器的D 端信息由四选一的选择器决定。S2S1是四选一的地址控制。S2S1=00,为保持;S2S1=01,右移;S2S1=10,左移;S2S1=11,并行存数;可以写出四个4/1的输出函数关系式:如最高位1D3函数,
,
,
,![]()

三、移位寄存器的应用举例
1. 数字延迟线
n位的移位寄存器连接成右移串行输入模式,先在右移串行输入端加一个高电平脉冲,CP上升沿到达后,将高电平存入n位中的最高位,然后,经过(n-1)个CP周期,该高电平出现在输出Q0,实现了延迟的目的。
2. 产生序列脉冲

n位的移位寄存器连接成循环右移模式,如图,并行输入序列代码数据后,该序列就在移位寄存器中循环移位,产生一系列脉冲。如以四位为例子,并行存入0110序列代码后,序列脉冲波形如图所示。

3. 构成乘法器电路
乘法器的符号位用二个乘数的符号位异或实现,所以,乘法用原码运算最方便。下面求乘法运算时的算法。令被乘数为:
,乘数为:
。
两数值部分相乘有:
式中的
分别表示不移位、左移一位,二位, …,m-1位。这表明,乘积的数值等于被乘数左移和相加二部分操作完成。
二个三位二进制数乘法电路:

4. 构成除法器

时序逻辑电路的设计方法:
在前面用触发器设计计数器时,只要知道电路的状态转换图,在选定触发器型号后,就可以设计出电路来,因此,画出原始的状态转换图是关键。所以,一般时序电路设计步骤如下:
一、进行逻辑抽象,得出待设计电路的状态转换图或状态转换表。由题意确定输入/输出变量及电路所需要的状态数。将状态编号后,按题意画出状态转换图。
二、状态化简。电路的状态转换数目越少时,设计出来的电路也越简。如果两个状态在输入相同,输出也相同时,称这两个状态等价,这两个状态可以合并成为一个状态,状态化简后,使状态转换图最简。
三、状态分配(状态编码)。由状态转换图中的状态数,确定所需要的触发器个数n,若状态数M时,则触发器个数为:
,n个触发器可以有
个状态,当状态分配(状态编码)方案不合理时,设计出来的电路会复杂的多。通常,状态分配以自然二进制规律进行分配。然后,画出编码后的状态转换图。
四、选定触发器的型号,列出现―次态状态转换、激励要求和电路输出状态关系表,求出驱动方程、输出方程,画出电路图。(这一步和计数器设计时相同)。
全站搜索