你的位置: 首页 > 家电弱电 > 电子技术

现场可编程门阵列FPGA

2016-12-17 15:59:35 | 人围观 | 评论:

 一、集成度高达20000门/片以上SRAM工艺实现逻辑函数的原理

1.配置用的SRAM存储单元

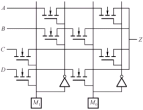
2. 两个SRAM控制的4/1数据选择器(M1、M0为SRAM的配置输出,A、B、C、D为4路输入,Z为输出)函数发生器电路(由四个SRAM输出控制二个变量的函数发生器)。

二、逻辑单元阵列LCA的总体结构

三、FPGA器件的配置(编程)

因为SRAM编程工艺具有易失性,失电后FPGA不具备某种功能,所以,上电时必须对FPGA进行配置,将编程信息装载进器件中。





标签:

相关内容推荐: