你的位置: 首页 > 家电弱电 > 电子技术

MOSFET及IGBT的驱动电路

2016-12-21 16:48:16 | 人围观 | 评论:

功率MOSFET栅极驱动电路  

功率MOSFET是场控型电力电子器件,它与前述SCRGTO等电流控制型器件不同,门极为栅极,输入阻抗很高,驱动电路相对简单得多。另外,由于MOSFET结电容形成的极间电容较大,因此MOSFET的栅极输入端相当于一个电容性负载,在管子导通时需要注入一定的电容充电电流,在导通后由于电场已建立,就不再需要驱动电流了。<?XML:NAMESPACE PREFIX = O />

功率MOSFET的栅极驱动电路有多种形式,以驱动电路与栅极的连接方式来分,有直接驱动与隔离驱动两种。

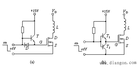
栅极直接驱动电路是最简单的一种形式,由于功率MOSFET的的输入阻抗很高,所以可以用TTL器件或CMOS器件直接进行驱动。图1是两种直接驱动的栅控电路。





标签:

相关内容推荐:

图1