你的位置: 首页 > 家电弱电 > 电子技术

由JK触发器组成的4位移位寄存器工作原理

2016-12-27 17:23:11 | 人围观 | 评论:

移位寄存器不仅有存放数码而且有移位的功能。所谓移位,就是每当来一位移位脉冲(时钟脉冲),触发器的状态便向右或向左移动一位,也就是指寄存的数码可以在移位脉冲的控制下依次进行移位。移位寄存器在计算机中应用广泛。

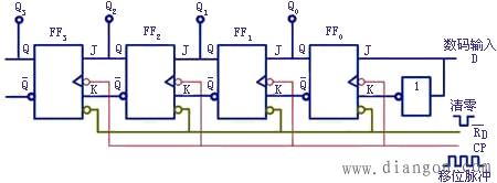
图1所示是由JK触发器组成的4位移位寄存器。接成D触发器,数码由D端输入。设寄存的二进制数为1011,按移位脉冲(即时钟脉冲)的工作节拍从高位到低位依次串行送至D端。工作之初先清零。首先,第一个移位脉冲的下降沿来到时使触发器翻转,,其他保持0态。接着,第二个移位脉冲的下降沿来到时使同时翻转,由于的J端为1,的J端为0,所以仍为0。以后过程见表1,移位一次,存入一个新数码,直到第4个脉冲的下降沿来时,存数结束。这时,可以从4个触发器的Q端得到并行的数码输出。





标签:

图1 由JK触发器组成的4位移位寄存器