2017-01-06 16:05:01 | 人围观 | 评论:

图1 多级放大电路示意图
2.多级放大电路的基本耦合方式及其特点
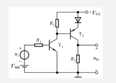
1)直接耦合:耦合电路采用直接连接或电阻连接,不采用电抗性元件。直接耦合放大电路存在温度漂移问题,但因其低频特性好,能够放大变化缓慢的信号且便于集成,而得到越来越广泛的应用。但直接耦合电路各级静态工作点之间会相互影响,应注意静态工作点的稳定问题。直接耦合多级放大电路如图2所示。

图2 直接耦合多级放大电路
2)阻容耦合:将放大电路前一级的输出端通过电容接到后一级的输入端。阻容耦合放大电路利用耦合电容隔离直流,较好地解决了温漂问题,但其低频特性差,不便于集成,因此仅在分立元件电路中采用。阻容耦合多级放大电路如图3所示。

图3 阻容耦合多级放大电路
3)变压器耦合:将放大电路前一级的输出端通过变压器接到后一级的输入端或负载电阻上。采用变压器耦合也可以隔离直流,传递一定频率的交流信号,各放大级的Q互相独立。但低频特性差,不便于集成。变压器耦合的优点是可以实现输出级与负载的阻抗匹配,以获得有效的功率传输。常用作调谐放大电路或输出功率很大的功率放大电路。变压器耦合多级放大电路如图4所示。

图4 变压器耦合多级放大电路
4)光电耦合:以光信号为媒介来实现电信号的耦合与传递。光电耦合放大电路利用光电耦合器将信号源与输出回路隔离,两部分可采用独立电源且分别接不同的“地”,因而,即使是远距离传输,也可以避免各种电干扰。光电耦合多级放大电路示意图如图5所示。

图5 光电耦合多级放大电路示意图
全站搜索