你的位置: 首页 > 家电弱电 > 电子技术

主从RS触发器的电路结构

2017-01-22 17:26:54 | 人围观 | 评论:

同步RS触发器虽然解决了同步触发的问题,但仍存在空翻现象。为了消除空翻,又产生了主从结构的触发器。下面仍以主从RS触发器为例介绍主从触发器的电路结构和动作特点。

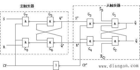
图1所示为主从RS触发器的电路结构。从中可以清楚地看到,主从RS触发器由两个同步RS触发器构成:一个是由G1、 G2、G3、G4构成的从触发器;另一个是由G5、G6、G7、G8构成的主触发器。主触发器的时钟脉冲CP与从触发器的时钟脉冲通过一个非门连接,因此主触发器的时钟脉冲与从触发器的时钟脉冲反相。





标签:
图1 主从RS触发器的电路结构