你的位置: 首页 > 家电弱电 > 电子技术

常用边沿触发器电路结构和工作原理

2017-01-22 17:29:15 | 人围观 | 评论:

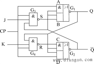
边沿触发器的类型很多,有利用CMOS传输门的边沿触发器、维持阻塞型触发器,有利用门电路传输延迟时间的边沿触发器等。不管哪种类型的边沿型触发器,都能实现触发器的次态仅仅取决于CP时钟脉冲的下降沿(或上升沿)到达时刻输入信号的状态,而与其他时刻触发器输入信号的状态无关。因此,边沿型触发器大大提高了工作的可靠性,增强了抗干扰能力。下面利用门电路传输延迟时间的边沿触发器为例,介绍边沿触发器的工作原理。

1、电路结构和工作原理

图1所示为利用门电路传输延迟时间的边沿JK触发器。





标签:

相关内容推荐:

图1 边沿JK触发器