你的位置: 首页 > 家电弱电 > 电子技术

同步任意进制计数器N<M的情况

2017-02-03 15:24:37 | 人围观 | 评论:

当所要设计的计数器计数容量M大于已有计数器的计数容量N时,必须将多片N进制计数器连接起来,才能构成M进制计数器。根据不同的情况,各个片之间的连接可采用串行进位方式、并行进位方式、整体置零方式和整体置数方式。

(1)M=N1×N2(N1,N2都小于N)。首先利用前面讲过的方法,将两片N进制计数器分别设计成N1,N进制计数器。然后采用串行进位或并行进位的方式将NN1,N进制计数器连接起来,构成M进制计数器。

在串行进位方式中,用低位片的进位输出信号作为高位片的时钟脉冲控制信号;在并行进位方式中,用低位片的进位输出信号作为高位片的工作状态控制信号,控制高位片计数器的计数工作状态,两片计数器的时钟脉冲输入端同时接入计数输入信号。

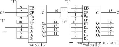
例1 用两片同步计数器74160接成百进制计数器串行进位方式如图1所示。





标签:

相关内容推荐:

图1 电路的串行进位方式