你的位置: 首页 > 家电弱电 > 电子技术

RAM的字扩展接法

2017-02-03 15:24:03 | 人围观 | 评论:

如果某一片ROM或RAM的位数够用而数字不够用时,应采用字扩展的连接方式,将多片ROM或RAM组合成字数更多的储存器。

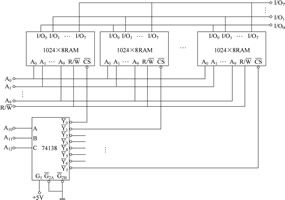
图1 所示为用8片1K×8位RAM构成的8K×8位RAM。

因为8片1K×8位RAM共有1024×8字,故必须给它们编成8K(8×1024)个不同的地址与之对应。然而,每一片1K×8位RAM芯片的地址输入端只有10位(A0~A9),给出的地址范围均为0~1023,无法区分8片RAM中同样的地址单元。因此,必须增加3位地址代码A10、A11、A12,使地址代码增加到13位,才能得到213=8×1024个地址。





标签:

相关内容推荐:

图1 RAM的字扩展接法