你的位置: 首页 > 家电弱电 > 电子技术

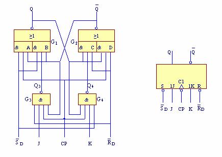
具有直接置0和置1的边沿JK触发器

2017-04-06 17:33:06 | 人围观 | 评论:

 RD:直接(异步)置0端;SD直接(异步)置1端,

非号:低电平有效,

直接(异步):不受CP的影响。

当取R=0,SD=1时,触发器被置0;当取R=1,SD=0时,触发器被置1。

图  具有直接置位的边沿JK触发器





标签:

相关内容推荐: